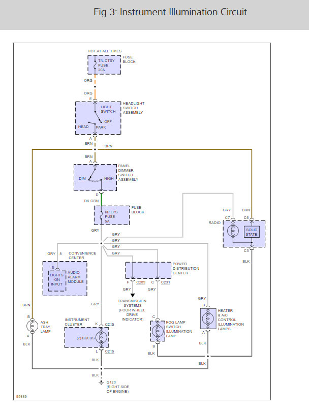
When I turned on my headlights when it is running I get a tone like the truck is off reminding me the headlights are on. I also no longer have high beams and can only get the alarm to stop going off unless I turn the dimmer switch for the dash lights all the way down to the lowest setting. What could be causing this?
Dec 13, 2018 at 3:42 AM



