Headlight low beam not working?

2020 KIA OPTIMA
90,000 MILES • 2.4L • 4 CYL • 2WD • AUTOMATIC
Avatar
BRYYANT689
  • MEMBER
  • 1 POST
The driver's low beam stopped working about 6 months ago and it wasn't the bulb. after 3 months of not having a low beam, the light decided to start working again but only for a day and now it is off for good.
Jun 25, 2025 at 9:19 AM
Advertisement
Avatar
STRAILER
  • CERTIFIED EXPERT
  • 53,854 POSTS
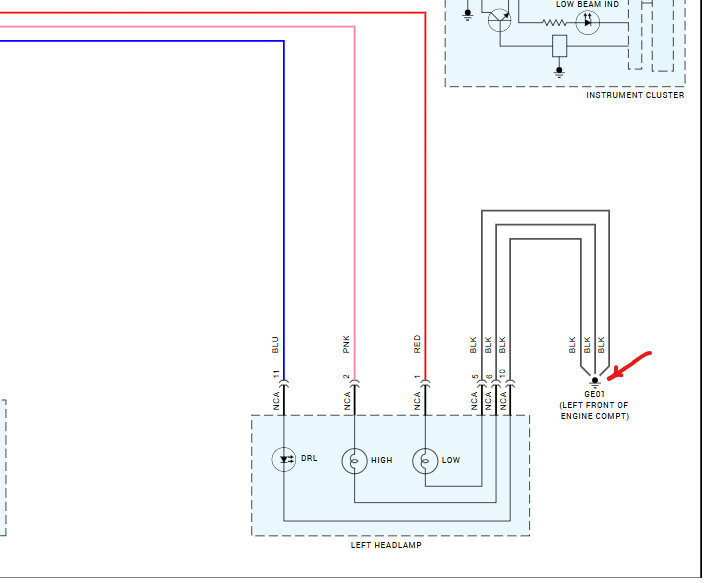
Yep, this can be a bad connection at the ground point, has the car been in an accident? If so, I would check the ground, and the connection at the headlight assembly. The ground is located at the left front of the engine compartment. Please check the image below, if the ground and connection are good at the headlight it sounds like the IGPM is bad which can be confirmed by doing a CAN scan, this video will show you how:

https://youtu.be/u-4syLc-ifQ

Here is the location, which is on the left side of the dash, and how to replace the IGPM in the images below as well. Check out the images (below). Please upload pictures or videos in your response.
Jun 25, 2025 at 12:44 PM