Headlight low beams don’t turn on?

1989 CHEVROLET CELEBRITY
147,957 MILES • 2.5L • 6 CYL • 2WD • AUTOMATIC
Avatar
DAVION-799
  • MEMBER
  • 1 POST
My regular head lights don’t turn on at all but my brights work perfectly fine how do I get them to turn on
Mar 4, 2026 at 12:15 PM
Advertisement
Avatar
STEVE W.
  • CERTIFIED EXPERT
  • 15,113 POSTS
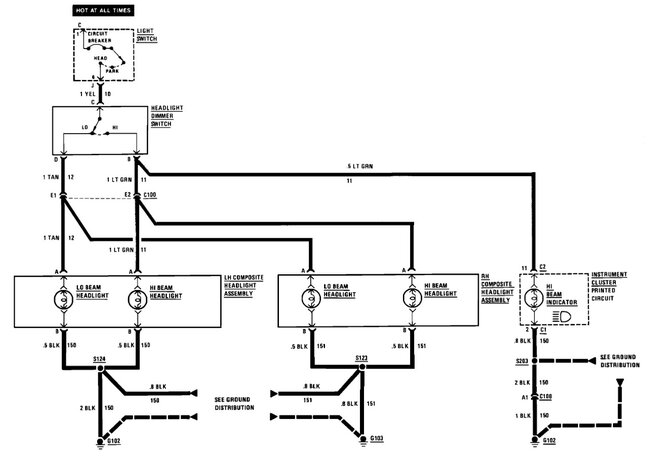
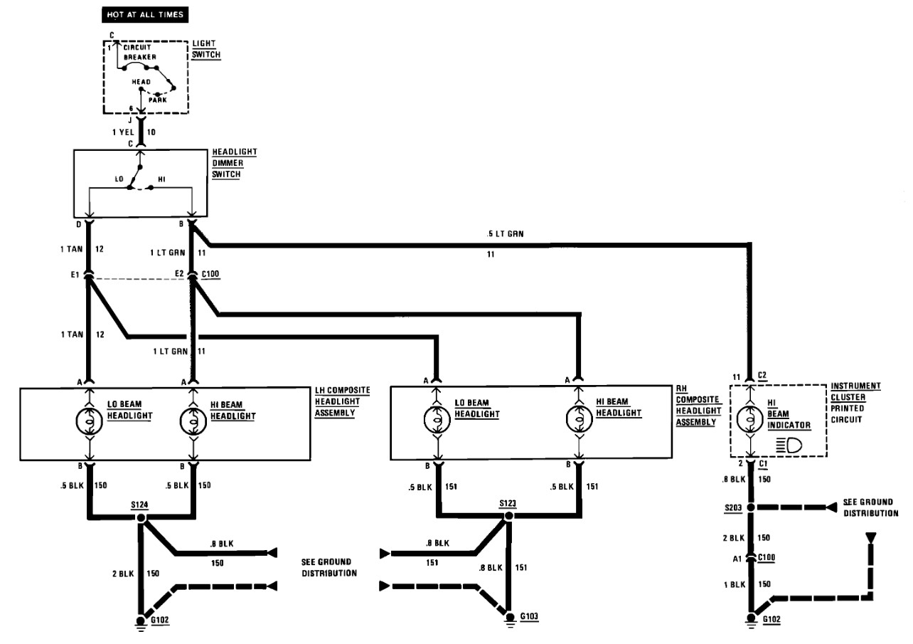
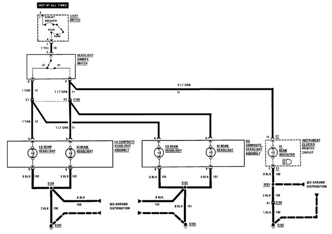
OK, so you turn on the switch and moving the dimmer switch the high beams work, but the low beams don't. Did they work before and both stopped at the same time? This is a simple system, the same fuse and switch powers both so those are OK, they share the same grounds as well. That leaves blown bulbs, a bad dimmer switch or both sides wiring failed. Out of those I would check the bulbs first, then while you are checking them you can test the dimmer while you are at the lamps. Go to one of the headlights with a simple test lamp. Connect the lamp to a ground and test that it works by touching battery positive. Next turn on the headlights and select low beam, now unplug the connector on the low beam bulb and touch the terminal in the plug that has the Tan wire. With the low beams on if there is power at the tan wire then the bulb is bad, if not then we need to test the dimmer switch. There are two different columns but both use a switch mounted on the column under the dash. Both are tested the same way. Take the test light and attach it to a good ground, with the switch plugged in, turn on the headlights, on high beam, the large tab connected to the Yellow wire will have power. Touch the test light to the terminal with the Light Green wire, it should light, select low beam, the other terminal with the Tan wire should light, if it doesn't the switch has failed. They are a simple switch but the contacts can burn out or the lever in the switch fails. Attached are both versions of the column instructions, the switch itself mounts and operates almost the same, both use a drill bit or other 3/32 rod for alignment.
The switch is GM 26035244
Mar 4, 2026 at 4:32 PM