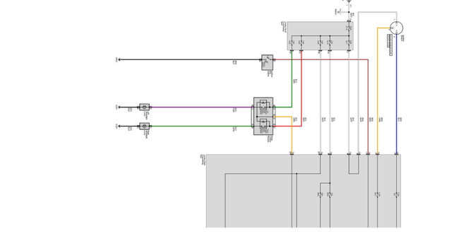
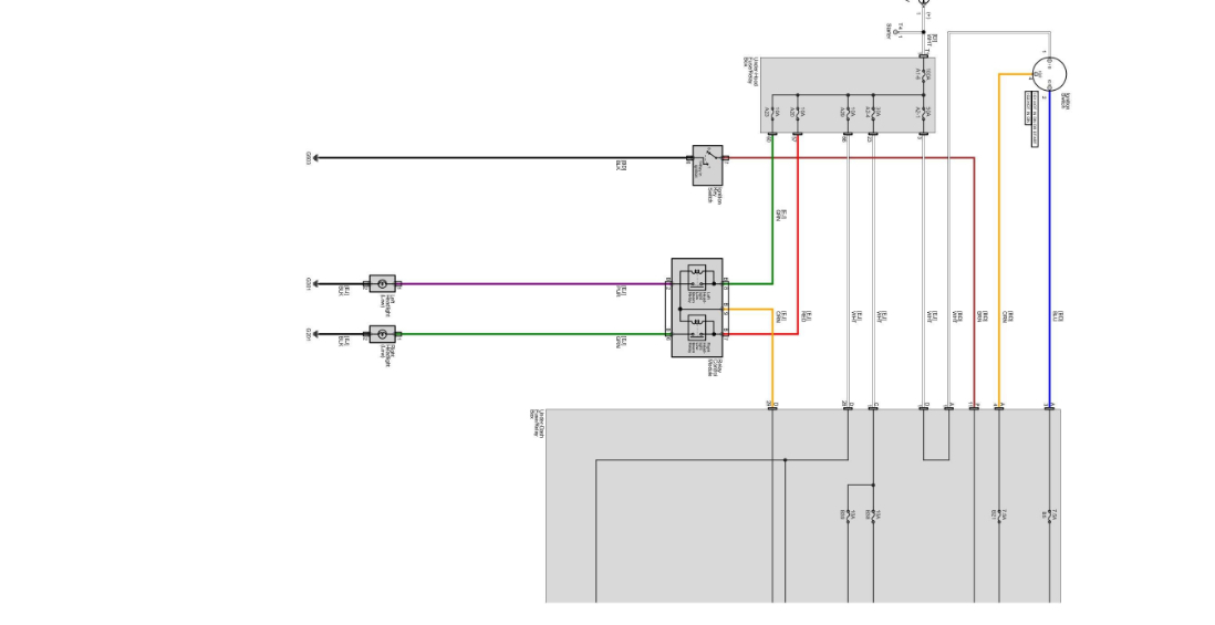
My driver side low beam headlight went out (101,000 miles, understandable as they're the OEM bulbs). Before buying a new bulb, I made sure that I could get to the bulb by the battery without tools because I didn't have them on me. I was able to get the bulb out, when I did, the bulb came back on. I put the bulb back into the lamp, drove 150 miles home and it was fine. The next morning I came out, started the car, and the headlight was out again. Tried the same process of taking out and putting the bulb back in and the light came back on. Forgot to lock the house and the key was on the car key ring. Turned off the car, locked the house, started the car again no surprise, the light was out again. Did the same process for a third time and am now driving to the airport with the bulb shining fine. When I say I'm removing the bulb, I mean that I'm turning the plastic connector, not disassembling the bulb from the connector itself. I fear that if I get a new bulb the problem will persist. Is this a wiring issue? What's going on?
Dec 11, 2019 at 10:30 PM

