Headlight lens replacement

2000 DODGE NEON
96,000 MILES
Avatar
BELINDA F MCNEAL
  • MEMBER
  • 2 POSTS
One of my headlight lens is broken. Can I replace just the lens or do I have to replace the whole light?
Apr 30, 2019 at 12:03 AM
Advertisement
Avatar
SCGRANTURISMO
  • CERTIFIED EXPERT
  • 4,897 POSTS
Hello,

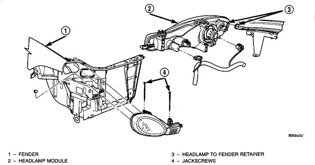
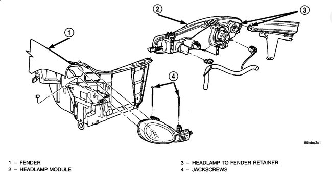
No, you can just replace the headlight module and not the bulb if you want. They are two separate parts. When handling the bulb, make sure not to touch the glass of the halogen bulb, it will greatly diminish the it's life expectancy. I have included step by step directions for the removal and installation of the headlight module in the diagrams down below. Please get back to us with how everything turns out.

Thanks,
Alex
2CarPros
Apr 30, 2019 at 7:51 AM
Avatar
BELINDA F MCNEAL
  • MEMBER
  • 2 POSTS
Thank you so much. I will let you know how it turns out hopefully tomorrow.
Apr 30, 2019 at 12:29 PM
Advertisement
Avatar
STRAILER
  • CERTIFIED EXPERT
  • 53,854 POSTS
Please let us know what you find. We are interested to see what it is.
May 2, 2019 at 2:35 PM