Hi,
I need you to locate three wires at the light assembly. One is yellow, one is white, and the other is brown.
With the low beam lights on, check to see if there is power to the yellow wire. Then, check the same on the white wire with the high beam lights on. If you have power, then we need to check the brown wire.
The brown wire is the ground source for the lights. I need you to check it for continuity to ground.
Here is a link you may find helpful:
https://www.2carpros.com/articles/how-to-check-wiring
Let me know what you find,
Joe
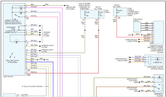
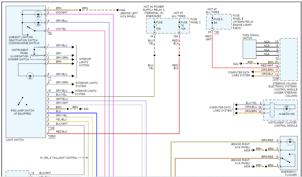
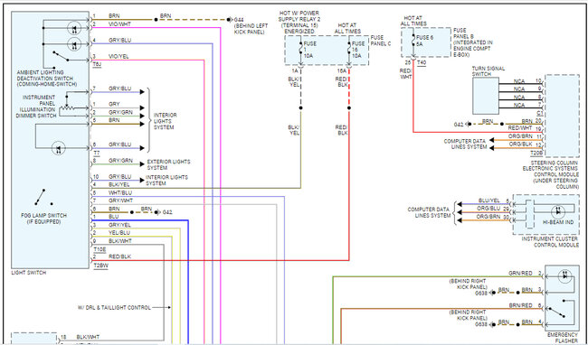
See pics below.
Images (Click to enlarge)
Dec 10, 2023 at 8:15 PM