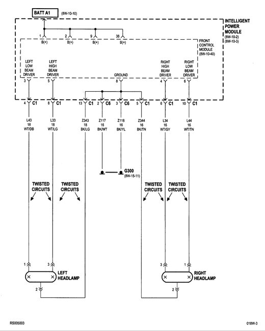
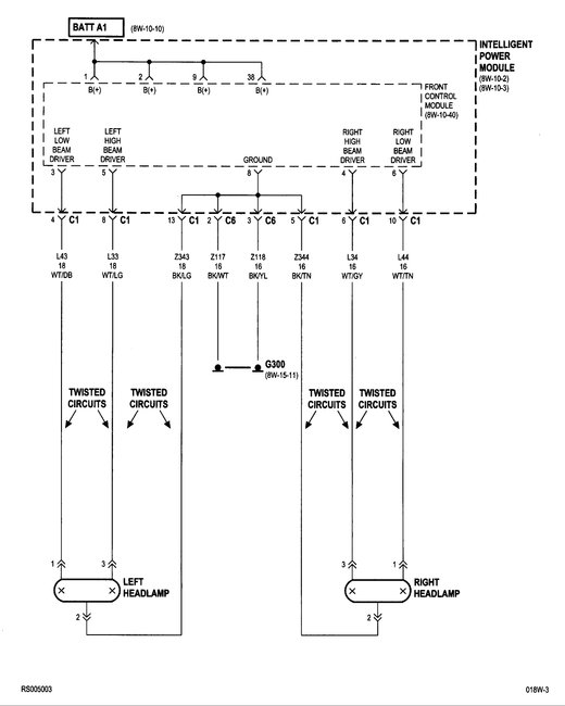
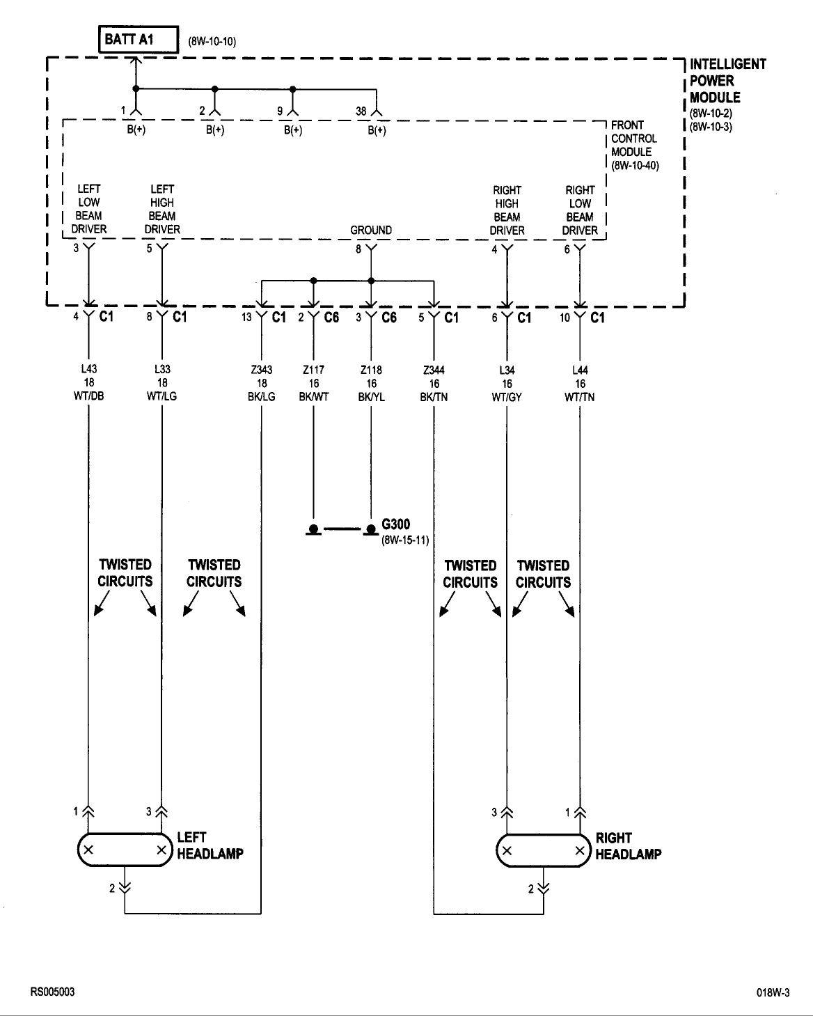
Low beam passenger side will not come on. All other lights work. New bulbs both sides. Pulled the FCM cleaned twice and added a little twist. Tried a new multi-function switch. So far nothing has helped. One thing I noticed the check engine light comes on with low beams and goes off with the high beams. Any guesses? Thanks for any advice. Also no codes pertaining to this issue.
Apr 9, 2018 at 2:24 PM
