Headlight Ground? headlamp relay begins to buzz?

1998 CHEVROLET S-10
179,600 MILES • 2.2L • 4 CYL • 2WD • AUTOMATIC
Avatar
VAPID28
  • MEMBER
  • 1 POST
When I turn my truck off the headlamp relay begins to buzz and I’ve cleaned all grounds for headlight and switch relays and continues with this issue.
Mar 13, 2023 at 6:28 PM
Advertisement
Avatar
STRAILER
  • CERTIFIED EXPERT
  • 53,855 POSTS
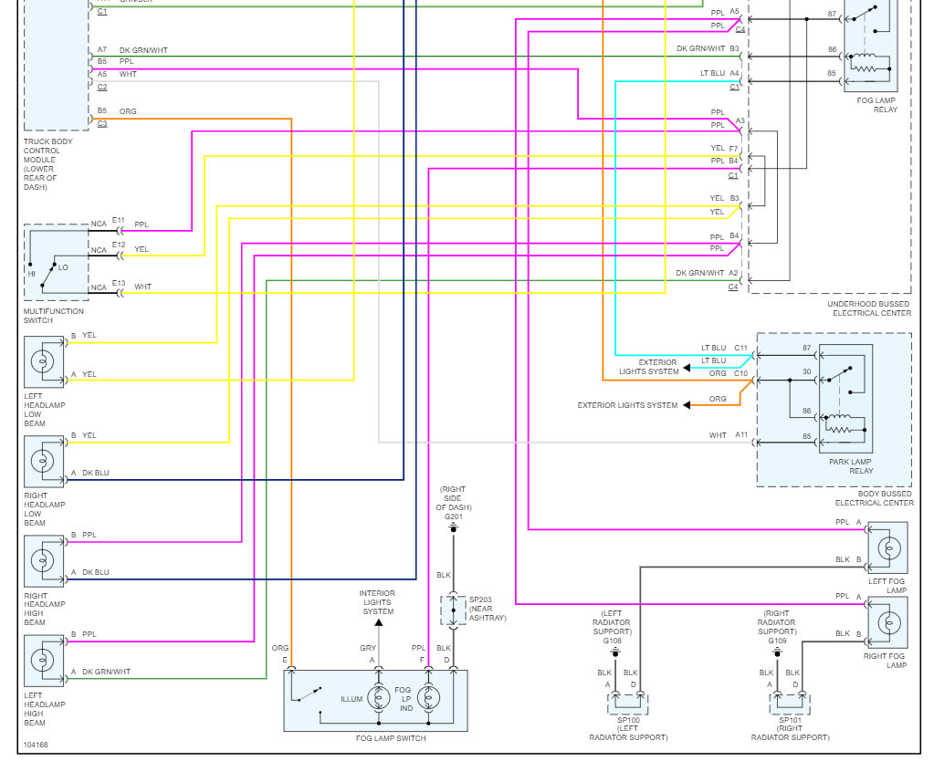
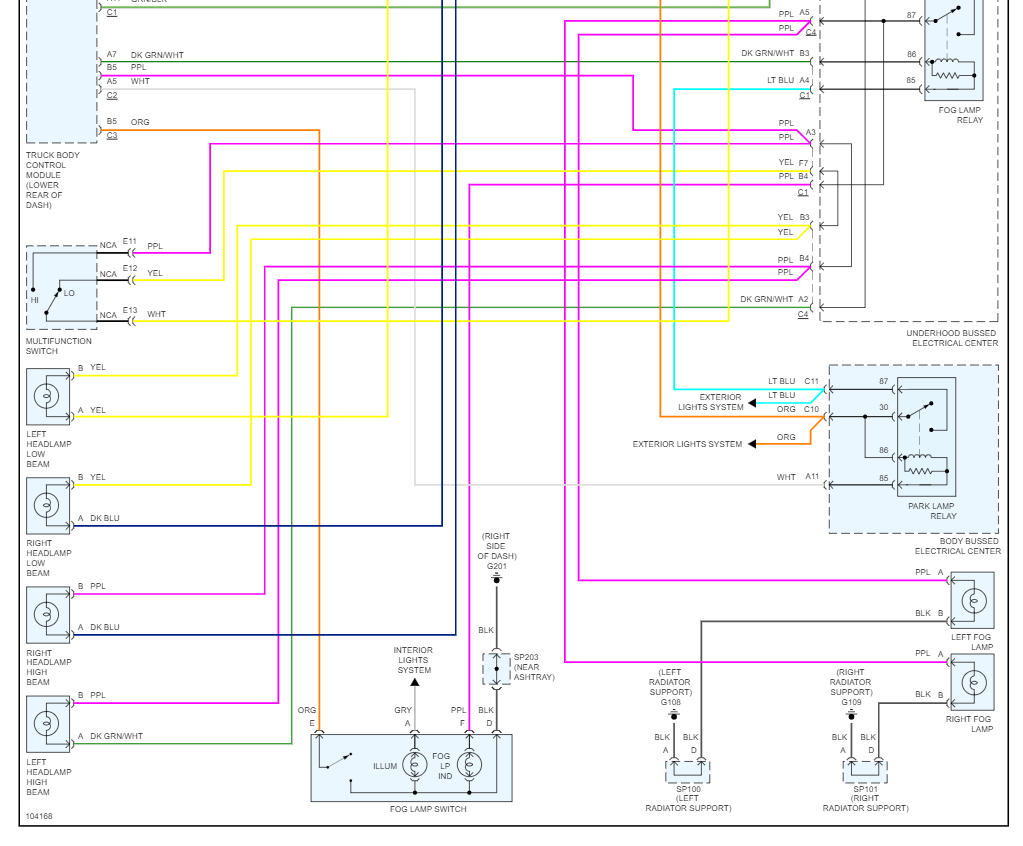
It could be an internally shorted headlamp bulb. Here are the headlight wiring diagrams so you can see how the system works and a guide on how to check the system.

https://www.2carpros.com/articles/how-to-check-wiring

Check out the images (below). Please let us know what happens.


Mar 14, 2023 at 12:21 PM