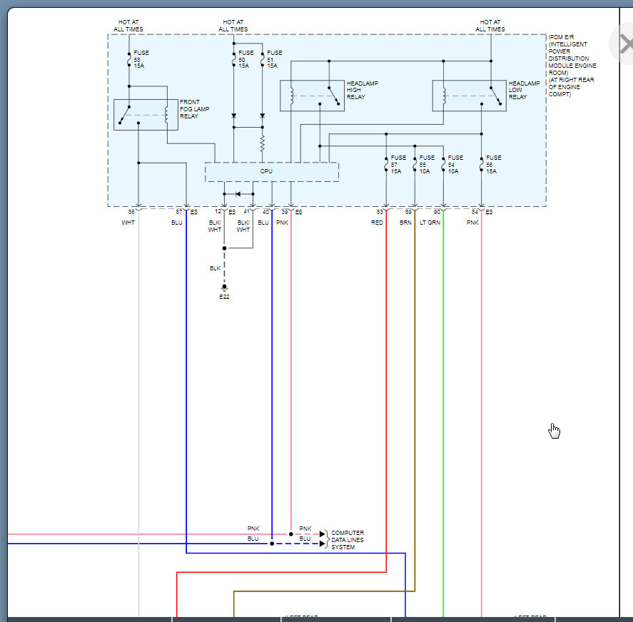
I have recently replaced the headlight bulb and the ballast a few months ago, then a few weeks ago the headlight went out again along with the DRL on the left side. so I had a friend say that I needed to replace the relay that's located next to the battery and he says that he checked the power running to the headlight and he said that it wasn't getting full power. I'm leaning toward the the wiring running from the front fender well to where the headlight and the DRL connect. I do not know. please help!
May 14, 2021 at 2:12 PM

