Headlight covers, door locks, rear window do not work

1989 CHRYSLER LE BARON
89,600 MILES • 2.0L • AUTOMATIC
Avatar
B304BRY207
  • MEMBER
  • 1 POST
Not sure what's going on. brought car off someone didn't know these things didn't work. How can I figure out what's wrong with power door an windows an the headlight covers?
Apr 16, 2020 at 4:26 PM
Advertisement
Avatar
KASEKENNY
  • CERTIFIED EXPERT
  • 18,907 POSTS
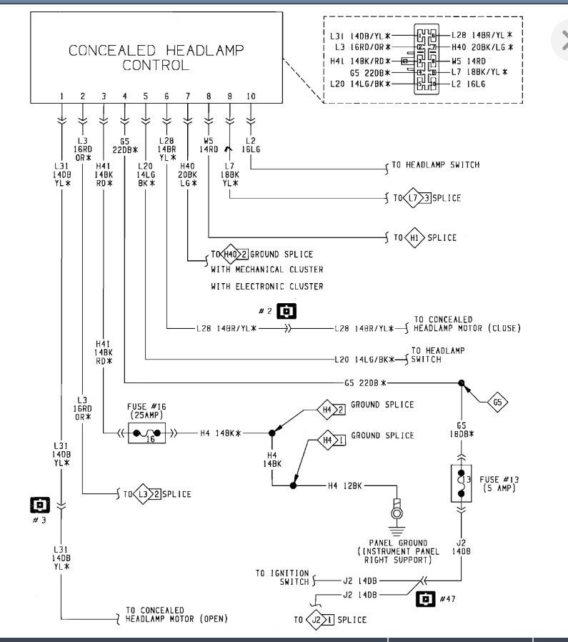
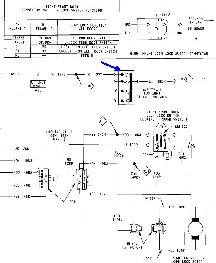
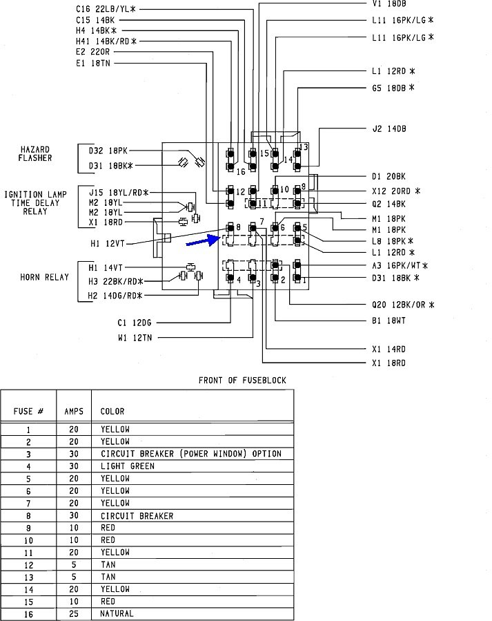
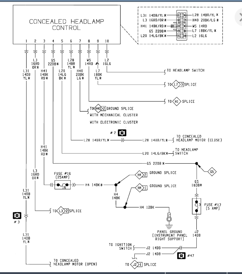
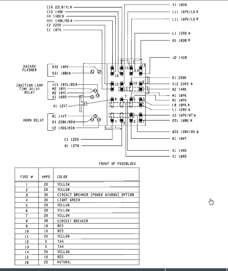
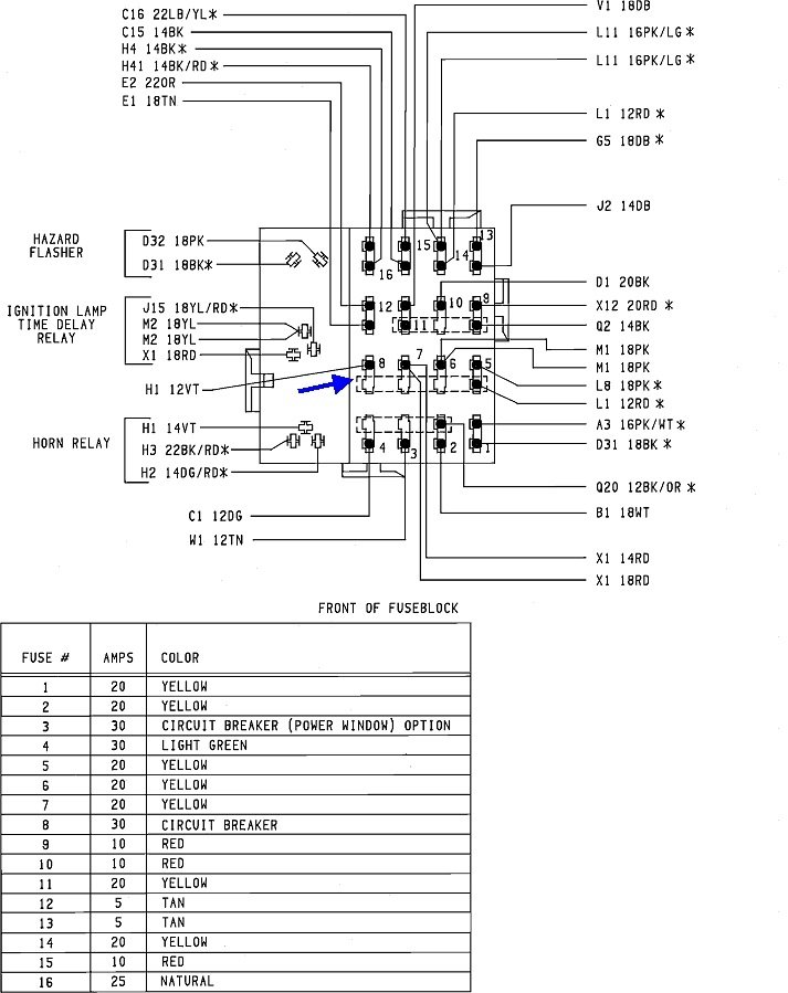
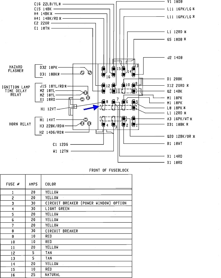
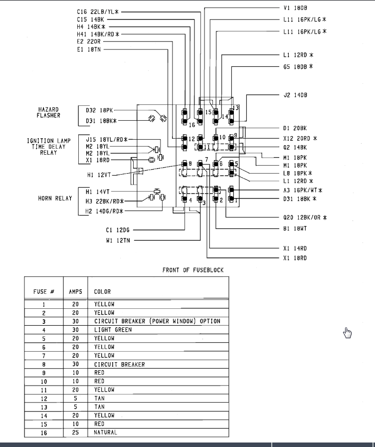
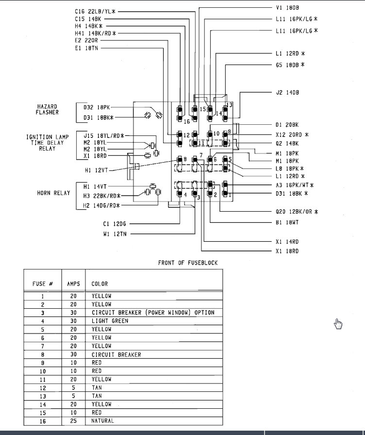
Unfortunately these issues don't appear to be related. I included the wiring diagrams for each issue. We need to start with checking each fuse. Looks like we need to check 13,14,15, and 16. I included the fuse panel layout so we can run through and make sure these are not blown. If they are not then we will need to do more testing. However, we will need to take each individual issue and if we fix another then that is a bonus. However, I suspect they are separate. Let me know what you find and we can go from there. Thanks

https://www.2carpros.com/articles/how-to-check-a-car-fuse
Apr 16, 2020 at 5:03 PM
Avatar
CARADIODOC
  • CERTIFIED EXPERT
  • 34,307 POSTS
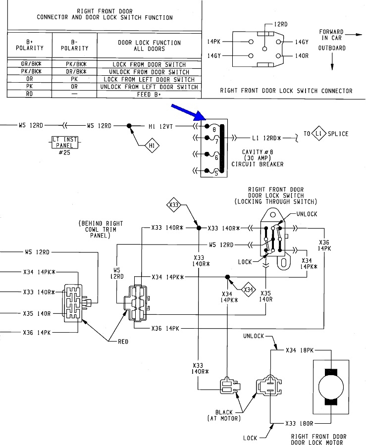
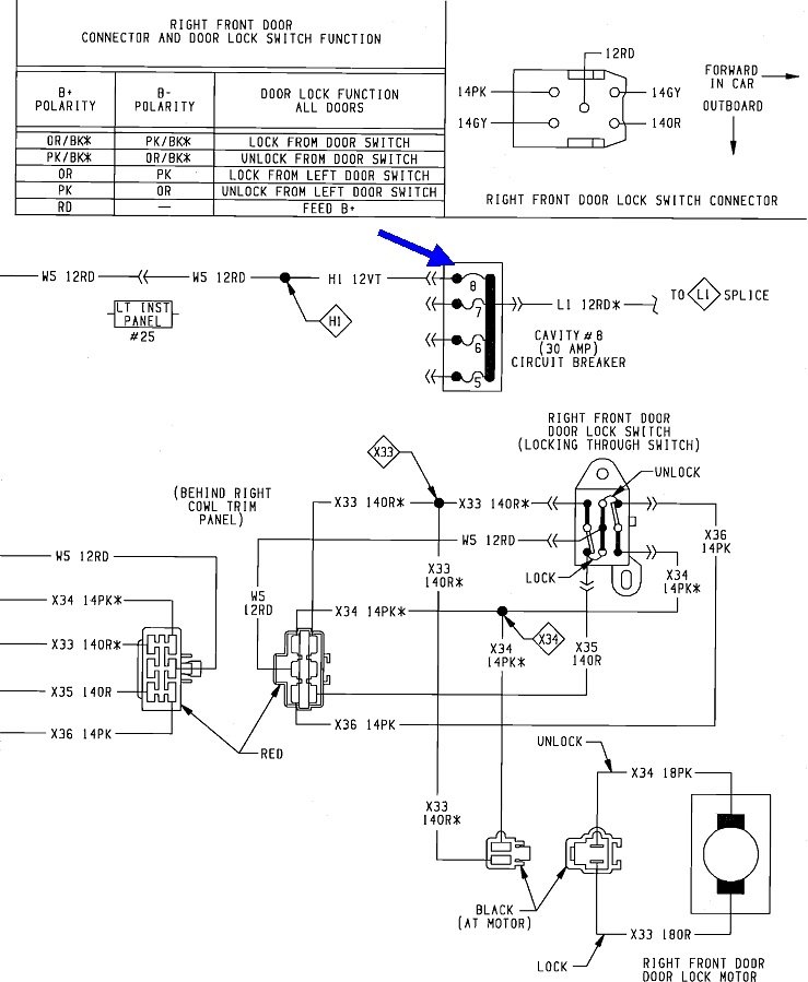
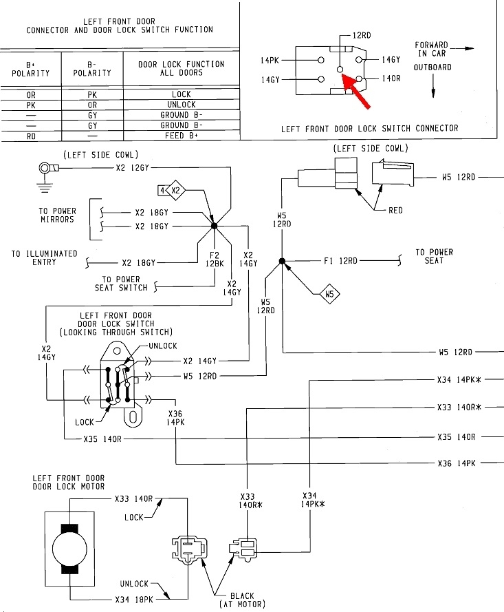
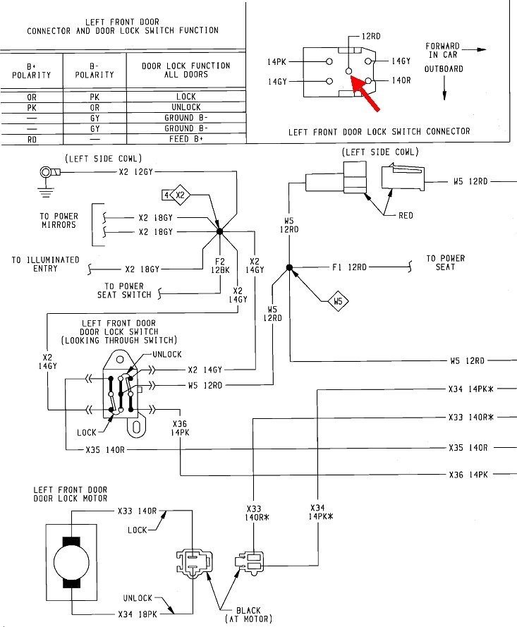
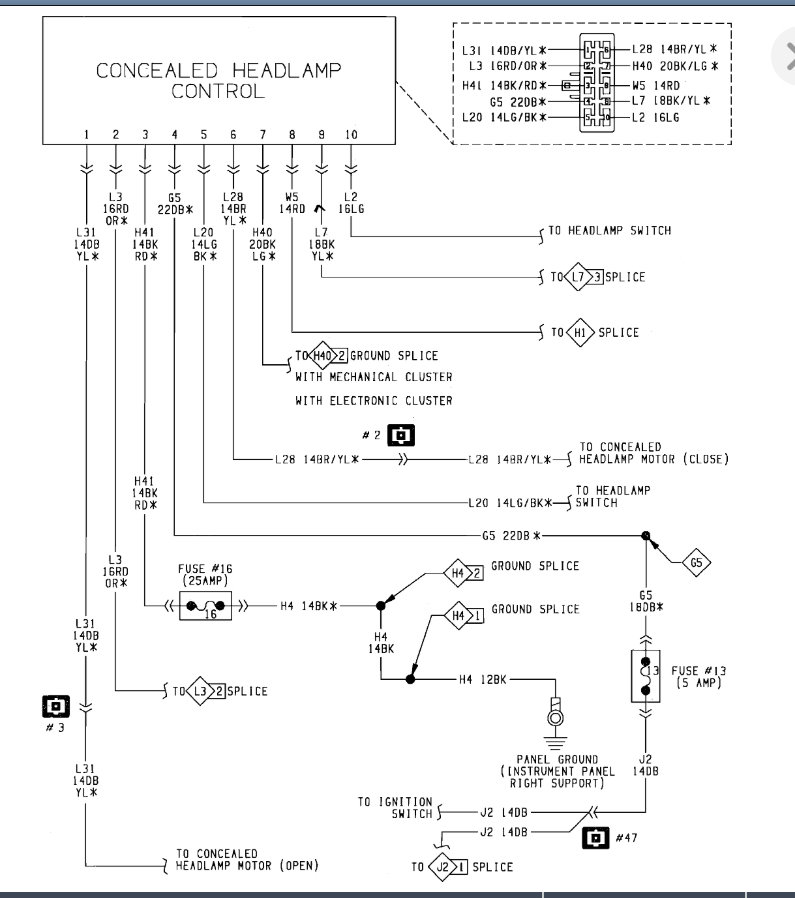
There's three versions of the LeBaron. The GTS model has a curved dash that wraps around the steering wheel. It has a short turn signal lever sticking out of the left side of that pod. As I recall, that version didn't have hidden head lights. One version used a relay module that housed about a dozen relays. It included relays for door lock and unlock, and for the hidden head light covers.

Since I have to do this from memory, tell me which model you have, then lets pick one system and concentrate on that. There's a good chance all the problems are related, and we solve one and the others will work. To start with, I picked the coupe with the most common 2.5L engine. For the rear window, are you referring to the passenger's power window or the rear heated glass?

For the coupe, there was a recall to drill a small drain hole in the bottom of the rocker box to let rain water drain out. If that was never performed, water likely built up and damaged the power window motor.

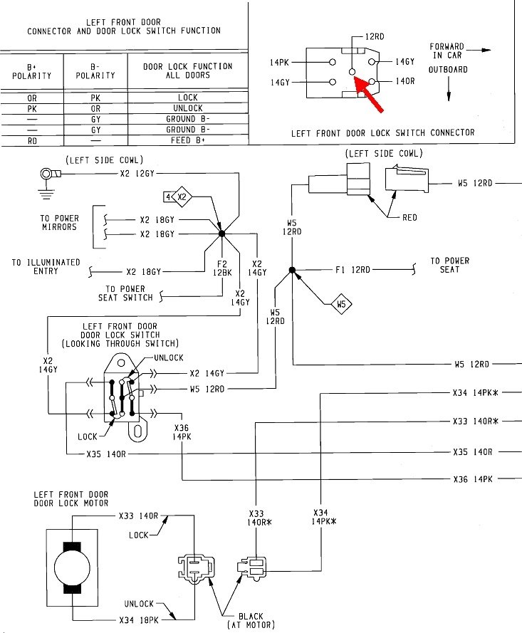
Power window and lock problems can also be caused by broken or frayed wires between the door hinges. That is a good place to start for those two systems. If you find that to be the case, I'll describe how I repair them. Because both systems are considered safety systems, they're protected by auto-resetting circuit breakers instead of fuses. One potential clue to broken wires being shorted together between the door hinges is if you press the lock or unlock switch and hold it for a a few seconds, then feel the circuit breaker, it will feel warm. These circuit breakers don't fail very often on their own, but if the feed wire is shorted to a ground wire between the door hinges, that breaker will be constantly tripping and resetting, and that could lead to arced contacts, then a total failure.

The next place to start is with measuring voltages in these circuits. You'll need a test light or volt meter. If you don't know how to use them, take a look at these articles:

https://www.2carpros.com/articles/how-to-use-a-test-light-circuit-tester

https://www.2carpros.com/articles/how-to-use-a-voltmeter

You can find these tools at Harbor Freight Tools, Walmart, or any hardware store, for less than ten dollars. The best place to take the first reading is on the red wire in the power lock switch connector, but you'll need to figure out how to pop the switch out to get to it. Instead, you can also start at the circuit breaker. Pull it out, then check for 12 volts in its socket. You should find 12 volts on one of the terminals all the time. This is circuit breaker # 8, blue arrow in the third drawing. If you find 12 volts there, we have to get to the switch connector next. 12 volts should also be on the read wire in that connector, (red arrow in the first diagram).
Apr 16, 2020 at 5:47 PM
Advertisement
Avatar
CARADIODOC
  • CERTIFIED EXPERT
  • 34,307 POSTS
Hi KASEKENNY1. I'll let you carry on. I'll dispense my wondrous wisdom and advice if necessary.
Apr 16, 2020 at 5:50 PM