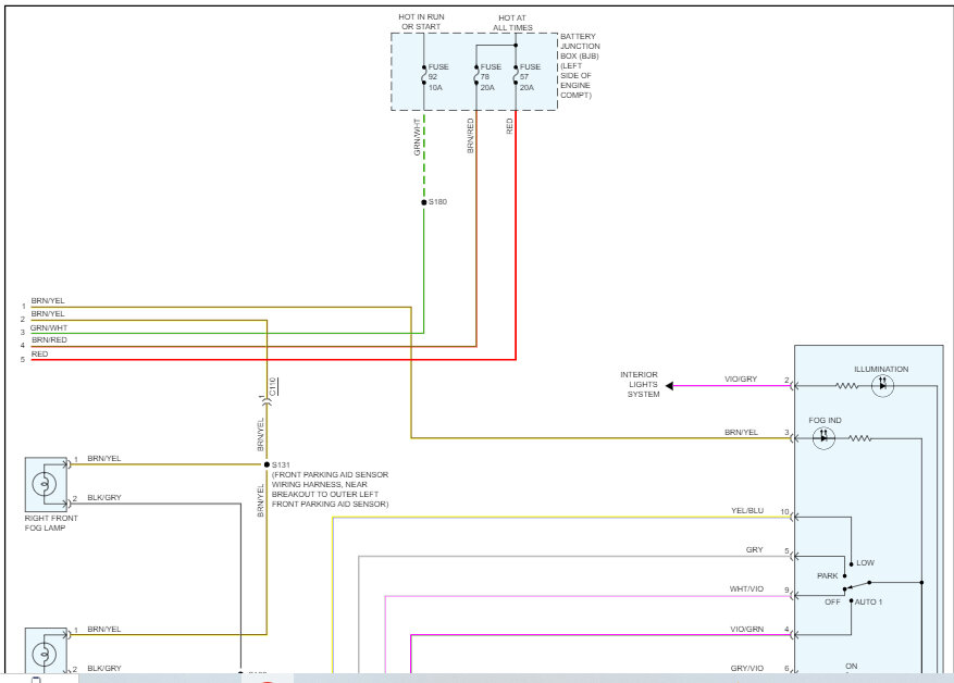
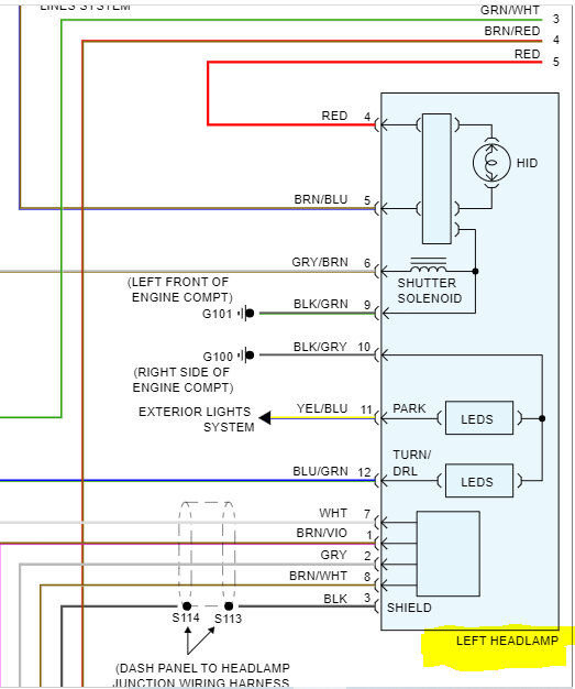
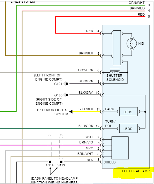
Issues with HID headlight driver's side. Replaced bulb and ballast. Fuse not blown; grounds appear to be good. Does anyone have a wiring diagram for the headlight assembly for the car listed above? Hard to find info on MKS.
Jul 28, 2023 at 6:01 AM




