headlight wire colors?

2001 DODGE DAKOTA
210,000 MILES • 4.7L • V8 • 2WD • AUTOMATIC
Avatar
GARZASOLO26
  • MEMBER
  • 1 POST
Rebuilding

The vehicle listed above 4.7 v8 quad cab.
Driver side headlight wire colors from switch are 3 solid green one green with blk stripe and one violet with white stripe. I don't know which color goes where. There is no harness I'm hooking them direct. My outside marker driver side has 2 wires blk and a blk with yellow stripe. Middle marker 3 wires.
1 green
1 blk/yellow stripe
1 blk
Inside marker 2 wires
1 blk
1 blk yellow stripe
Head light
1 blk
1 blk yellow stripe
1 green
Mar 16, 2025 at 4:45 AM
Advertisement
Avatar
STRAILER
  • CERTIFIED EXPERT
  • 53,854 POSTS
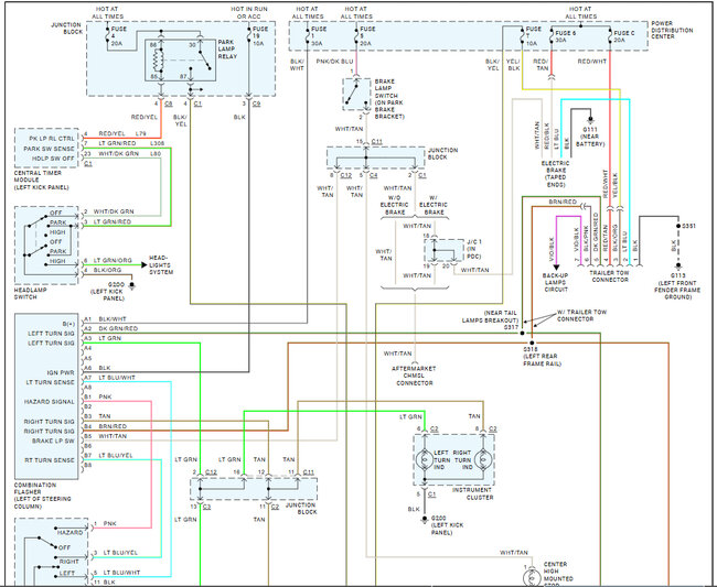
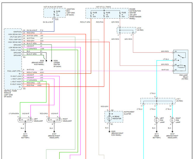
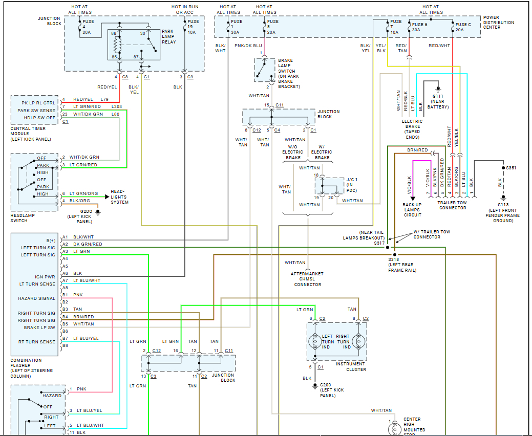
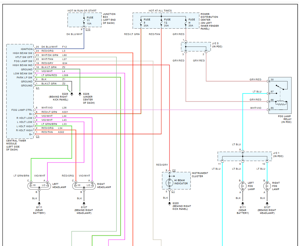
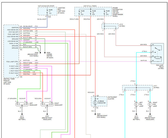
I see the side marker lighting wiring colors which seem to be correct, but I don't see the headlamp color as you have described. here are the wiring diagrams for both the headlights and running lights, (side markers).

This guide will help with the connection testing in case you need it:

https://www.2carpros.com/articles/how-to-check-wiring

Check out the images (below).
Mar 17, 2025 at 10:41 AM