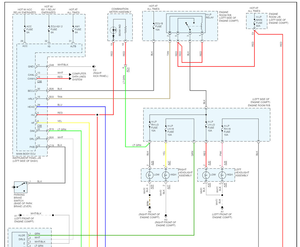
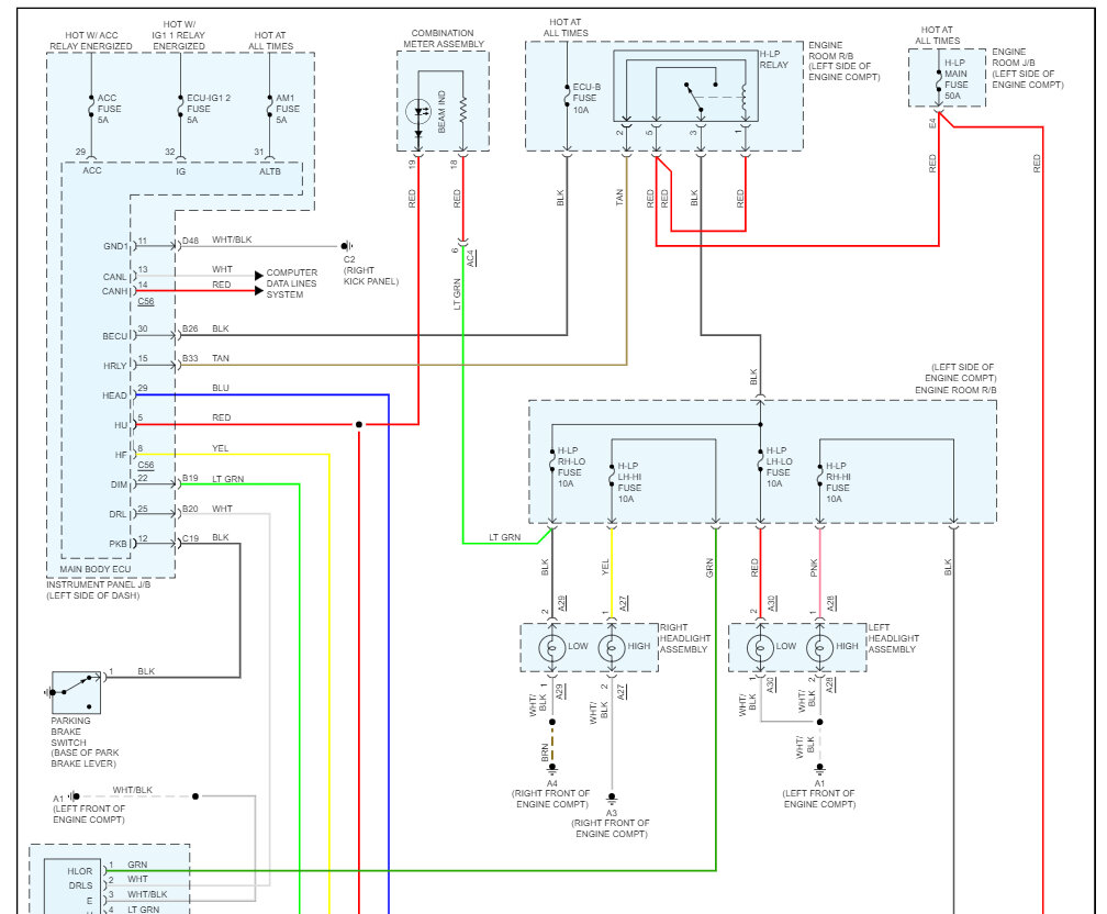
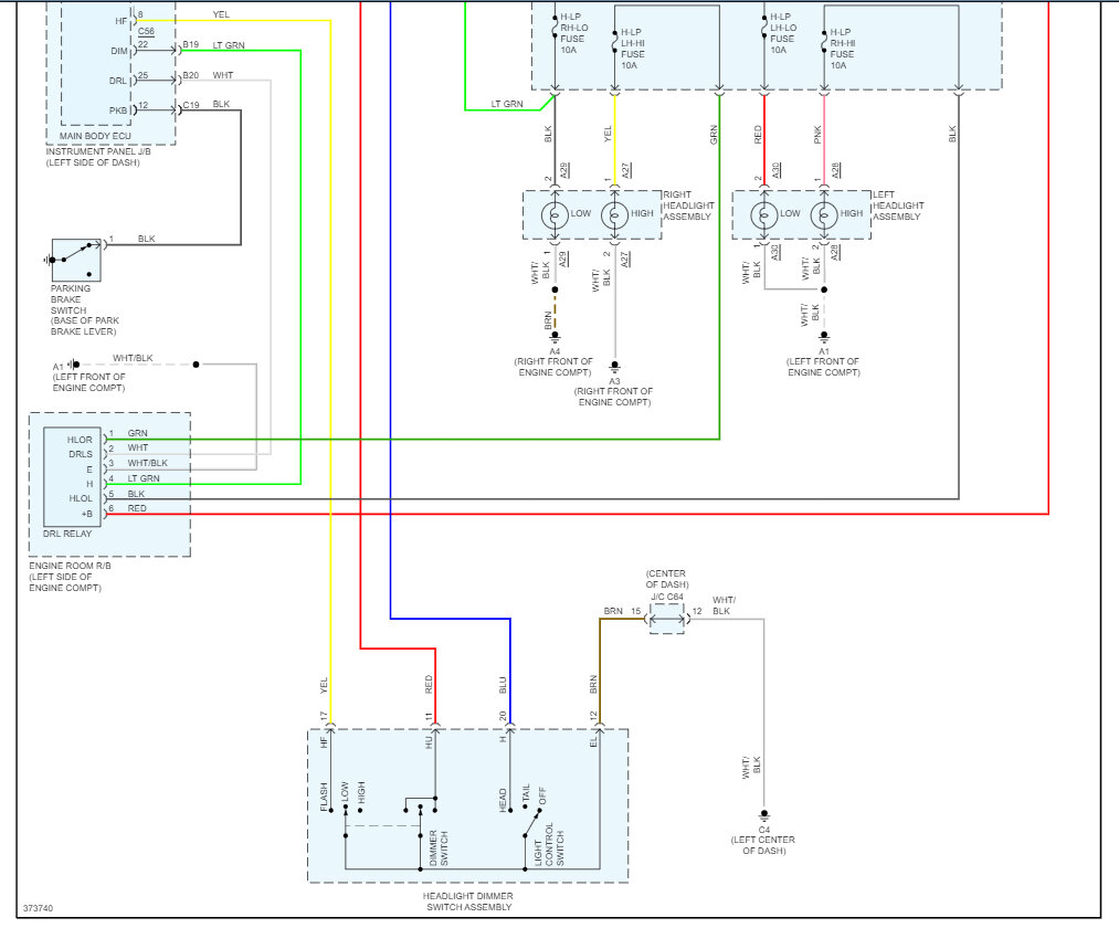
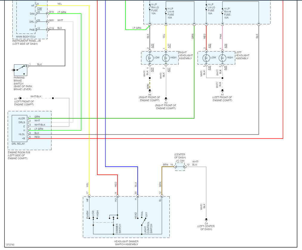
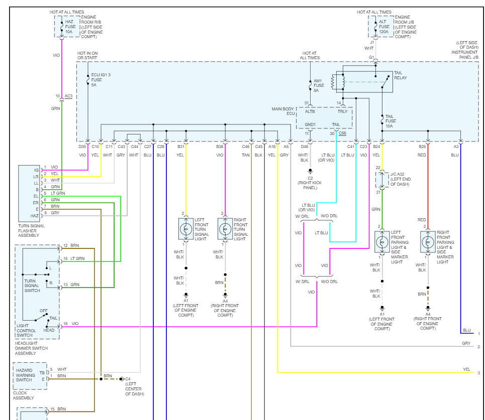
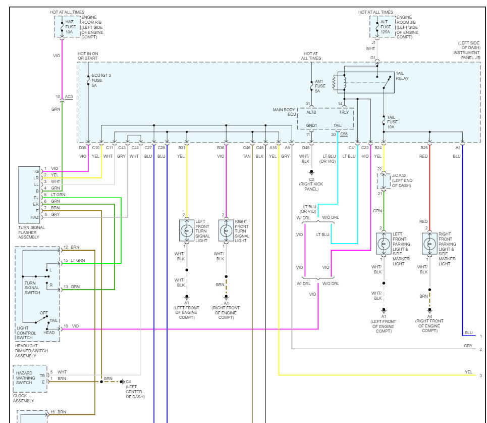
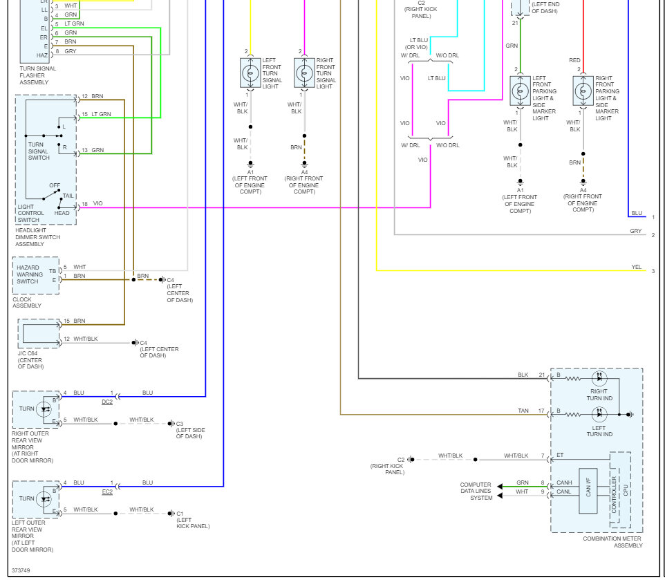
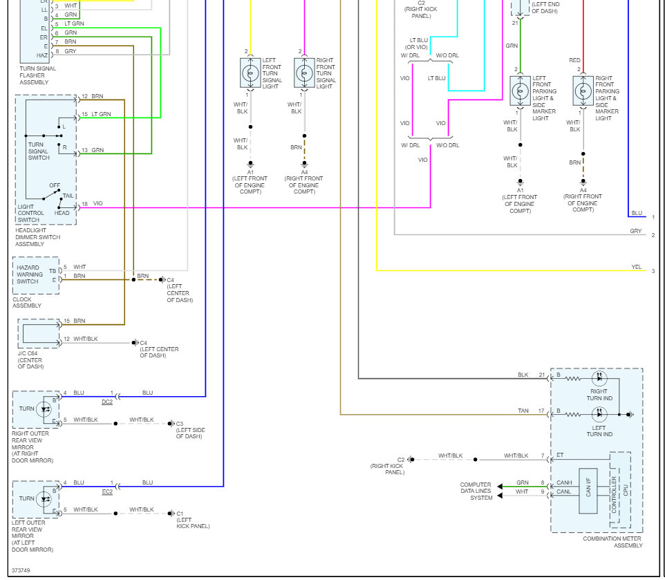
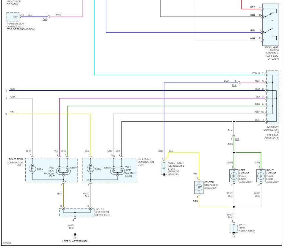
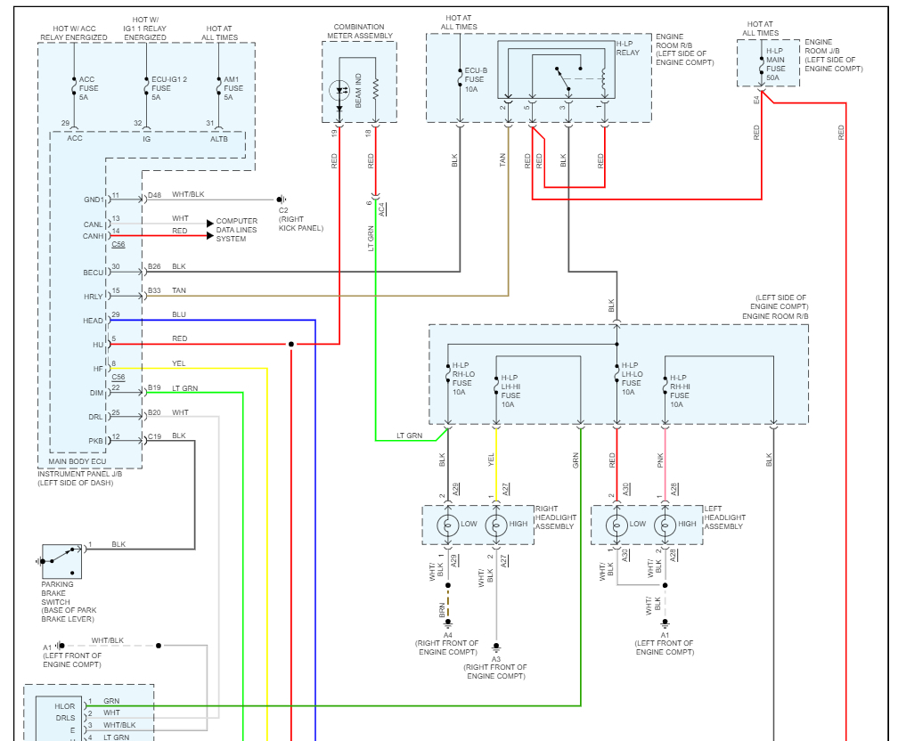
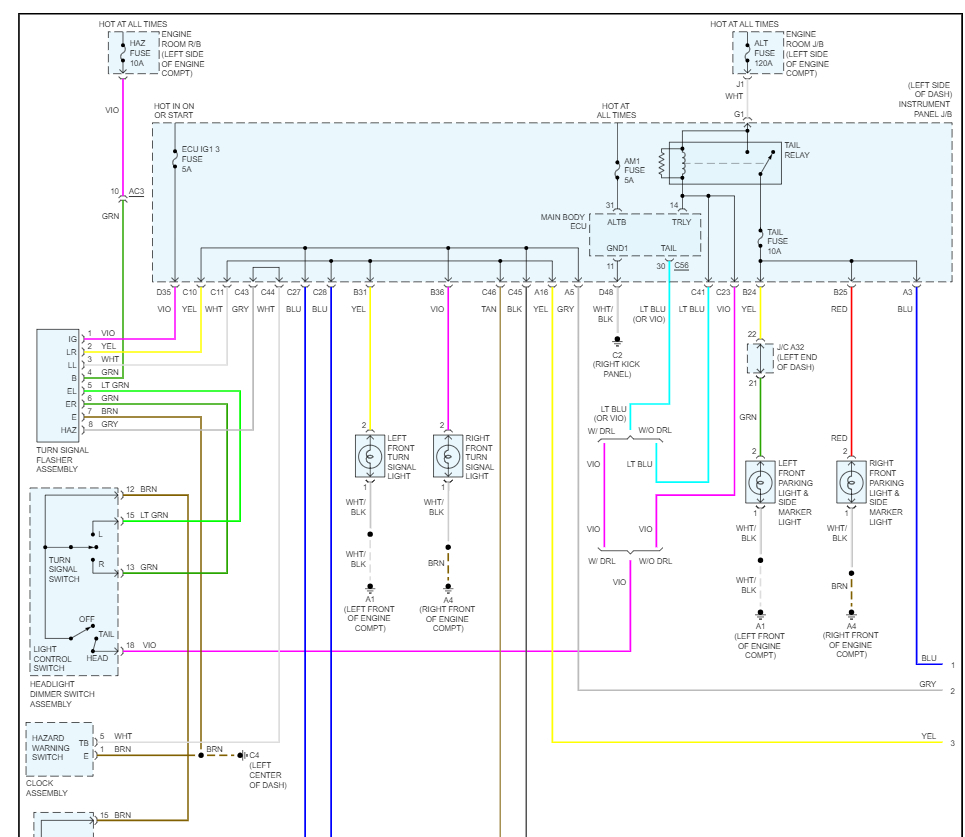
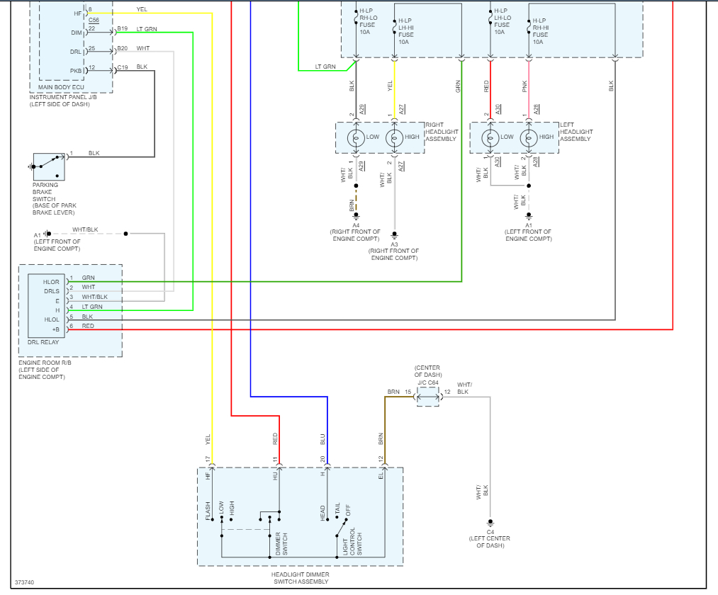
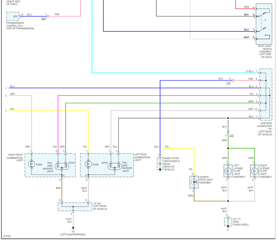
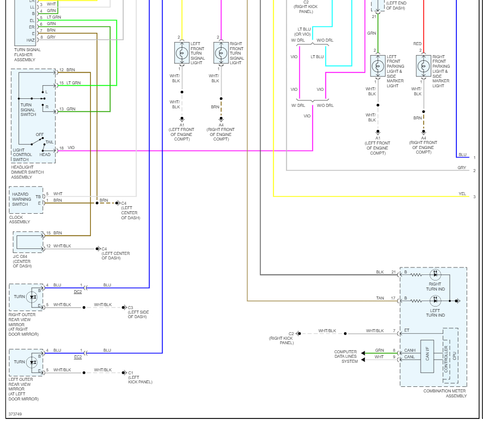
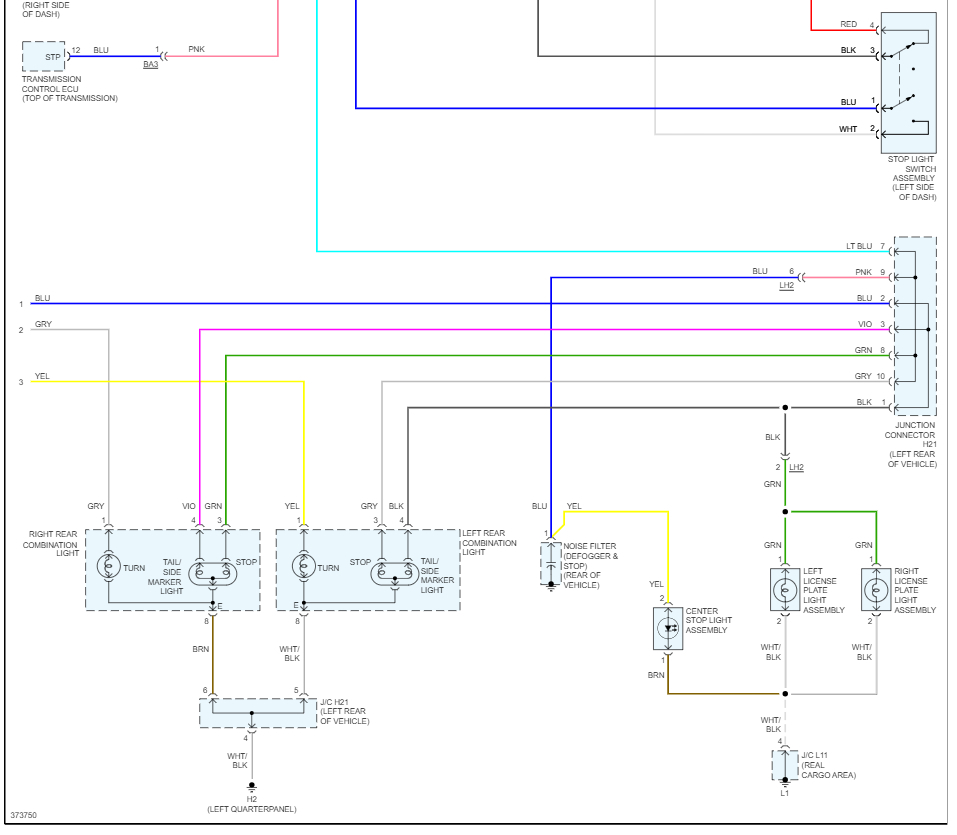
low beams and rear running lights on passenger side used to work until i replaced the high beam headlight connector and now i am completely dead apart from brake lights and blinkers. Have tested it with a multimeter power is making it to the connector, the bulb is brand new - What would cause it to affect the other bulbs/connectors? Please help!!!
Oct 18, 2023 at 5:10 PM





