Hi,
First, and don't laugh, are you sure the bulbs are not bad? I've seen it before and if they aren't, we may have a bigger problem to deal with.
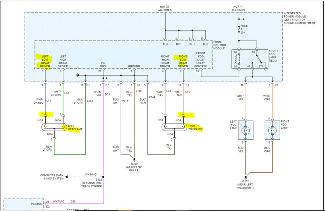
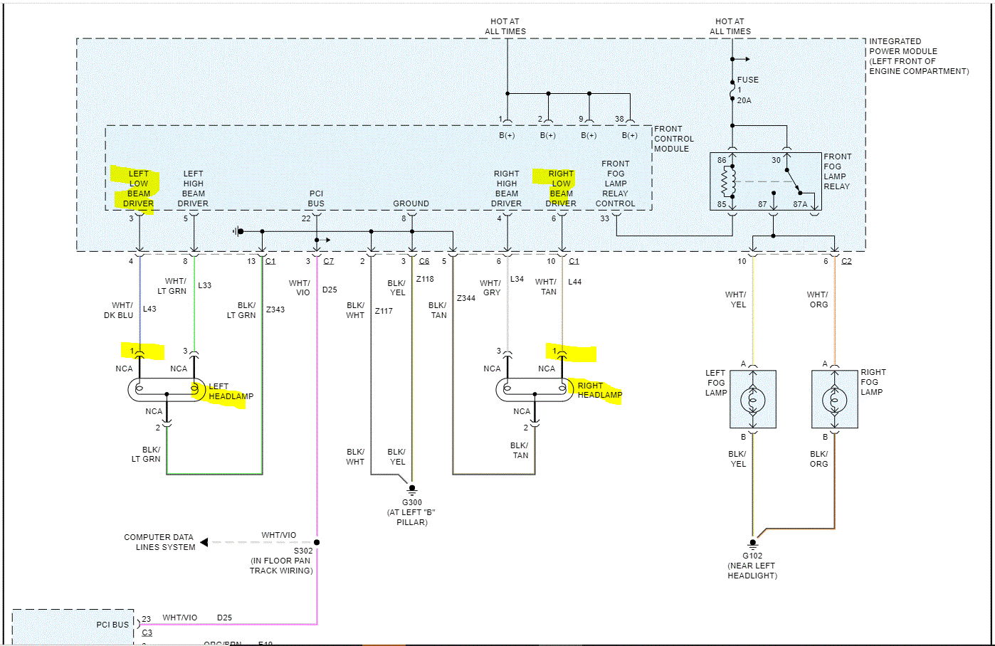
The power for the low beams comes from what is called a totally integrated power module (TIPM). When a low beam is requested, power from the TIPM left and right low beam drivers powers the low beams. So, to confirm that the bulbs aren't the problem, I need you to perform a test.
If you remove the headlamp bulb socket from the rear of the headlamp assembly, locate a white wire with a tan tracer on the right (passenger side) connector and a white wire with a dark blue tracer on the left side. Turn the headlamp lights on low beam. You should have 12v to both of those wires. Testing is done one side at a time. Here is a link you may find helpful when testing. (See wiring schematic below)
https://www.2carpros.com/articles/how-to-check-wiring
If there is power, there is a good chance the bulb (which is a dual-element bulb) may have a bad filament for the low beam. If there is no power, then we need to go to the TIMP and perform testing. The TIPM is part of the fuse box under the hood and is where you place fuses (power distribution box).
The TIPM on this and many Chrysler vehicles have a reputation for failing due to the small pins in the connectors. There are many and because of their size, they are known to break, corrode, and just no longer make a good connection.
Here is the issue. I personally have experienced conditions that when checked for power at the light sockets, I received power, so I thought the bulb was the issue. In some cases, this is incorrect. What I have found is the test light or voltmeter I'm using draws a very, very low amount of power. The circuit was able to handle the draw and show a connection. Once the load from the bulb was placed on the circuit, then it would fail or drop off to a point the light wouldn't turn on.
So, when checking, if you have power when testing and are not sure if the bulb is bad, the easiest thing to do is replace the bulb to make sure it is good, you could check the old bulb for continuity, but I don't know how comfortable you feel doing that, so let me know.
One other point, if it was a ground-related concern, the high beam would be affected as well. So, I don't see that as an issue at this point.
Let me know what you find and what I can do to help.
Take care,
Joe
See pics below.
Images (Click to enlarge)
Dec 17, 2021 at 7:25 PM