☰
Login
Join
×
Home
Answered Questions
Repair Topics
Repair & Service Guides
Popular Questions
Warning Lights
Trouble Codes
How It Works
Testing / Diagnostics
Symptoms
Videos
Login
Become a Member
Home
SAAB
9-3
Exterior Light
Headlight
Relay
Location
Headlight relay location
2005 SAAB 9-3
100,000 MILES • 2.0L • 4 CYL • TURBO • AUTOMATIC
JANKRISTIAN52
MEMBER
1 POST
FOLLOW
Which relay is for headlights?
Nov 12, 2019 at 3:42 AM
Advertisement
KASEKENNY
CERTIFIED EXPERT
18,907 POSTS
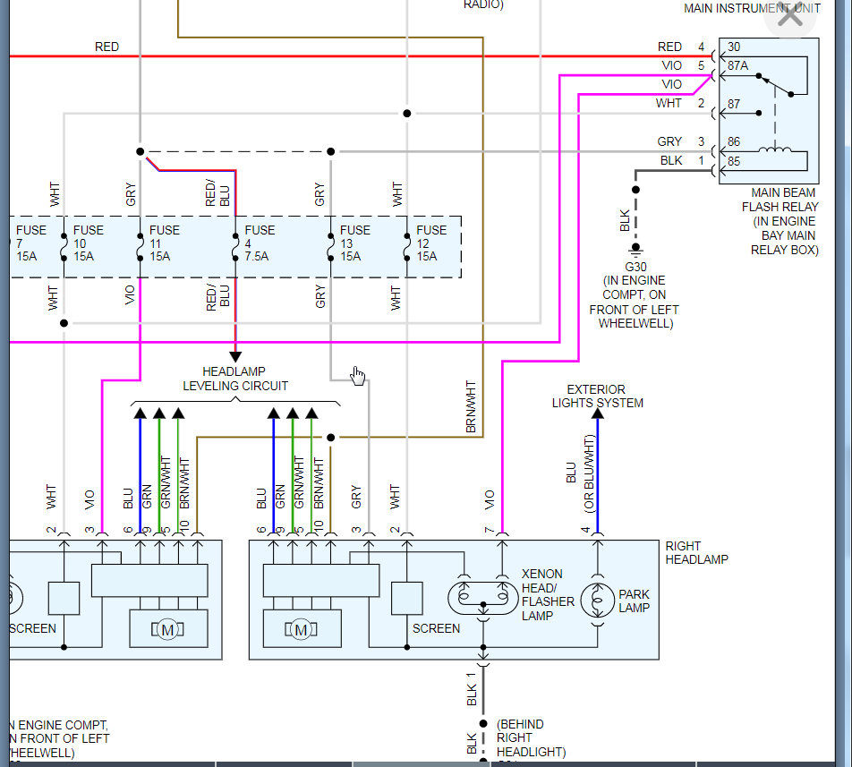
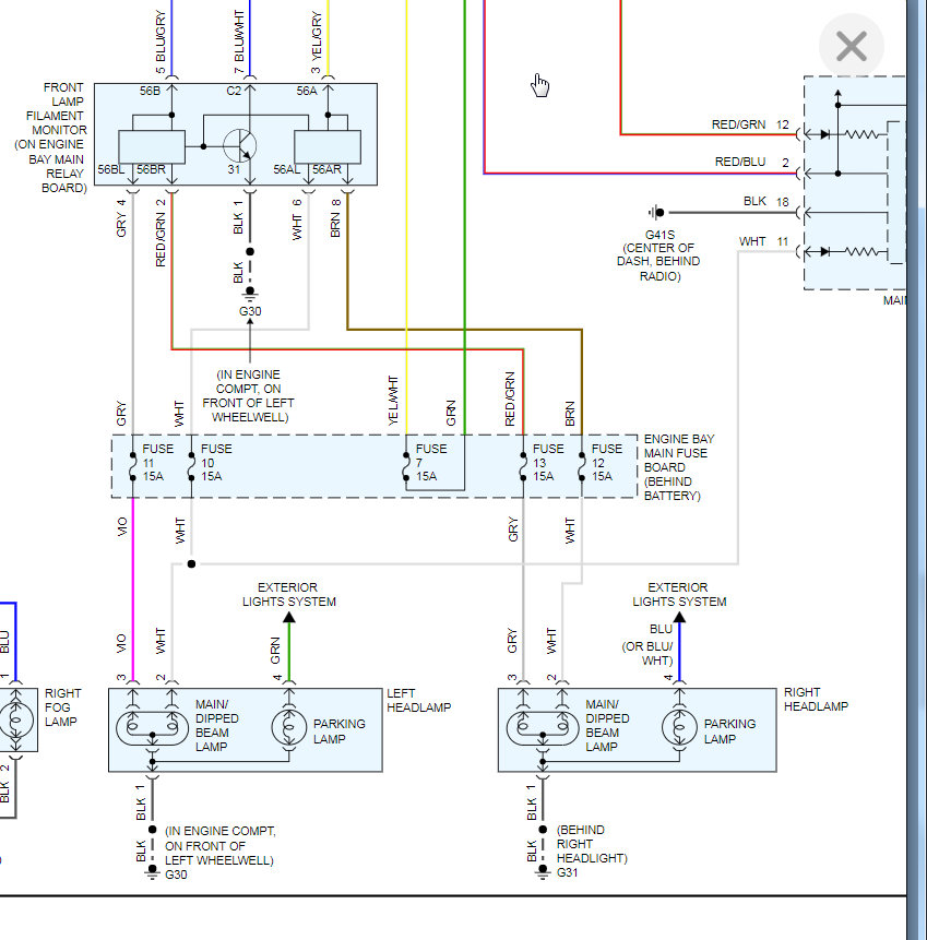
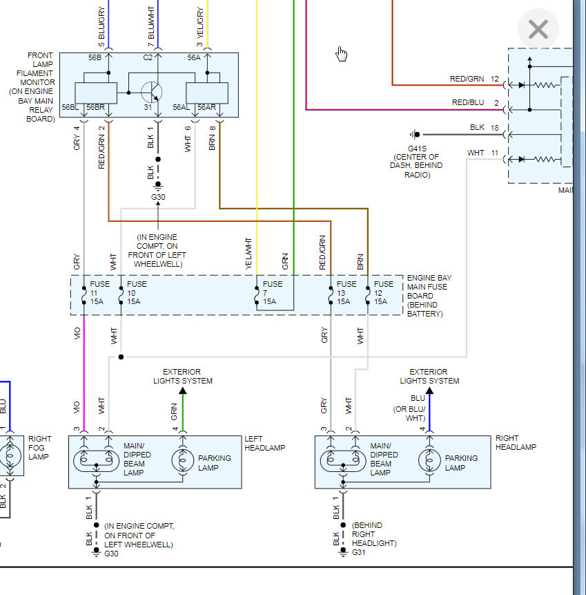
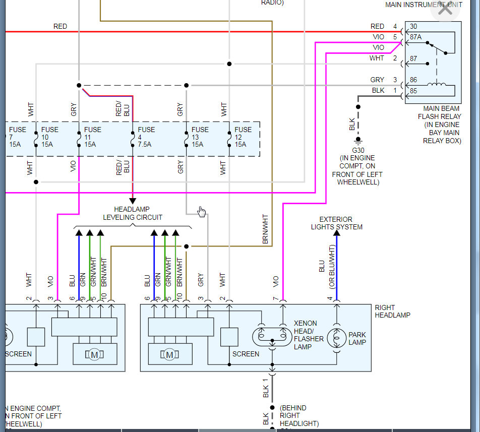
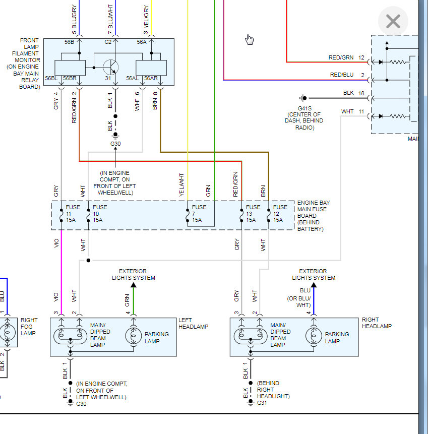
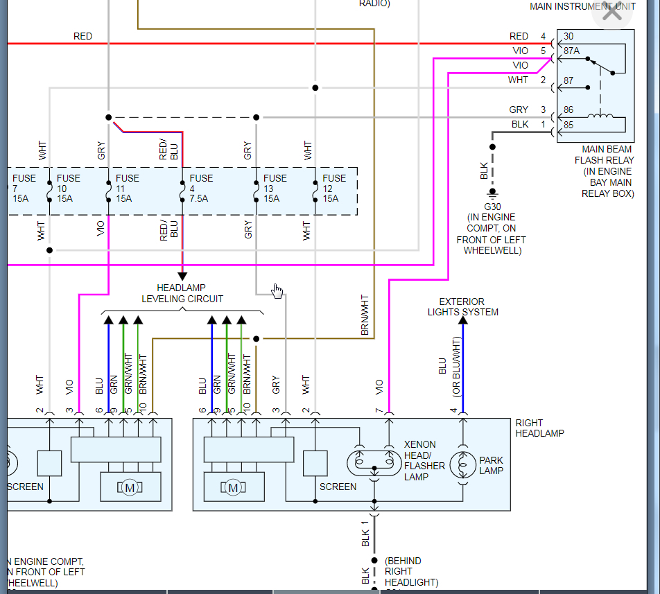
The first wiring diagram is for Xenon lamps and the second is without. Then the rest of the attachments are the various relays. Let me know if you have any other questions. Thanks
Images (Click to enlarge)
Nov 12, 2019 at 2:12 PM