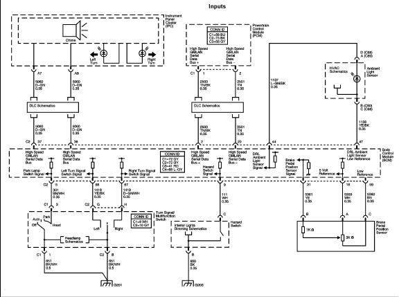
Headlamp wiring harness diagram

2004 CHEVROLET MALIBU
100,000 MILES
Avatar
JOSHUA ROA
  • MEMBER
  • 1 POST
Need diagram of the headlamp wiring harness.
May 19, 2018 at 5:22 PM
Advertisement
Avatar
JACOBANDNICKOLAS
  • CERTIFIED EXPERT
  • 110,175 POSTS
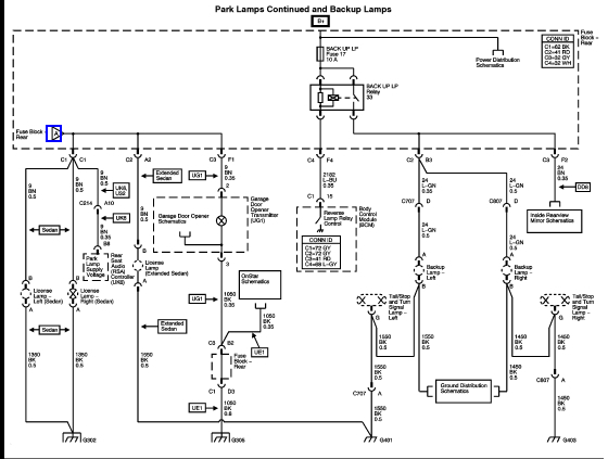
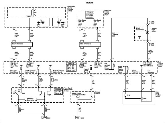
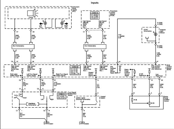
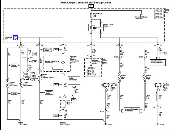
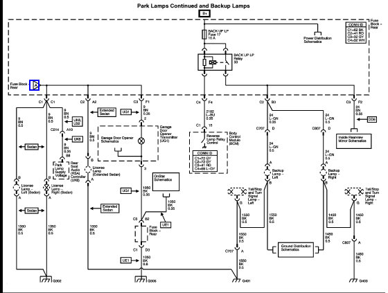
Hi and thanks for using 2CarPros.com. The first schematic I attached is for the head lights. I then attached schematics for all exterior lighting.

I hope this is what you are looking for. Let me know if it helps or if you have other questions.

Take care,
Joe
May 19, 2018 at 10:36 PM