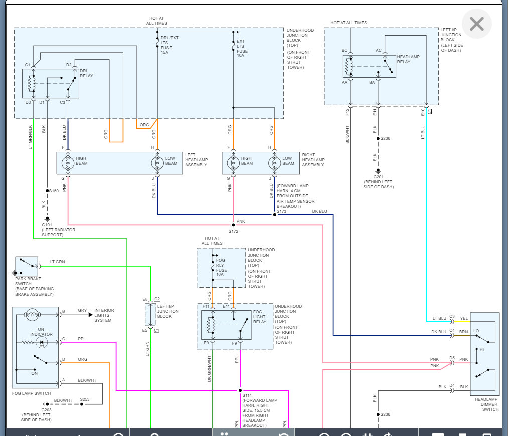
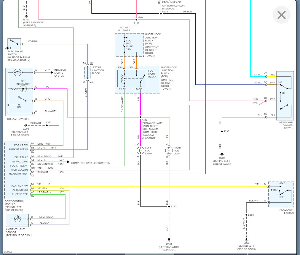
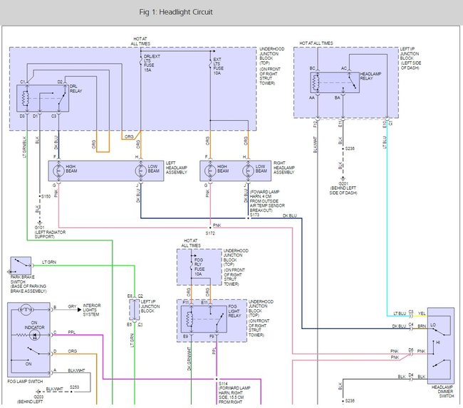
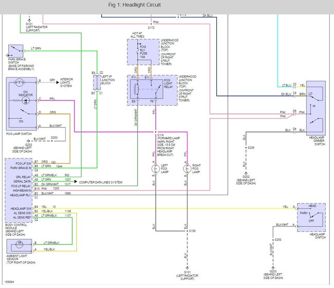
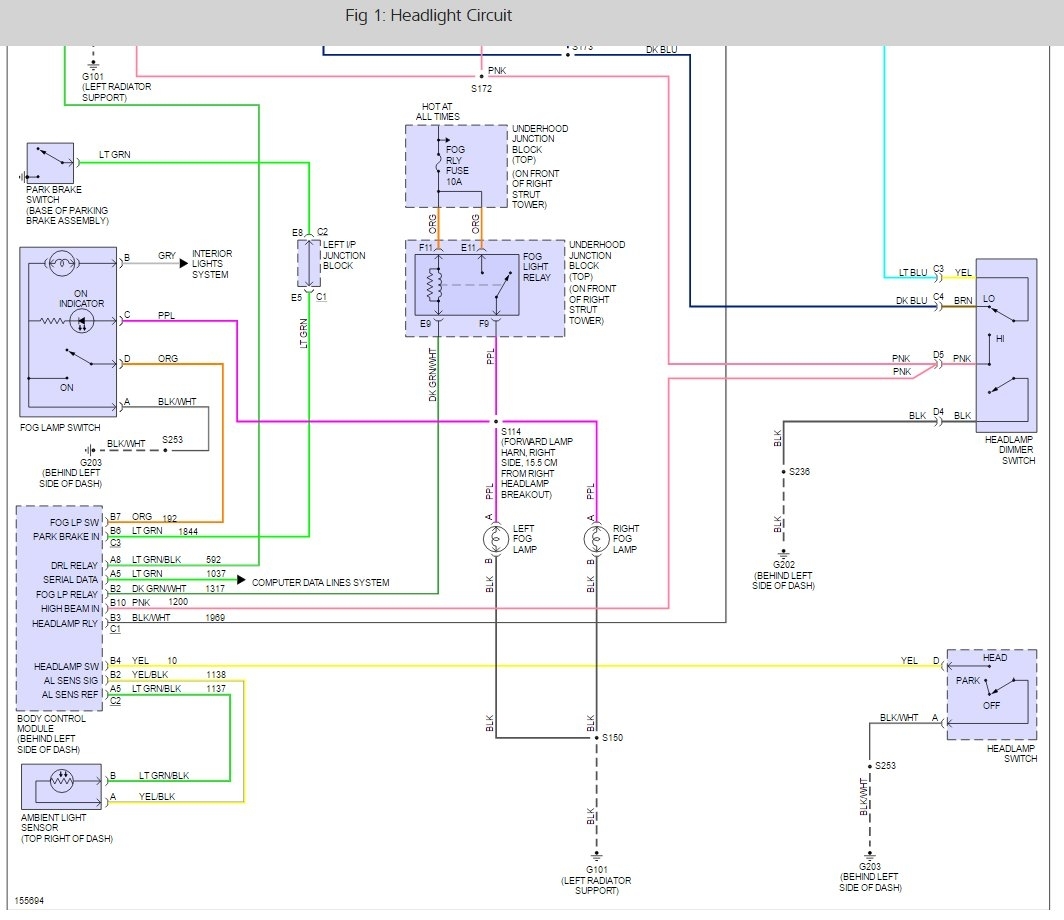
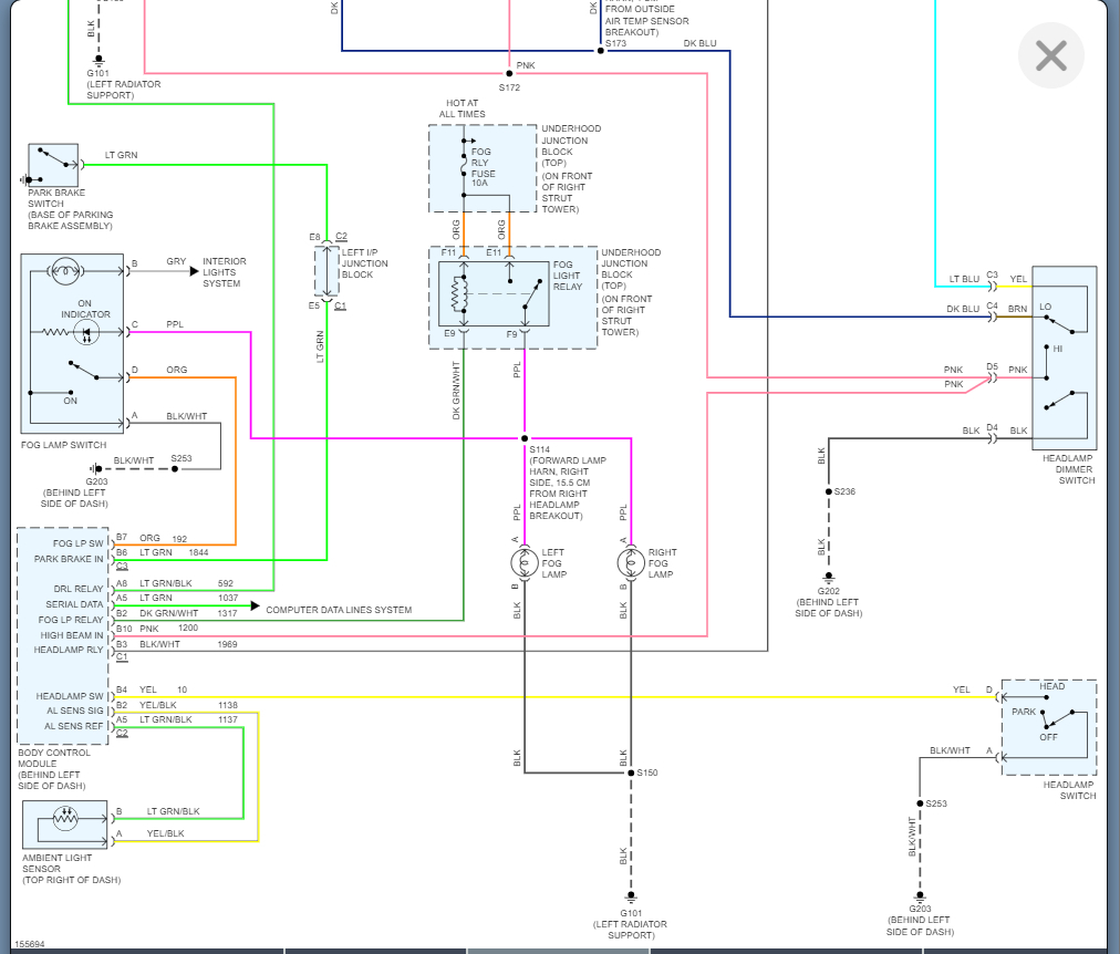
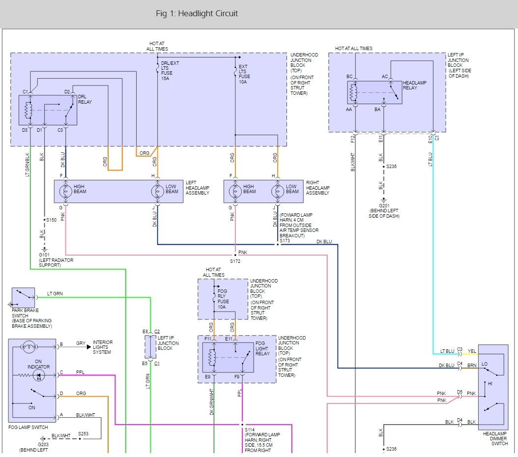
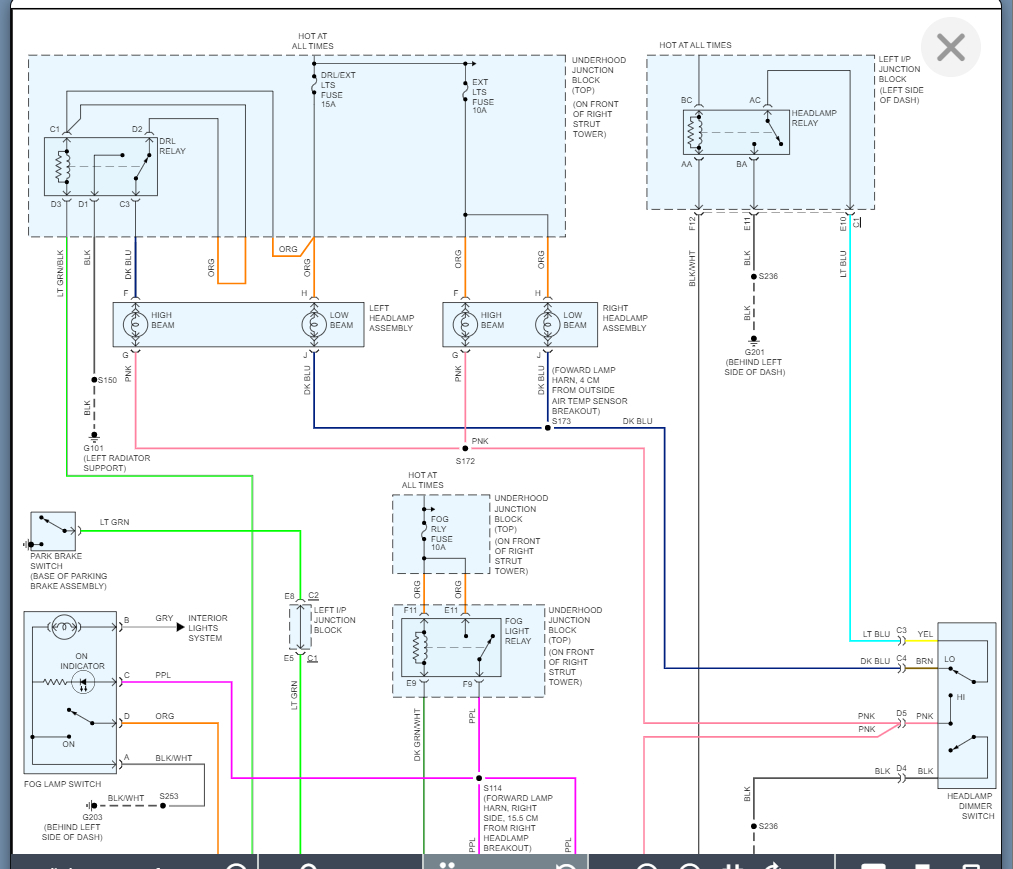
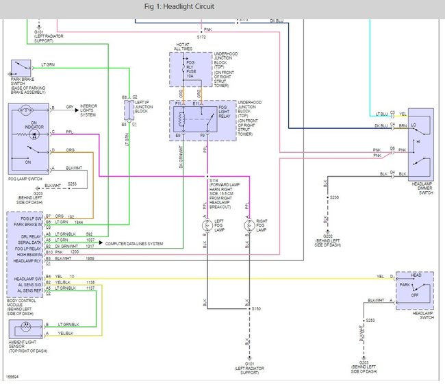
Low beam lights not working. Check the fuses they're good. The manual shows a headlamp relay somewhere in the vehicle I cannot find it. can you help?
Mar 14, 2019 at 6:45 AM










