head gasket replacement instructions

2006 SUBARU IMPREZA
120,000 MILES • 2.5L • 4 CYL • 4WD • AUTOMATIC
Avatar
COLETURNER08
  • MEMBER
  • 22 POSTS
Hello.The head blew on it after it hit a deer and I was wondering if it would be safe to put a 2.2 head on a 2.5? Will it blow a valve or cause any other damage? Or should I stick with the OEM head?? Thank you very much!
Aug 22, 2019 at 1:33 PM
Advertisement
Avatar
ASEMASTER6371
  • CERTIFIED EXPERT
  • 52,796 POSTS
The 2.2 head mixed with the 2.5 head will cause the engine to run rough.

https://www.2carpros.com/articles/how-a-cylinder-head-works

You must use the correct head.

Roy

Cylinder Head

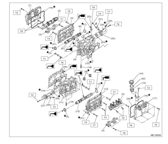
CYLINDER HEAD AND CAMSHAFT
imageOpen In New TabZoom/Print

CYLINDER HEAD AND CAMSHAFT
imageOpen In New TabZoom/Print

CYLINDER HEAD AND VALVE ASSEMBLY
imageOpen In New TabZoom/Print


REMOVAL
1. Remove the V-belts.
2. Remove the crank pulley.
3. Remove the timing belt cover.
4. Remove the timing belt.
5. Remove the cam sprocket.
6. Remove the intake manifold.
7. Remove the bolt which installs the A/C compressor bracket on cylinder head.
8. Remove the valve rocker assembly.
9. Remove the camshaft.
10. Remove the cylinder head bolts in alphabetical sequence as shown in the figure.

NOTE: Leave bolts (a) and (c) engaged by three or four threads to prevent the cylinder head from falling.


imageOpen In New TabZoom/Print


11. While tapping the cylinder head with a plastic hammer, separate it from cylinder block.
12. Remove the bolts (a) and (c) to remove the cylinder head.


imageOpen In New TabZoom/Print


13. Remove the cylinder head gasket.

CAUTION: Be careful not to scratch the mating surface of cylinder head and cylinder block.

14. Similarly, remove the right side cylinder head.

INSTALLATION
1. Install the cylinder head to the cylinder block.

NOTE:
Use new cylinder head gaskets.

CAUTION:
Be careful not to scratch the mating surface of cylinder block and cylinder head.

1. Clean the bolt threads and the bolt holes in the cylinder block.

CAUTION:
To avoid errouneous tightening of the bolts, clean out the holes sufficiently by blowing with compressed air to eliminate engine coolant etc.

2. Apply a sufficient coat of engine oil to washers and bolt thread.
3. Tighten all bolts to 40 Nm (4.1 kgf-m, 29.5 ft-lb) in alphabetical order.
4. Retighten all bolts to 95 Nm (9.7 kgf-m, 70.1 ft-lb) in alphabetical order.

CAUTION: If the bolt makes stick-slip sound during tightening, repeat the procedure from step (1). In this case, the cylinder head gasket can be reused.

5. Loosen off all bolts by 180° in reverse order of installing, and loosen them further by 180°.
6. Tighten all bolts to 10 Nm (1.0 kgf-m, 7.4 ft-lb) in alphabetical order.
7. Retighten all bolts to 30 Nm (3.1 kgf-m, 22.1 ft-lb) in alphabetical order.
8. Retighten all bolts to 60 Nm (6.1 kgf-m, 44.3 ft-lb) in alphabetical order.
9. Retighten all bolts by 80 - 90° in alphabetical order.
10. Retighten all bolts by 40 - 45° in alphabetical order.

CAUTION: The tightening angle of the bolt should not exceed 45°.

11. Retighten bolts (a) and (b) by 40 - 45°.
Feb 7, 2021 at 1:55 PM
Avatar
COLETURNER08
  • MEMBER
  • 22 POSTS
I have a 2006 Subaru Impreza wagon it’s a automatic with a 2.5i motor. I was wondering if I can take a motor out of a 2001-2005 Subaru Impreza Rs Sedan which is also a automatic with a 2.5i motor and swap it with the motor that is currently in my wagon? Is it possible? Is there certain things I have to watch for or am I better of getting a head gasket kits for the 2006? Any information would greatly be appreciated as I need the 2006 to be running before November 25th. Thank you
Feb 8, 2021 at 5:29 PM (Merged)
Advertisement
Avatar
STEVE W.
  • CERTIFIED EXPERT
  • 15,113 POSTS
Welcome back. The interchange shows 2006 as a change year and that the 01-05 will not interchange with it. Overall I would probably recommend that you replace the head gaskets and do the water pump timing belt and anything else needed. It's overall less work than swapping in an unknown engine.
Feb 8, 2021 at 5:29 PM (Merged)
Avatar
GRACEHELEN
  • MEMBER
  • 1 POST
I recenlty bought a 2002 Subaru Impreza Outback Sport w/75,000 miles. I'm getting the common head gasket problem replaced by a Subaru Dealership and was told by a friend it would be a good idea to get the timing belt replaced too. My question is, should I be expected to pay labor fees for getting the timing belt replaced when I'm paying $1300- $1500 for replacing the head gasket? I was told the old belt would need to be taken off to access the head gasket anyway and the same type of labor is involved (?). I also thought I could provide my own belt as well if I can find a good deal online. I would appreciate any help with this dilemma since I don't have much money and I don't want them to think I'm a ditzy girl with uninformed expectations. Thank you.
Feb 8, 2021 at 5:29 PM (Merged)
Avatar
SUBARUANDMERCEDES
  • MEMBER
  • 3 POSTS
[quote:1f6e3edab1="gracehelen"]Engine Mechanical problem
2002 Subaru Impreza 4 cyl All Wheel Drive Automatic 75,000 miles

I recenlty bought a 2002 Subaru Impreza Outback Sport w/75,000 miles. I'm getting the common head gasket problem replaced by a Subaru Dealership and was told by a friend it would be a good idea to get the timing belt replaced too. My question is, should I be expected to pay labor fees for getting the timing belt replaced when I'm paying $1300- $1500 for replacing the head gasket? I was told the old belt would need to be taken off to access the head gasket anyway and the same type of labor is involved (?). I also thought I could provide my own belt as well if I can find a good deal online. I would appreciate any help with this dilemma since I don't have much money and I don't want them to think I'm a ditzy girl with uninformed expectations. Thank you.[/quote:1f6e3edab1]

most places shouldnt chage you any extra. as with you supplying your own timing belt, they wouldnt be able to warranty the belt incase of a failure. and if it fails then you will have bent vavles. i know its probably more but in the endm it would be best to buy a belt from them
Feb 8, 2021 at 5:29 PM (Merged)
Avatar
SUBARU OLY
  • MEMBER
  • 1 POST
My mechanic told me that there is oli on the sparkplugs, and that they need to be replaced. he said that they are fine for now but if it gets worse then the oil could cause misfire and arching... proabley not good. my question is how long can i drive with this issue... i was quoted cheap for parts but almost $850 for labor... he said it is because the engin needs to come out to replace these seals and gaskets... how many miles can be put on before this need to be done?
Feb 8, 2021 at 5:29 PM (Merged)
Avatar
SUBARUANDMERCEDES
  • MEMBER
  • 3 POSTS
this is a common occurance with subaru engines. its from the spark plug oil seals leaking. you replace them when you replace the valve cover gaskets. you do NOT have to remove the engine to do this repair. as far as how long you can drive with oil on the spark plugs.. it depends on if you notice misfires. once the misfires start i would suggest to replace valve cover gaskets, spark plug oil seals, spark plugs and spark plug wires also.
Feb 8, 2021 at 5:29 PM (Merged)
Avatar
SURPRISE902
  • MEMBER
  • 1 POST
I purchased the car from a reliable local dealer almost 4 years ago. It had
been a leased car turned in at 30,000+ miles - was not under warranty..
As I do not drive very much, the car now has 48,691 miles on it.
I learned today that it has a "left head gasket leaking coolant".
Is this an unusual problem for its age and mileage?
I suspect the repair will be very expensive - right?
Thank you
Greta
Feb 8, 2021 at 5:30 PM (Merged)
Avatar
ARC_55
  • MEMBER
  • 66 POSTS
subarus are very common for cylinder head gaskets and i don't find this unsual at all. I am not sure the average cost of the cylinder head gasket replacement as you would have to get quoted by your trusted local shop. Now you can simply replce the one cylinder head gasket that is leaking but i would recommend doing both.

Subaru then has an addative to put into the coolant to prevent premature issues like this.

The sohc takes less labour because you do not have to remove the camshaft where as the dohc you do to access the head bolts.
Feb 8, 2021 at 5:30 PM (Merged)
Avatar
BENCOOK1
  • MEMBER
  • 1 POST
I have an import Imsreza sti which is pushing water out of the radiator. I believe this means the head gasket has given up the ghost but are there any othercauses youcan think of? Also if the head gasket has gone would you be able to tell me what is involved in putting it right and make any reccomendations on good places to have it done. I have recently been made redundant so it is really bed timing. Also what do you think the sale value would be with the head gasket broken?
Feb 8, 2021 at 5:30 PM (Merged)
Avatar
ARC_55
  • MEMBER
  • 66 POSTS
pushing coolant out means combustion pressure is getting into the cooling system rasing the pressure sigificantly pushing the coolant out.

I wouldn;t imagine the resale value being very high with something like this labour intensive. It is a fairly big job but get a quote from some local shops and see what dollar figure yout looking at.
Feb 8, 2021 at 5:30 PM (Merged)
Avatar
PAIGE.GRENFELL123
  • MEMBER
  • 2 POSTS
i currently have a 1.8 L in my car but have been told a front cut will be the cheapest option as a also need new rotors, brkae pads and CV joints. what is the best engine to put in this car.
when the subaru mechanics looked at it, they told me i had a rock/stone in my hed which is why the gasket has blown. how did a rock manage to get inside my engine to cause this damage?
Feb 8, 2021 at 5:30 PM (Merged)
Avatar
RASMATAZ
  • CERTIFIED EXPERT
  • 75,992 POSTS
If its just a blown headgasket you don't need another engine have the head resurface and get them to finish the job
Feb 8, 2021 at 5:30 PM (Merged)
Avatar
PAIGE.GRENFELL123
  • MEMBER
  • 2 POSTS
ok thankyou,
how did a rock manage to get inside the engine though?
Feb 8, 2021 at 5:30 PM (Merged)
Avatar
RASMATAZ
  • CERTIFIED EXPERT
  • 75,992 POSTS
Lol, I don't know, it must have jumped in there through the exhaust system and then to the combustion chamber. Very weird to happen.
Feb 8, 2021 at 5:30 PM (Merged)
Avatar
ASEMASTER6371
  • CERTIFIED EXPERT
  • 52,796 POSTS
Good morning,

It may not be a rock. It may be a chunk of carbon form the engine.

Can you post a picture of this rock?

Roy
Feb 11, 2021 at 1:12 AM