Radio wiring diagrams please?

2022 KIA SPORTAGE
36,000 MILES • 2.4L • 4 CYL • 2WD • AUTOMATIC
Avatar
GJ012662
  • MEMBER
  • 5 POSTS
The vehicle listed above is an LX model. The head unit number is 96160-D9220FHV. I found a head unit from another Kia not sure what model but a 2021 or 2022 with part number 96560-D9950FHV. The new head unit has NAV and Sat radio. I have the correct antenna replaced also. I got everything to work with no problem except for sound. I'm not sure if it is a wiring problem or a head unit issue. Need a wiring diagram for both. Also, the new radio has a plug for the CAN to chassis high and low. I did not connect to this. If I need to where can I tap off. Thanks.
Jul 30, 2023 at 5:24 PM
Advertisement
Avatar
STRAILER
  • CERTIFIED EXPERT
  • 53,854 POSTS
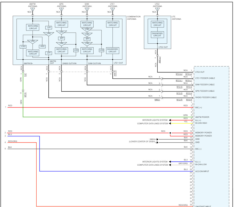
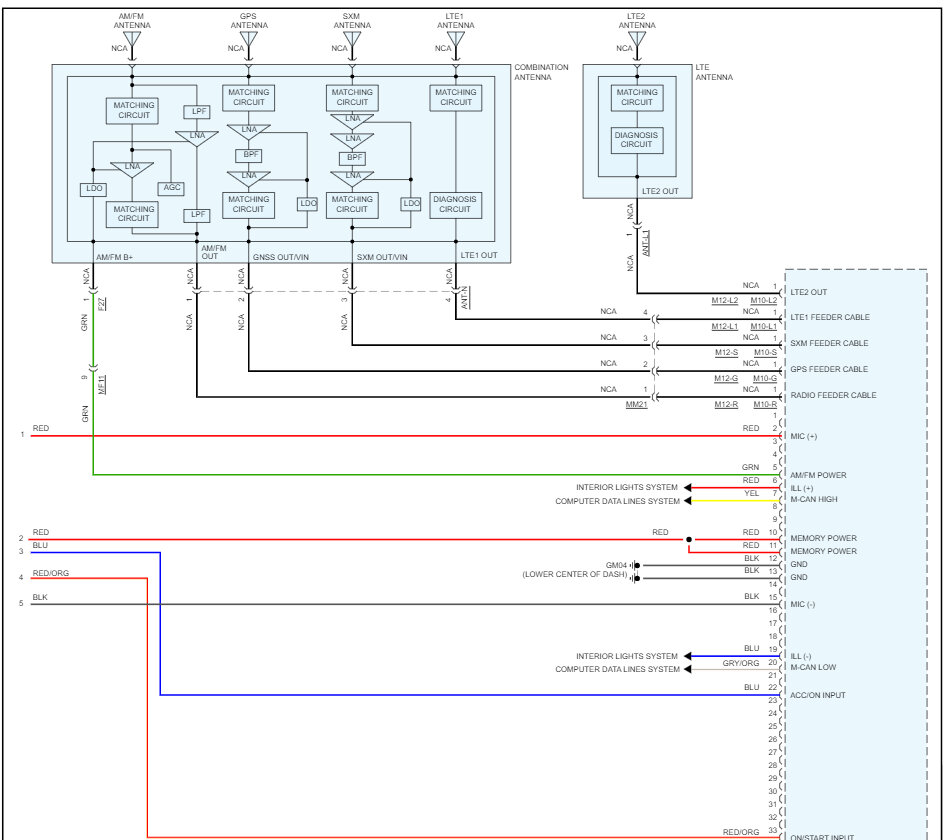
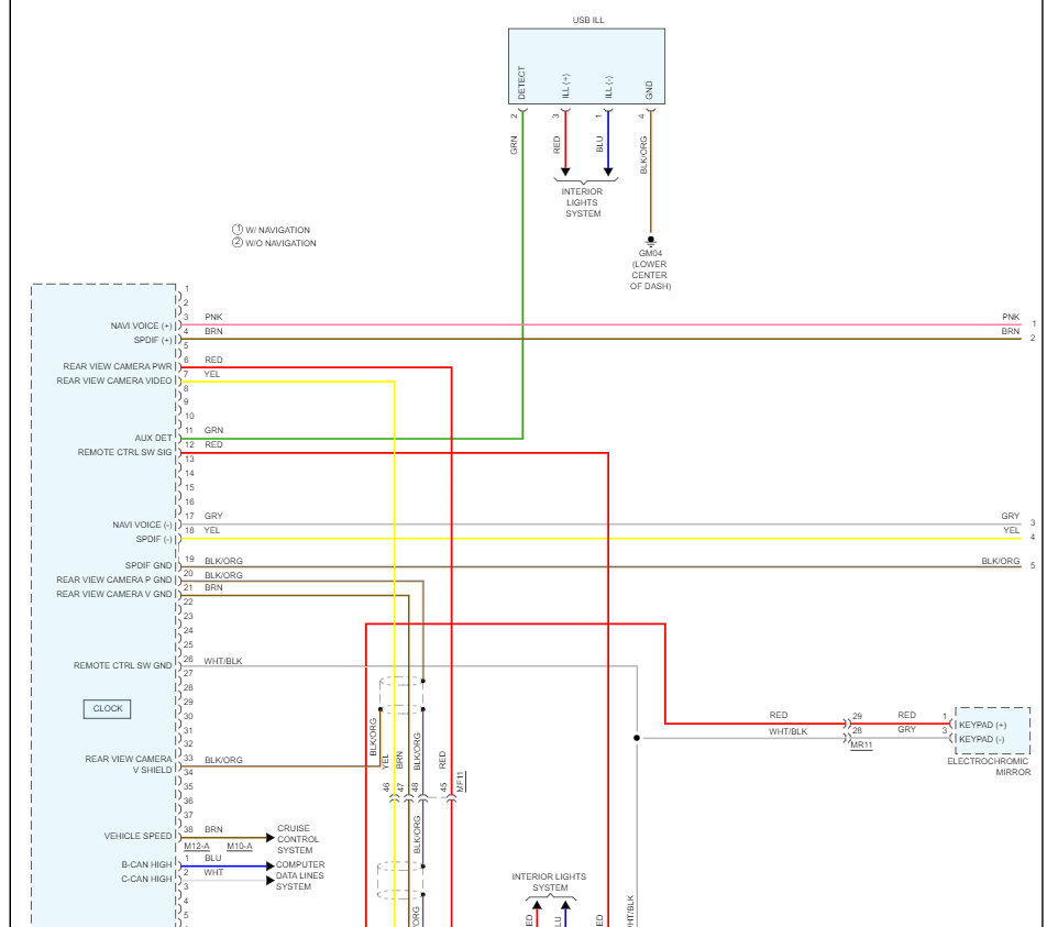
Here are the radio wiring diagrams so you can see how the system works and which wires need to be connected. This guide can help you test the connections

https://www.2carpros.com/articles/how-to-check-wiring

Check out the images (below). Please let us know if you need anything else to get the problem fixed.
Jul 31, 2023 at 12:40 PM
Avatar
GJ012662
  • MEMBER
  • 5 POSTS
Thanks Ken. I will look at this and let you know how it goes. Any idea where I can connect to the CAN?
Jul 31, 2023 at 1:15 PM
Advertisement
Avatar
STRAILER
  • CERTIFIED EXPERT
  • 53,854 POSTS
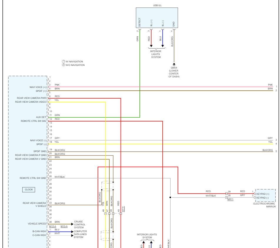
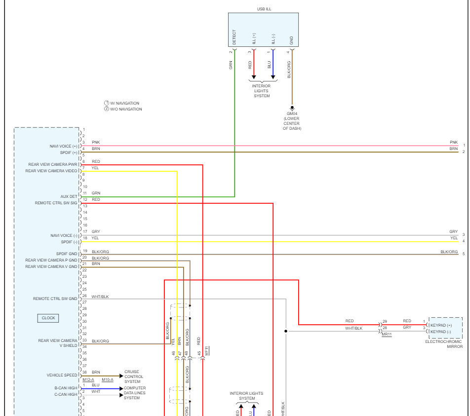
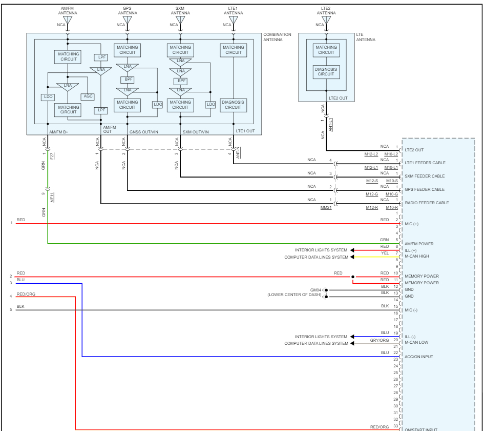
Here are the CAN network wiring diagrams so you can find where to tap into the CAN. Check out the images (below). Please let us know if you need anything else to get the problem fixed.
Aug 1, 2023 at 9:59 AM
Avatar
GJ012662
  • MEMBER
  • 5 POSTS
I will check it out and respond back. I did find a picture of the radio head unit pinouts if you want me to send to you.
Aug 1, 2023 at 10:04 AM
Avatar
GJ012662
  • MEMBER
  • 5 POSTS
All the wiring has checked out and I still have no sound. Everything else works. The only thing I did not connect was the C-CAN connections. Will this prevent the sound? Does Kia put some kind of protection so you cannot upgrade the radio with another OEM radio?
Aug 2, 2023 at 4:57 PM
Avatar
STRAILER
  • CERTIFIED EXPERT
  • 53,854 POSTS
Not that I know of, did you get a defective head unit?
Aug 3, 2023 at 10:15 AM
Avatar
GJ012662
  • MEMBER
  • 5 POSTS
No. I tried another one. I think the problem may be that the old unit without nav and satellite had a. built in AMP and the one with nav and satellite I am replacing it with maybe does not. I am going to check my car to see if there is an amp. I will let you know later today.
Aug 3, 2023 at 10:17 AM
Avatar
STRAILER
  • CERTIFIED EXPERT
  • 53,854 POSTS
I think you might be correct, let me know what happens.
Aug 4, 2023 at 10:03 AM
Avatar
STRAILER
  • CERTIFIED EXPERT
  • 53,854 POSTS
anything?
May 6, 2024 at 12:10 PM