Hi,
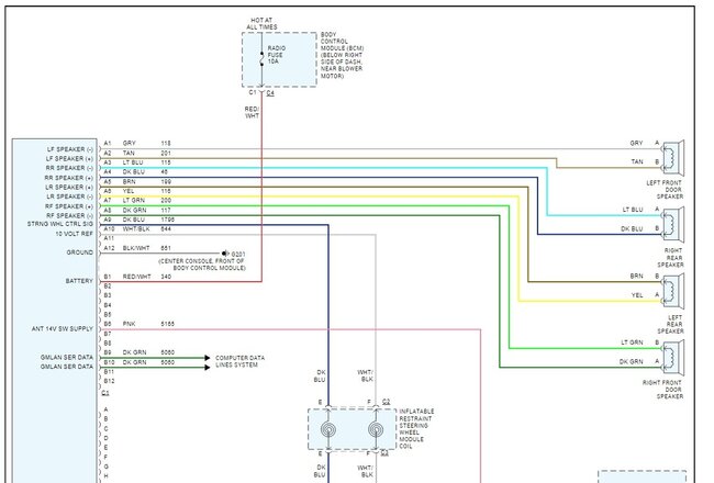
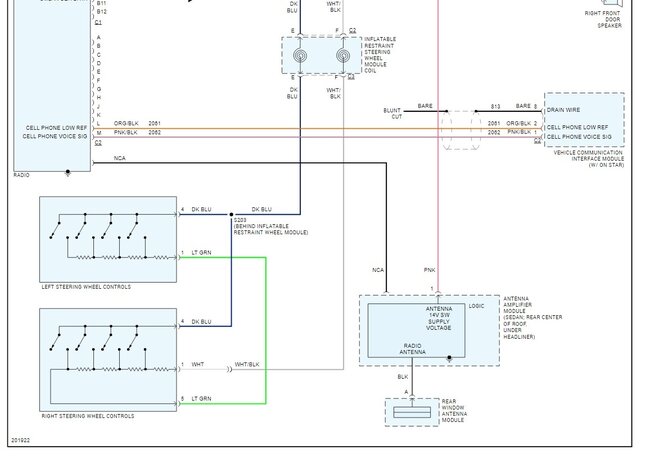
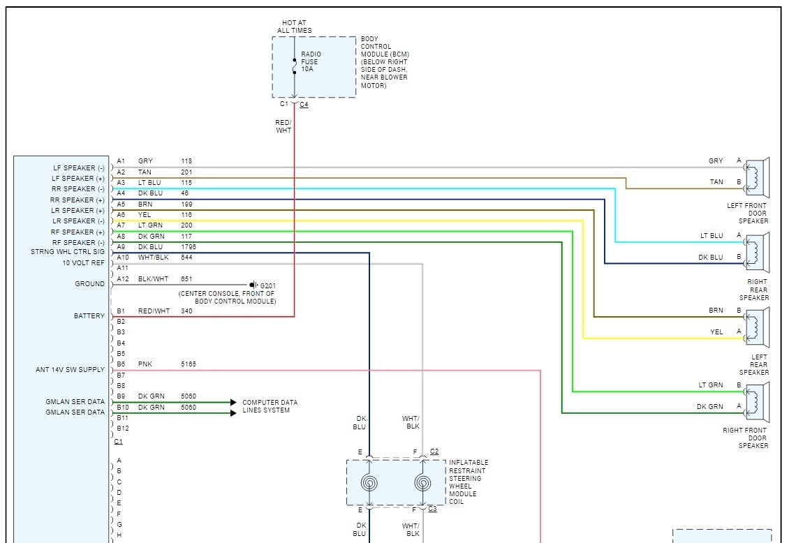
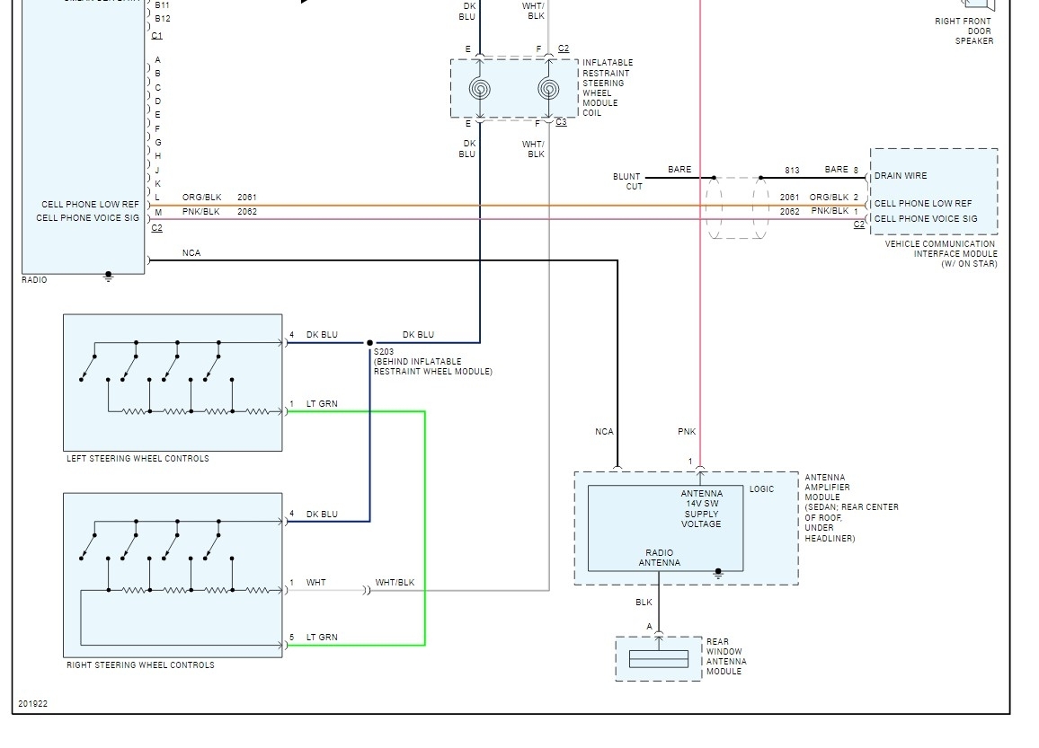
I am trying to put a head unit in my car but need to know what wire is what. I guess my question is can I have the wiring diagram for my car listed above? My car is a classic, i don't know if that matters or not.
I am trying to put a head unit in my car but need to know what wire is what. I guess my question is can I have the wiring diagram for my car listed above? My car is a classic, i don't know if that matters or not.
Apr 17, 2024 at 4:11 PM




