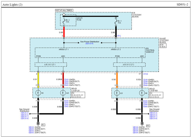
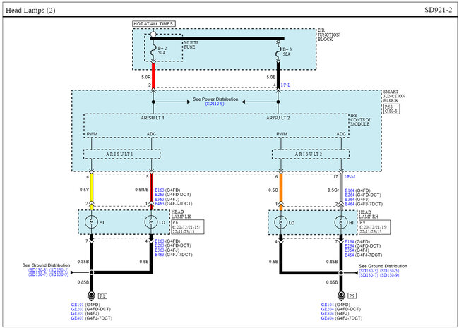
The headlights on your vehicle are computer controlled. There is no separate fuse just for the high beams. Based on the information I have; my first instinct would be a failed multifunction switch. I have included wiring diagrams and a component test which covers both auto lamps and non-auto. I hope this gets you headed in the right direction, please let me know what you find.
Images (Click to enlarge)
Jul 1, 2023 at 6:41 AM