Head light, turn signal, and marker lights wiring diagram needed?

1994 CHEVROLET S-10
180,000 MILES • 5.7L • V6 • 4WD • AUTOMATIC
Avatar
S-10 STEVE
  • MEMBER
  • 1 POST
I have the truck listed above. I bought it in March of. 2021. So, when I bought it, it had a V8 in it. The headlight wiring under the hood was a complete mess and has been like this. It’s about it and I want to change the wires out it's just a complete mess. So, I got a different wiring harness from where the wires come into the hood area to the headlights, turn signals and marker lights, but I don’t know what wires are what. I know there’s a washer pump they’re under the hood as well as the horn and I believe maybe monitoring for the four-wheel-drive actuator maybe.? so, I need to know what wires need to be hooked up to wire is coming out of the body of the truck.
Apr 13, 2025 at 4:07 PM
Advertisement
Avatar
STRAILER
  • CERTIFIED EXPERT
  • 53,855 POSTS
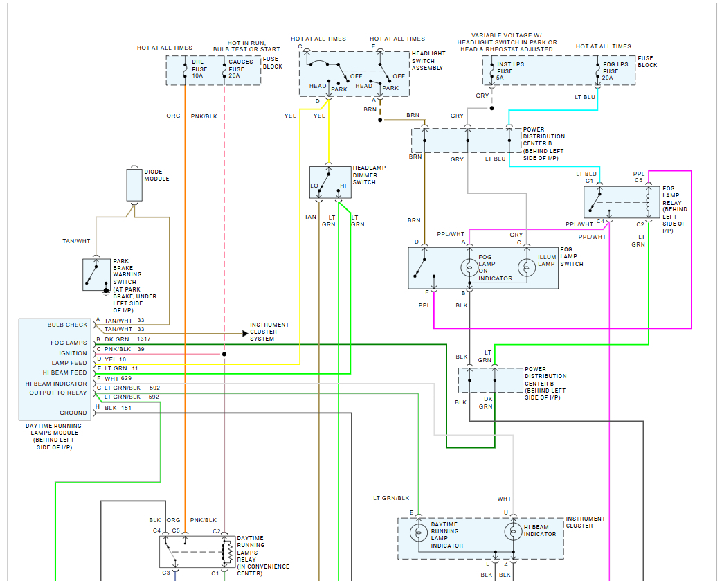
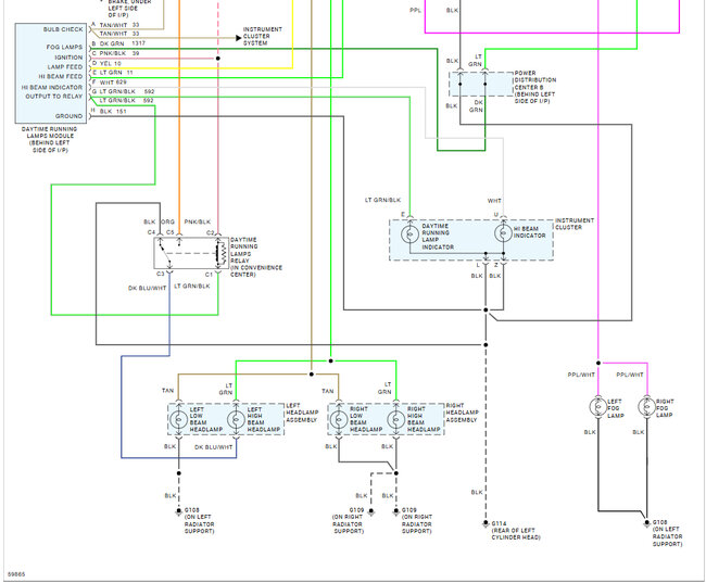
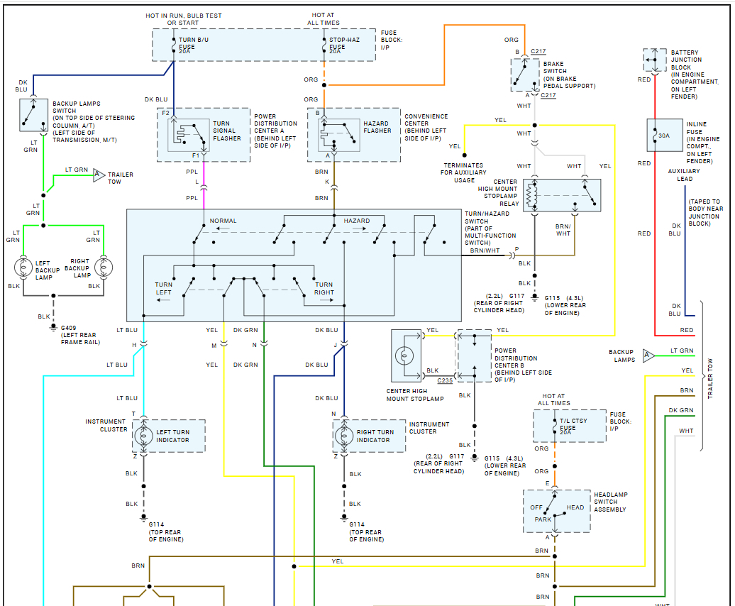
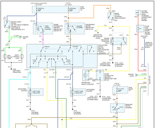
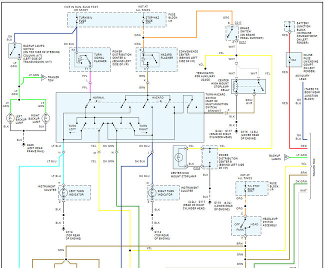
Yep, it sounds like you have a project in front of you, here are the wiring diagrams for the headlights and exterior lights so you can start the repairs. This guide is so you can test the wiring once you have completed.

https://www.2carpros.com/articles/how-to-check-wiring

Check out the images (below). Let us know if you need anything else.
Apr 14, 2025 at 11:57 AM