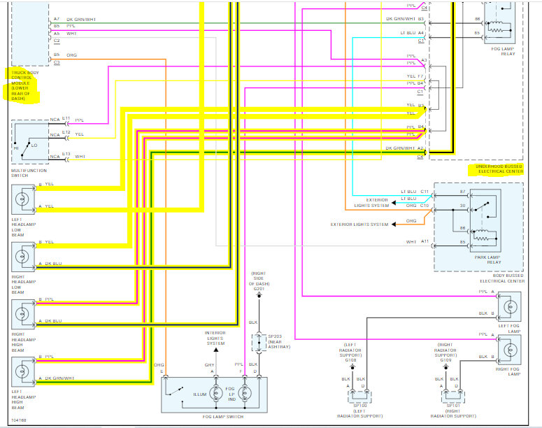
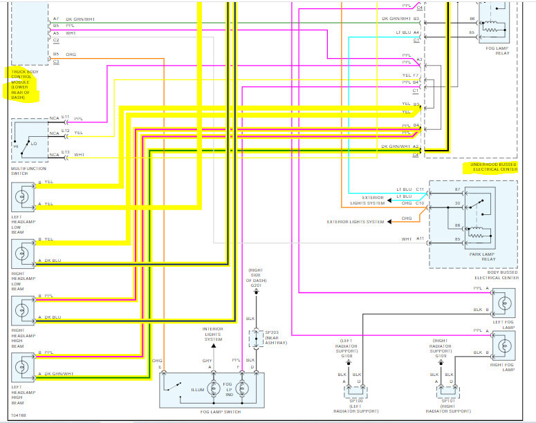
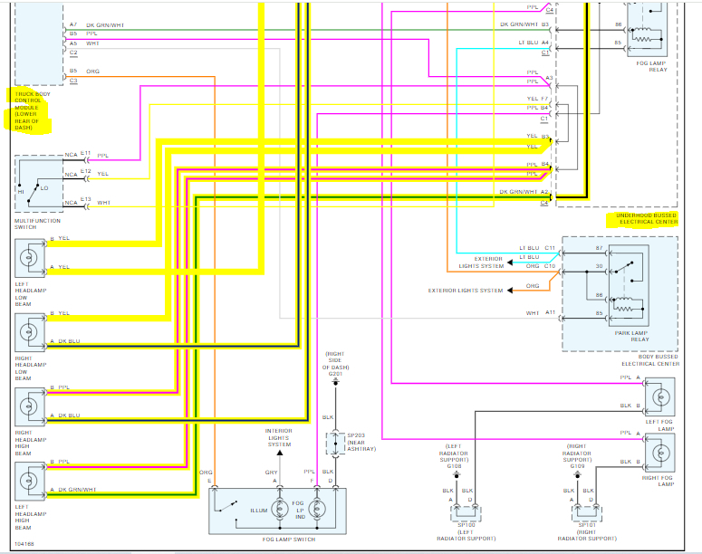
The headlights come on when the keys are turned on and go off with the key. They work as far as high and low beam when changing, all turn signals, park Lites and brake lights work fine, inside Curtsy Lights work fine. How ever when I unplug the light switch from the harness my inside curtsy lights come on and my head lights and running lights remain on. I checked the DRL sensor in the dash by pulling it and checking continuity, it shows connectivity as does the socket without the sensor in it. The dark green wire and the black wire coming off the wiring harness plug that connects to the light switch also shows connectivity to ground. All the other wires show power on them. 9 wires total. including the dark green and black. I am not sure what wire should be ground or power with key on. The light switch works for the dome lights and the bypass on it works as does the brightness for gauge lights, but it does not work for the head lights. And like I stated, even with the switch removed the lights are on with key. I cannot figure how the lights are staying on with the switch being omitted from circuit. It seems that I have a short of some kind or maybe a bad BCM. I have no idea where the BCM is located on a 98 S10 regular cab 2-wheel drive. Old school wiring I could handle but thanks to the advancement in distributing power I feel like a bobtailed cat chasing his tail he does not have.
Jan 29, 2024 at 5:04 PM


