Head light and tail light not functioning

2003 TOYOTA RAV4
297,543 MILES • 4 CYL • 2WD • AUTOMATIC
Avatar
BLESSING EWOBOR
  • MEMBER
  • 754 POSTS
Hello, the vehicle left rear tail light and the front right head light not functioning. I have checked the fuses and relay they are fine. I have tested the bulbs separately they are functioning but there's no power at the connector. Could you help me the circuit diagram
Mar 5, 2021 at 10:19 AM
Advertisement
Avatar
JACOBANDNICKOLAS
  • CERTIFIED EXPERT
  • 110,175 POSTS
Hi,

The wiring schematics are broken into two sections, headlamps and exterior lighting. The rear tail lamp issue will be under exterior lighting. The headlamp will be under headlamp.

_______________

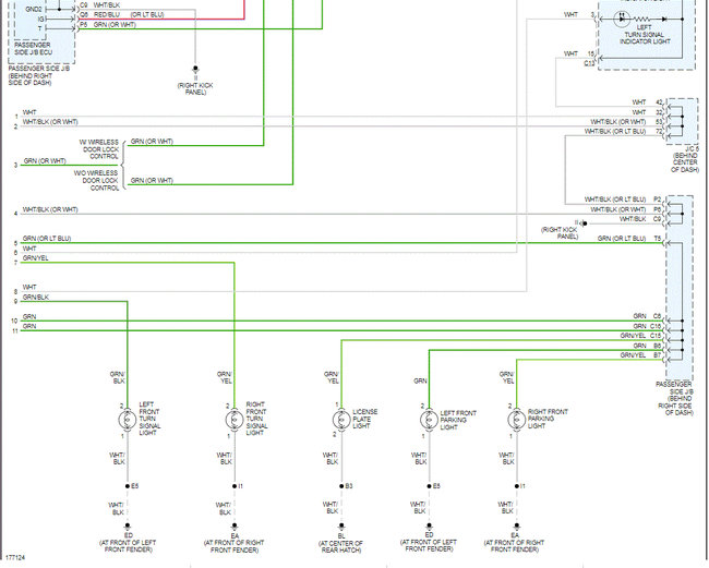
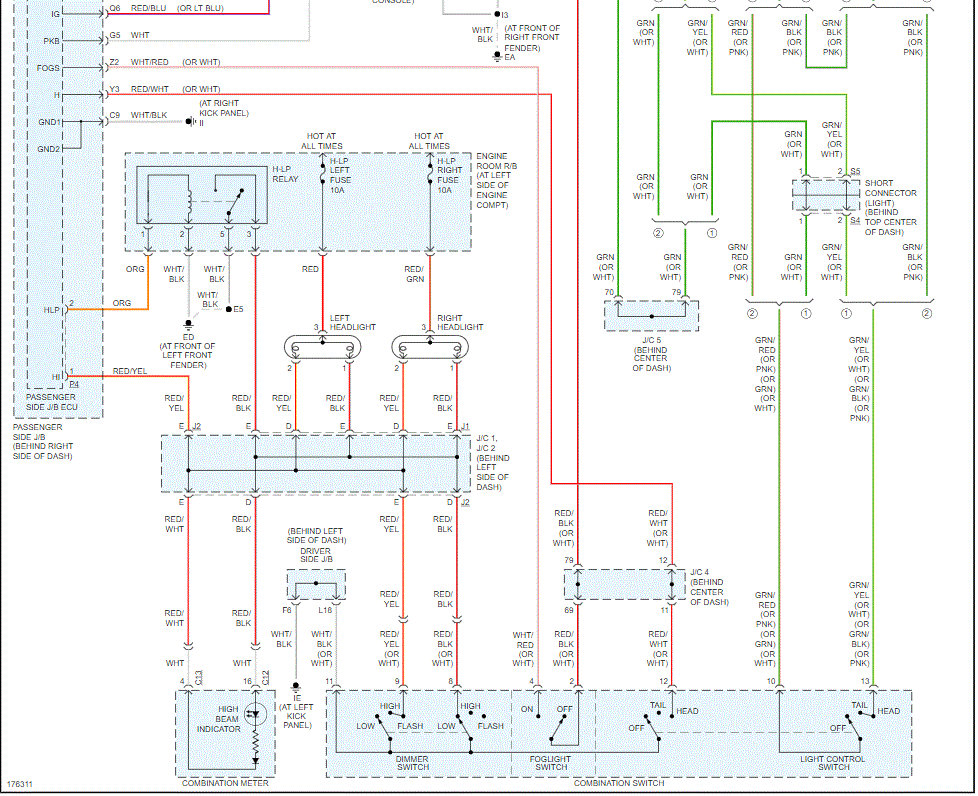
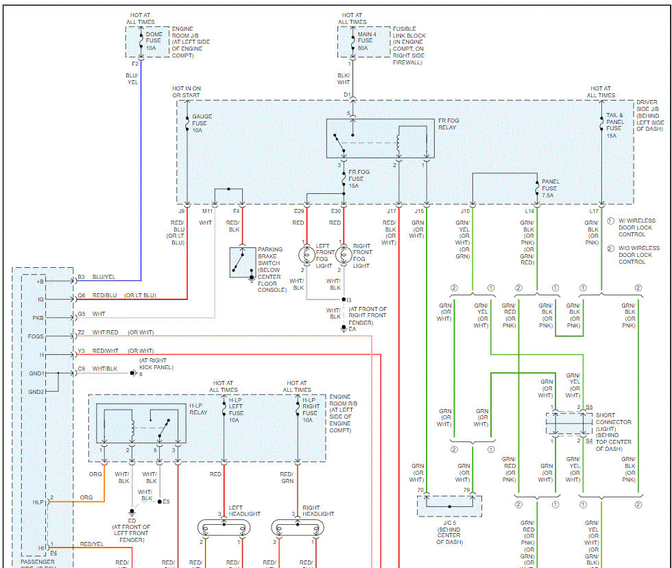
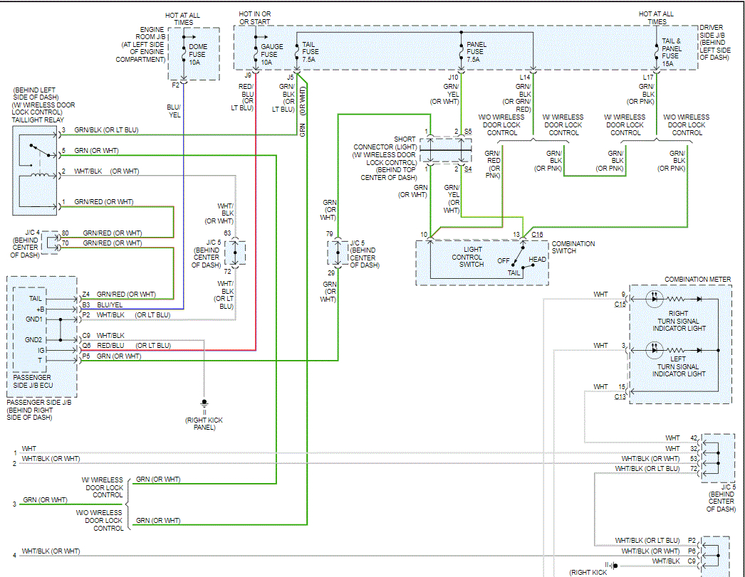
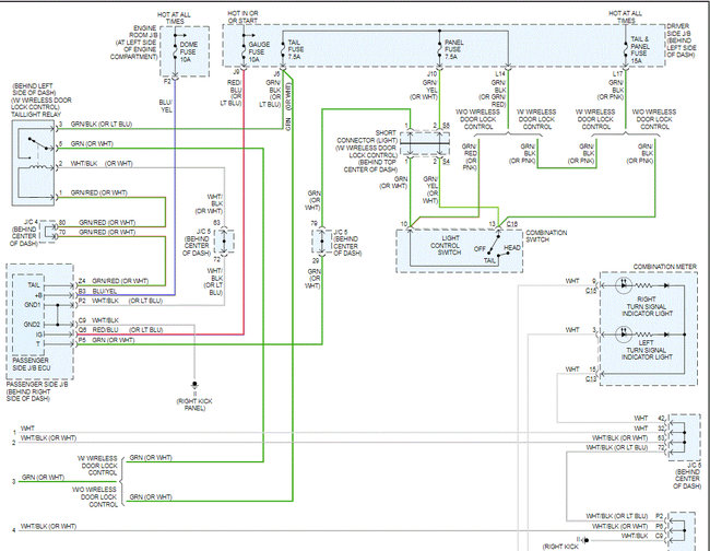
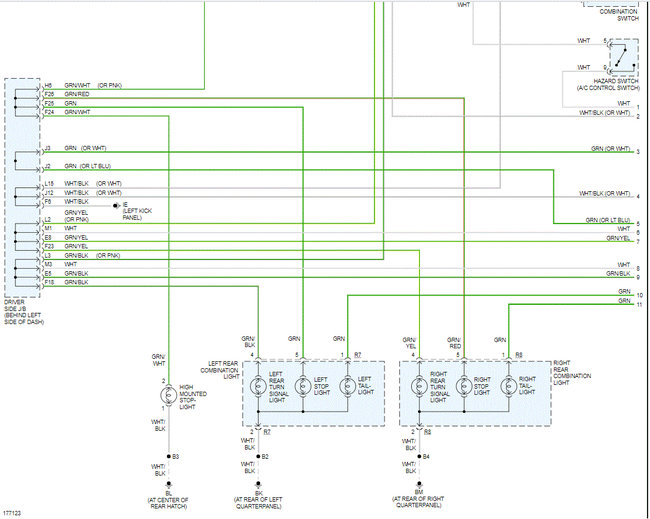
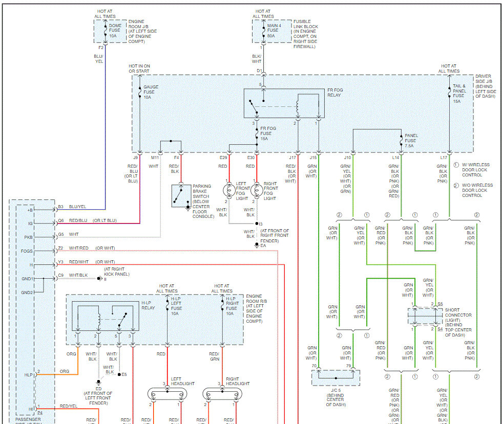
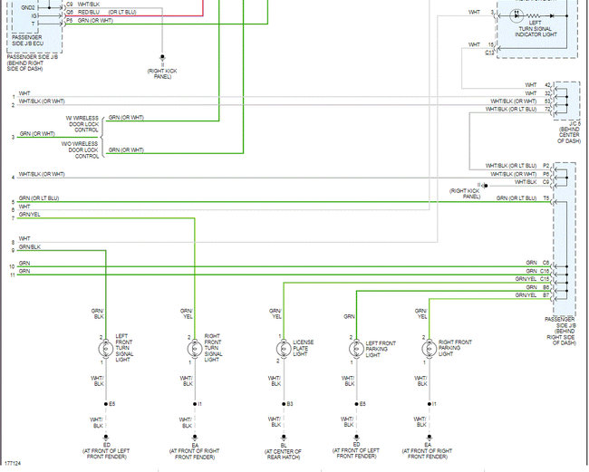
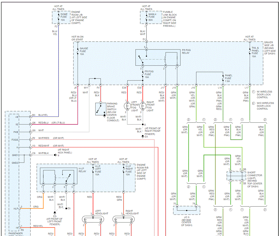
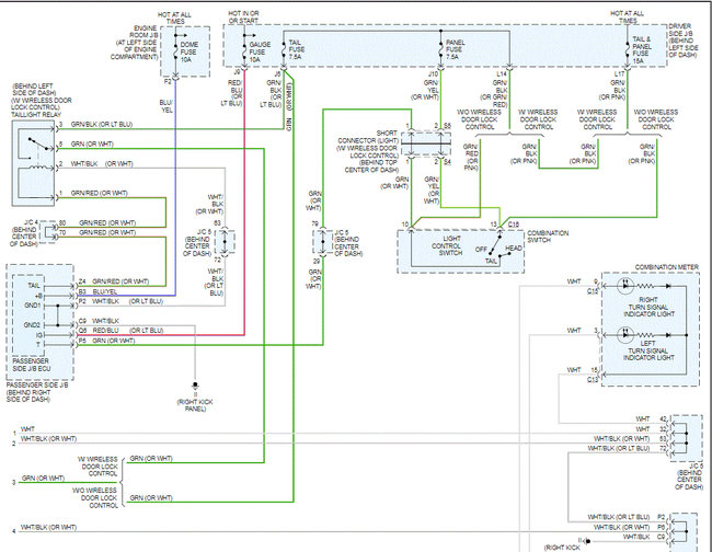
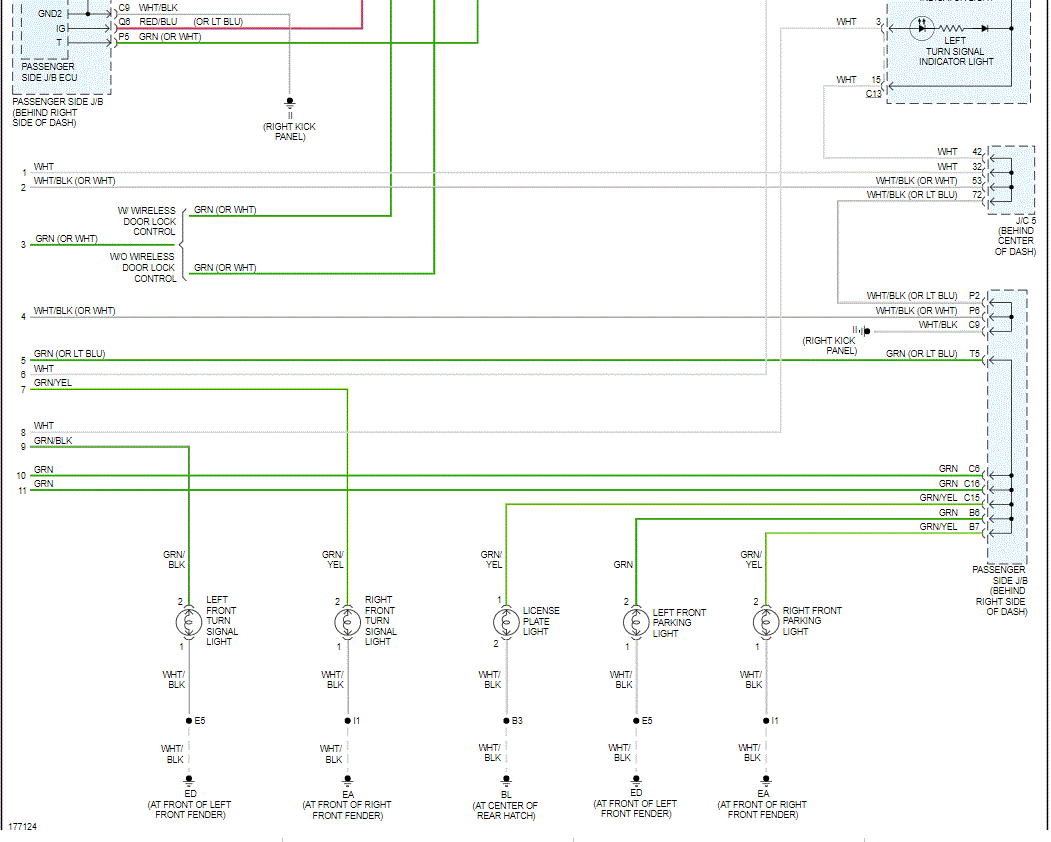
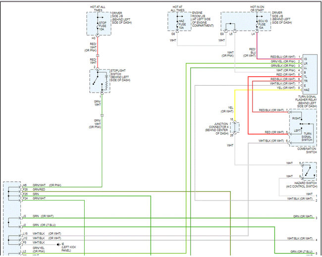
Pics 1 and 2 are for the headlamp. I cut the pic in half to make it more readable. I did, however, overlap them so you can follow it.


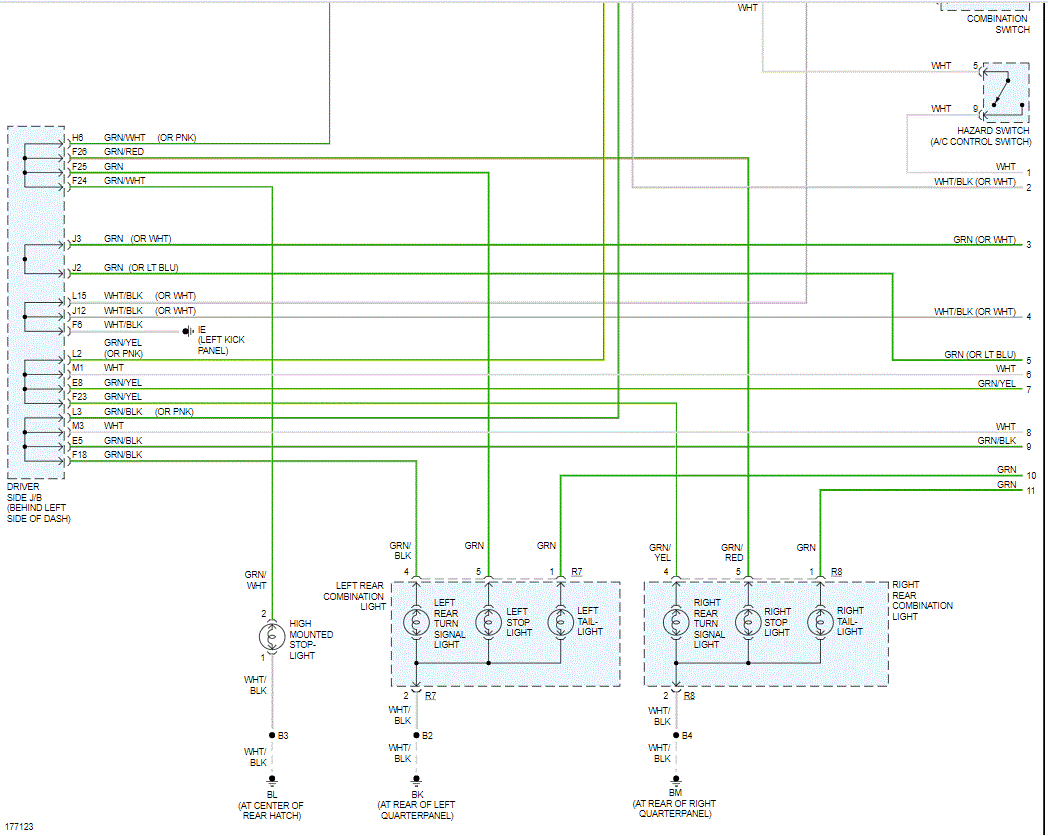
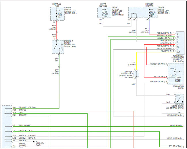
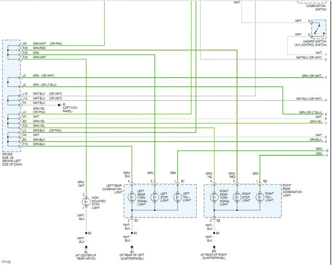
Pics 3, 4, 5, and 6 are the exterior lighting schematics. Again, I cut them in half to make it more readable, and I overlapped them as well.

______________

Here is a link you may find helpful as well:

https://www.2carpros.com/articles/how-to-check-wiring

______________

I hope this helps. Let me know if you have other questions. If you have a chance, let me know what you find.

Take care and God Bless,
Joe
Mar 5, 2021 at 9:38 PM
Avatar
BLESSING EWOBOR
  • MEMBER
  • 754 POSTS
Sir, considering the 2nd diagram, it seems that the H-LP relay has no function since the circuit is ground by switch, am I right? If I am what is the function of the relay?
Mar 12, 2021 at 1:04 PM
Advertisement
Avatar
BLESSING EWOBOR
  • MEMBER
  • 754 POSTS
How does the high beam indicator work since it is connected to the ground of both switch?
Mar 12, 2021 at 1:08 PM
Avatar
JACOBANDNICKOLAS
  • CERTIFIED EXPERT
  • 110,175 POSTS
The relay gets ground at the left front fender.

Joe
Mar 12, 2021 at 6:38 PM
Avatar
BLESSING EWOBOR
  • MEMBER
  • 754 POSTS
What I am saying is that the whether the relay ground or not it won't stop the headlights from coming on.
Mar 12, 2021 at 9:10 PM
Avatar
JACOBANDNICKOLAS
  • CERTIFIED EXPERT
  • 110,175 POSTS
If the relay doesn't have ground, it will prevent the light from working. No power will be transmitted through the relay.
Mar 12, 2021 at 10:57 PM
Avatar
BLESSING EWOBOR
  • MEMBER
  • 754 POSTS
Thank you.
Mar 13, 2021 at 2:55 AM
Avatar
JACOBANDNICKOLAS
  • CERTIFIED EXPERT
  • 110,175 POSTS
Hi,

No problem. Let me know what you find.

Take care,
Joe
Mar 13, 2021 at 7:28 PM