Drivers' side headlights are not working?

2007 FORD F-550
196 MILES • V8 • 4WD • AUTOMATIC
Avatar
VICTORY76
  • MEMBER
  • 27 POSTS
This truck is a Diesel Ford F550 super duty, the problem is the headlights work just on the passenger side but not the driver side. I checked all fuses and are good just I can't find which relay is feeding the headlight also the wiring looks.
Aug 22, 2023 at 5:43 AM
Advertisement
Avatar
STRAILER
  • CERTIFIED EXPERT
  • 53,854 POSTS
Did you change the bulb out? Is there power at fuse # 17 - 15 amp, also check #46 and 47?

This guide can help:

https://www.2carpros.com/articles/how-to-check-a-car-fuse

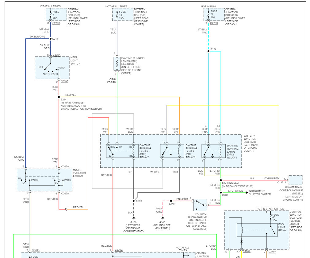
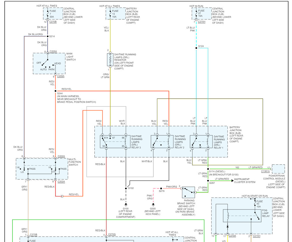
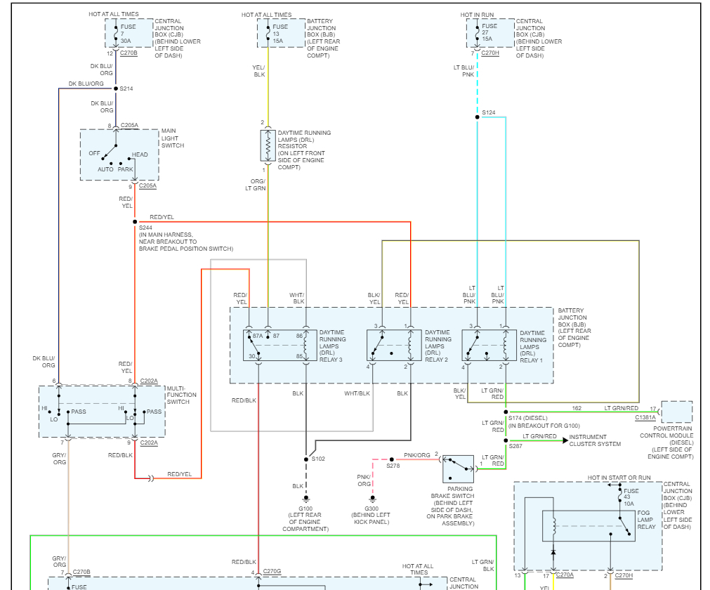
If the fuse is okay here is a guide to help you check for power and ground at the headlamp and the headlamp wiring diagrams so you can see how the system works and which wires to test for power.

https://www.2carpros.com/articles/how-to-use-a-test-light-circuit-tester

Check out the images (below). Let us know what happens and please upload pictures or videos of the problem so we can see what's going on.
Aug 22, 2023 at 1:27 PM