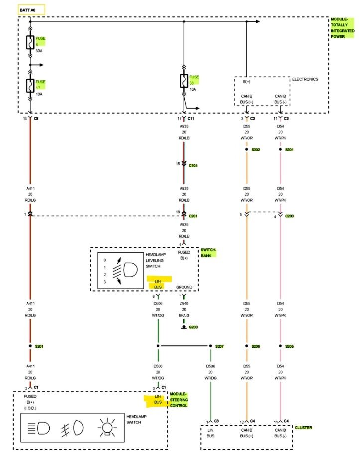
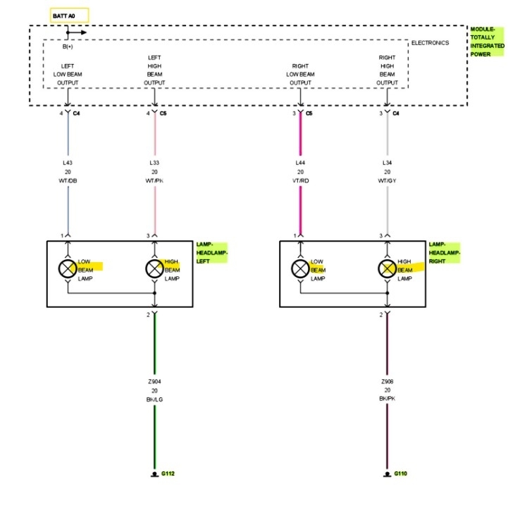
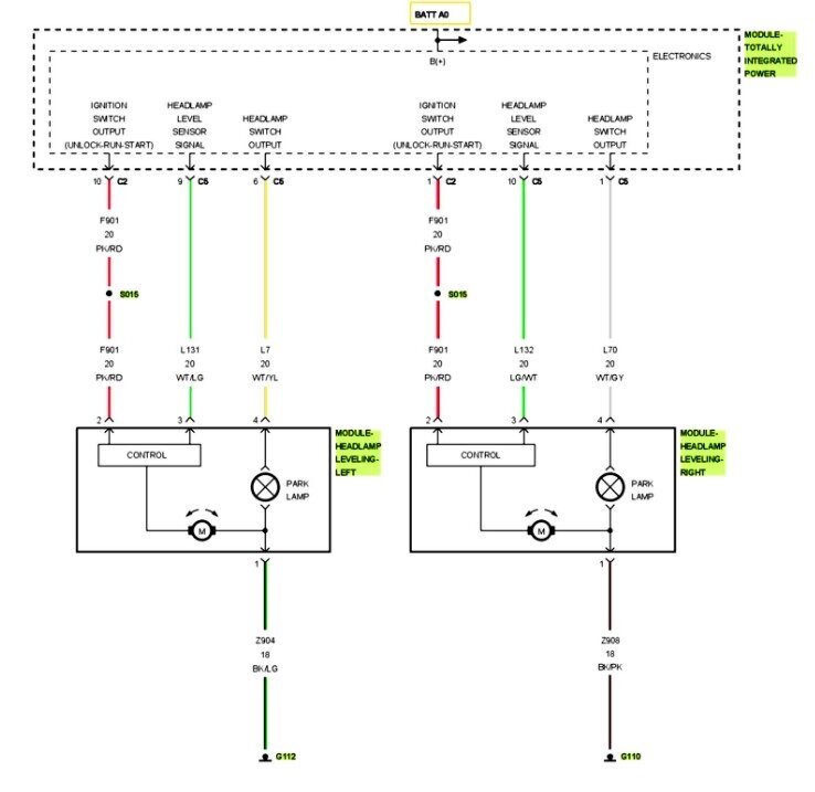
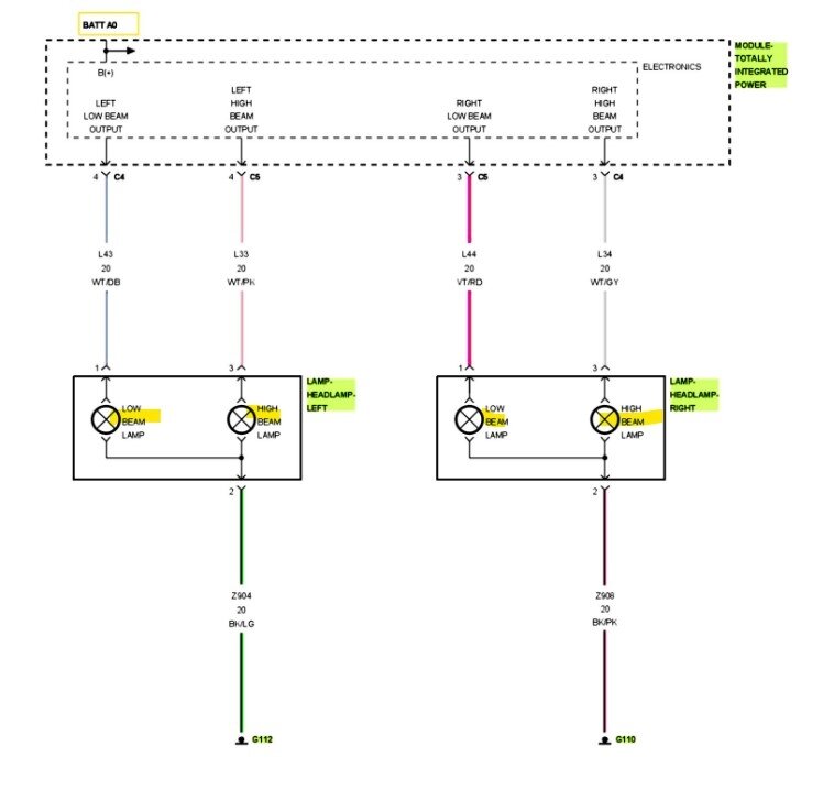
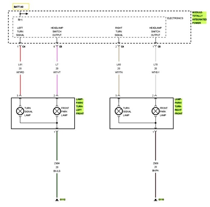
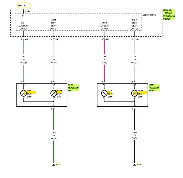
If the right headlamp is not working, and a meter is showing 12volts, then either the bulb/socket is bad, the ground is bad, or the power wire can't carry enough current. A regular test light is not enough of an electrical load, they pull only 250ma max, you're missing something in your testing. Each side uses a different Ground location, the Fog lamps use the same ground as the left headlamp, but the right head lamp uses a different ground. Are you sure the pins are not spread apart inside the connector also, not making contact with the bulb's pins.
The black/pink wire is the ground for the right side headlamp circuit, try hooking your test light to battery negative and with the bulb plugged in, back probe the ground wire and see if you get any reaction from the headlamp bulb, or run another wire for the ground to battery negative verify it's not a bad ground. Just make sure you're only attached to the black/pink wire, so you don't short out the circuit.
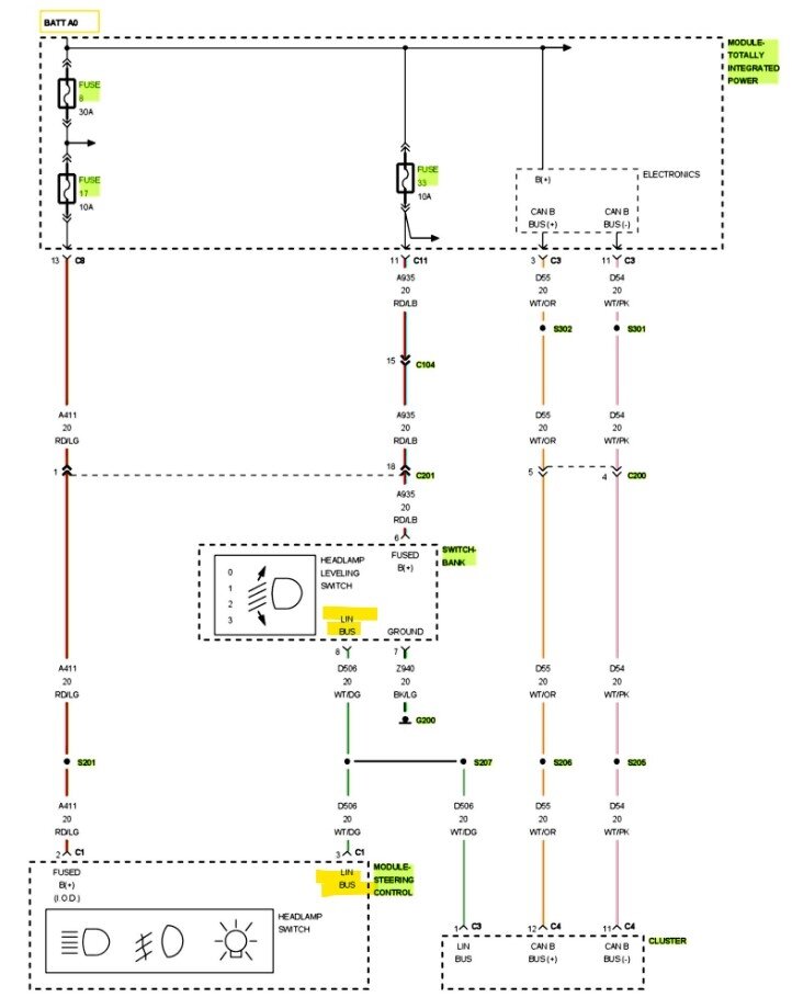
Theres only a couple things it can be if your test light is lighting up, check with a meter as well to make sure it's a full 12-volts. Headlamps pull a lot of current, if the wire cannot handle the current flow, a regular test light can be misleading, this is why we load test circuits.
Feb 18, 2025 at 3:52 PM