Head gasket replacement

2002 CHEVROLET S-10
130,000 MILES • 4.3L • V6 • 4WD • AUTOMATIC
Avatar
ABBY112
  • MEMBER
  • 3 POSTS
This truck has a 4.3 Vortech engine. I need to know step by step how to replace driver side head gasket with torque specks and sequence.
May 4, 2016 at 10:31 PM
Advertisement
Avatar
HMAC300
  • CERTIFIED EXPERT
  • 48,601 POSTS
due to space we cannot send this as it takes to much to copy and paste. best bet here is to get a manual or you can rent one from us then print out whatever you need for your truck. I do not know what the cost is, but it is cheaper than buying one and you will always have it.
May 5, 2016 at 6:06 AM
Avatar
STRAILER
  • CERTIFIED EXPERT
  • 53,854 POSTS
Hi ABBY112,

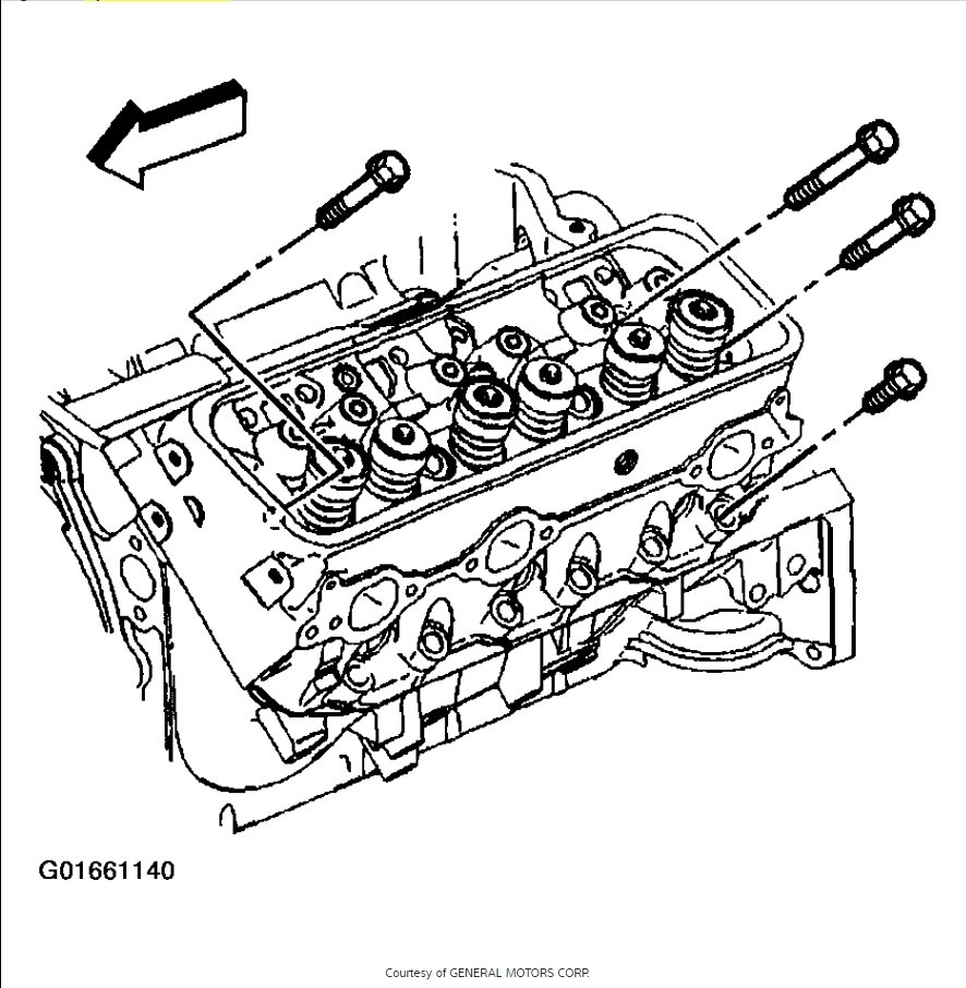
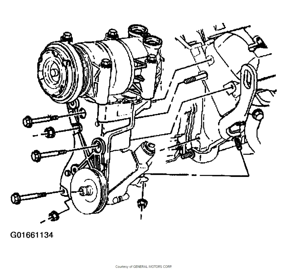
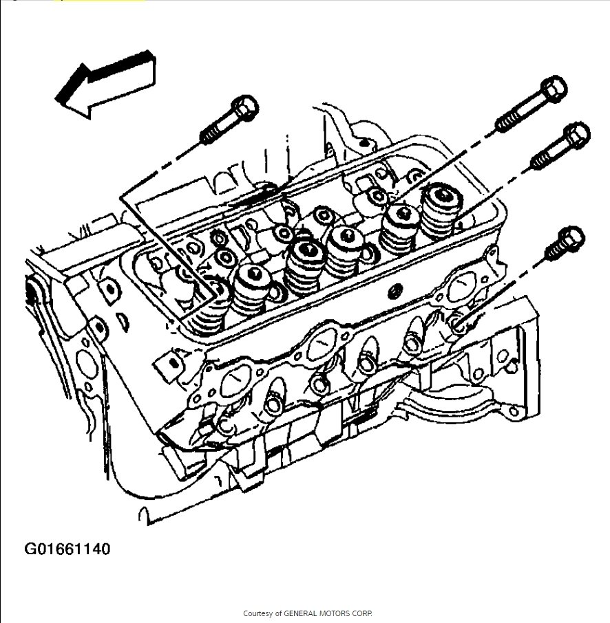
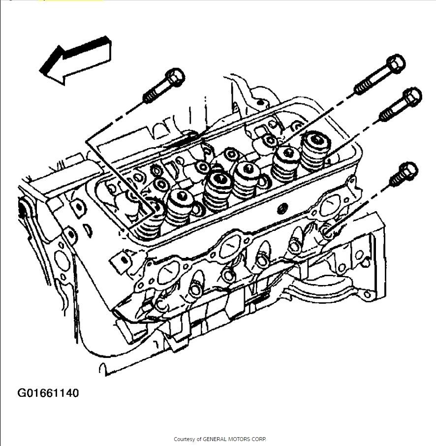
It is a long job but not too bad if you have the time, make sure you have the head resurfaced and use good quality gaskets. Disconnect the battery and drain the coolant before you begin, then remove the serpentine belt. Also remove the valve cover and rocker arms. Once the head is ready to be reinstalled clean all gasket surfaces thoroughly torque the bolts on the first pass to 22 pounds, then turn the long bolts 75 degrees, the medium bolts 65 degrees and the short bolts 55 degrees. Change the engine oil once completed, the images below should help with the rest.
May 5, 2016 at 5:15 PM
Advertisement
Avatar
ABBY112
  • MEMBER
  • 3 POSTS
Do you haft to make sure both cam lobes are at the very bottom when reinstalling then turn the motor over for the next 2 or just torque them all at once
May 7, 2016 at 9:43 AM
Avatar
ABBY112
  • MEMBER
  • 3 POSTS
For the rockers
May 7, 2016 at 9:44 AM
Avatar
STRAILER
  • CERTIFIED EXPERT
  • 53,854 POSTS
Hi ABBY112,

You can just torque them all at once, the excess oil with push from the lifters to make the correct valve lash.
May 8, 2016 at 12:04 PM