head gasket

2003 TOYOTA RAV4
144,000 MILES
Avatar
KIMLOOFE
  • MEMBER
  • 3 POSTS
I have a 2003 RAV 4. I am changing the head gasket which is a chore and I am down to the gasket itself. I got all 10 bolts off but the darn thing will not come out. What step am I missing? It seems to have something else holding it on/in there, but it is loose and moves but doesn't come off... HELP!!!!
May 1, 2013 at 5:58 AM
Advertisement
Avatar
HMAC300
  • CERTIFIED EXPERT
  • 48,601 POSTS
there are two dowel pins that also hold it just get a screwdriver and pry around the pins and gasket should come up. if the dowels come up drive them back in with a light tap of hammer.
May 1, 2013 at 6:35 AM
Avatar
HMAC300
  • CERTIFIED EXPERT
  • 48,601 POSTS
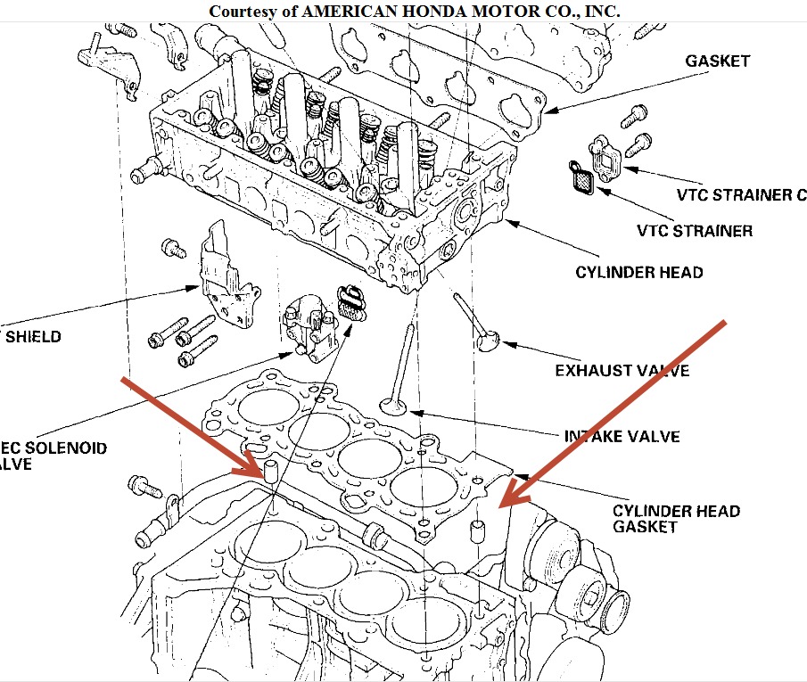
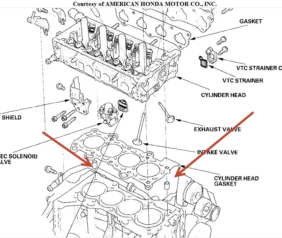
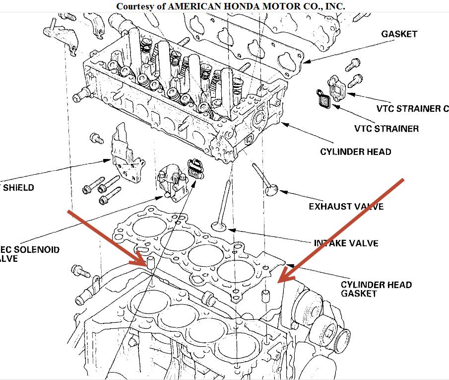
i'm sorry for some idiot reason I was thinking Honda and not Toyota. but yours is very similar It is not uncommon to have to scrape the head gasket off of both surfaces block and head. make sure it is all off prior to installing new gasket. Ther eis gasket material remover available at auto parts, you spray it on and let it sit for a few minutes then scrape off gasket . I am including apic of Your engine not a HOnda. sorry again.
May 1, 2013 at 9:31 AM
Advertisement
Avatar
KIMLOOFE
  • MEMBER
  • 3 POSTS
I will try that. But this Toyota engine still does have the dowel pins correct?.
May 1, 2013 at 9:42 AM
Avatar
HMAC300
  • CERTIFIED EXPERT
  • 48,601 POSTS
yes they will be on the ends like the other one I pointed out. but like I said a lot of times the gasket has to be scraped off
May 1, 2013 at 9:44 AM
Avatar
KIMLOOFE
  • MEMBER
  • 3 POSTS
Here's a question- Does the timing chain cover need to be removedto let it free?
May 1, 2013 at 12:06 PM
Avatar
HMAC300
  • CERTIFIED EXPERT
  • 48,601 POSTS
how did you get eth clinder head off without removing the tchain cover? its bolted to head and you need to take timing chain off as wellas timing gears. make sure you align all timing marks before pulling head
May 1, 2013 at 12:34 PM