Should I tighten my head bolts in increments?

1988 CHEVROLET CAVALIER
153,000 MILES • 2.0L • 4 CYL • 2WD • MANUAL
Avatar
TJMOWBRAY
  • MEMBER
  • 75 POSTS
Long bolts 73 to 83 short bolts 62 to 70. If so, what increments should I use?
Dec 1, 2024 at 5:33 PM
Advertisement
Avatar
STRAILER
  • CERTIFIED EXPERT
  • 53,855 POSTS
Tightening in Increments:

Long bolts (73 to 83 ft-lbs): Tighten in 3 stages.

First stage: 25 ft-lbs
Second stage: 50 ft-lbs
Final stage: 73 to 83 ft-lbs (to spec)
Short bolts (62 to 70 ft-lbs): Tighten in 3 stages.

First stage: 20 ft-lbs
Second stage: 40 ft-lbs
Final stage: 62 to 70 ft-lbs (to spec)

Let us know if you need anything else.
Dec 2, 2024 at 10:21 AM
Avatar
TJMOWBRAY
  • MEMBER
  • 75 POSTS
In this pattern, right?
Dec 2, 2024 at 5:02 PM
Advertisement
Avatar
STRAILER
  • CERTIFIED EXPERT
  • 53,855 POSTS
That is correct.
Dec 3, 2024 at 9:35 AM
Avatar
TJMOWBRAY
  • MEMBER
  • 75 POSTS
I torqued my head bolts to these specs and afterwards I got ahold of the Haynes manual for my cavalier it says 43 and 46 and an extra 90 degrees. Will my head gasket be ok at 65 and 75 or should I loosen and retorque?
Dec 8, 2024 at 7:13 PM
Avatar
STRAILER
  • CERTIFIED EXPERT
  • 53,855 POSTS
I would leave it because this is how they did the head bolts when the engine was built. Did they all tighten okay?
Dec 9, 2024 at 8:45 AM
Avatar
TJMOWBRAY
  • MEMBER
  • 75 POSTS
Yes sir.
Dec 9, 2024 at 8:08 PM
Avatar
STRAILER
  • CERTIFIED EXPERT
  • 53,855 POSTS
You should be good to go, please upload a short when it is running.
Dec 10, 2024 at 10:13 AM
Avatar
TJMOWBRAY
  • MEMBER
  • 75 POSTS
Head gasket sealer.
Apr 29, 2025 at 12:09 PM (Merged)
Avatar
STRAILER
  • CERTIFIED EXPERT
  • 53,855 POSTS
Some people put sealers on the head gasket and bolts, but it is not mandatory.
Apr 29, 2025 at 12:09 PM (Merged)
Avatar
TJMOWBRAY
  • MEMBER
  • 75 POSTS
Does head gasket have to be a certain side up?
Apr 29, 2025 at 12:09 PM (Merged)
Avatar
STRAILER
  • CERTIFIED EXPERT
  • 53,855 POSTS
On some gaskets you do, but if it is not indicated you should be okay. What kind of issues are you having?
Apr 29, 2025 at 12:09 PM (Merged)
Avatar
STRAILER
  • CERTIFIED EXPERT
  • 53,855 POSTS
Can you tell us happen with this?
Apr 29, 2025 at 12:09 PM (Merged)
Avatar
TJMOWBRAY
  • MEMBER
  • 75 POSTS
Once the timing cover has been removed and timing marks are aligned do I have to remove timing chain tensioner?
Apr 29, 2025 at 12:09 PM (Merged)
Avatar
JACOBANDNICKOLAS
  • CERTIFIED EXPERT
  • 110,175 POSTS
Hi,

On this engine, you don't need to touch the timing chain for a head gasket replacement. The cylinder head is removed without chain removal.

I attached a picture below showing the head being removed. Let me know if I am wrong and you are replacing the timing chain

Take care,

Joe

See pic below.
Apr 29, 2025 at 12:09 PM (Merged)
Avatar
TJMOWBRAY
  • MEMBER
  • 75 POSTS
Do I remove head bolts in same pattern to remove as installed?
Apr 29, 2025 at 12:09 PM (Merged)
Avatar
STEVE W.
  • CERTIFIED EXPERT
  • 15,113 POSTS
It's not a requirement for removal. The pattern is devised so that the gasket is compressed evenly during the installation. By starting in the middle and working outwards the materials will settle in evenly. If you were to randomly tighten the bolts it's possible that the gasket could create a small "wrinkle" where two areas of pressure converge and possibly leak or cause a failure point. However during removal that isn't really an issue.
Apr 29, 2025 at 12:09 PM (Merged)
Avatar
TJMOWBRAY
  • MEMBER
  • 75 POSTS
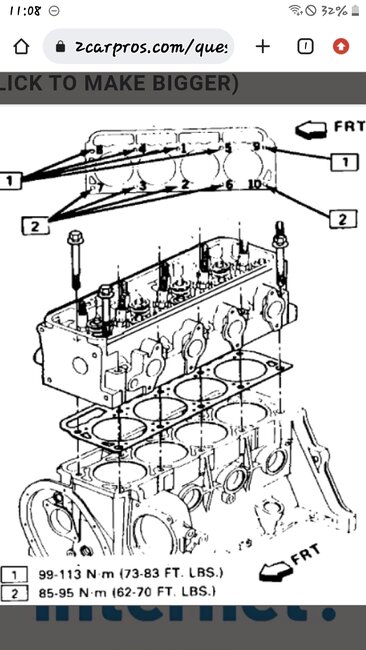
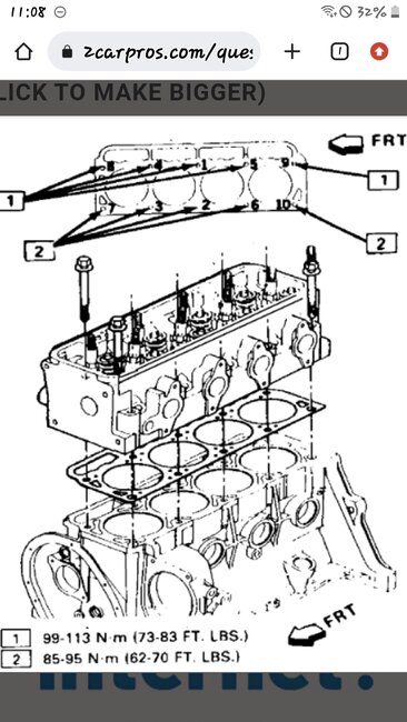
I need crank bolt torque specs and head bolt tightening sequence.
Apr 29, 2025 at 12:09 PM (Merged)
Avatar
JACOBANDNICKOLAS
  • CERTIFIED EXPERT
  • 110,175 POSTS
Hi,

I was able to find only one picture with the head bolt sequence. I attached it. I also attached its torque specifications because there are two different specs for different bolts.

The last picture is the main crankshaft bearing torque. I believe that is what you were looking for. If it is wrong, let me know.

Take care,

joe

See pics below.
Apr 29, 2025 at 12:09 PM (Merged)
Avatar
TJMOWBRAY
  • MEMBER
  • 75 POSTS
I meant the bolt that holds harmonic balancer on.
Apr 29, 2025 at 12:09 PM (Merged)
Avatar
STRAILER
  • CERTIFIED EXPERT
  • 53,855 POSTS
please post your new question here, you must be logged in.

https://www.2carpros.com/questions/new

Cheers, Ken
Apr 29, 2025 at 12:09 PM (Merged)