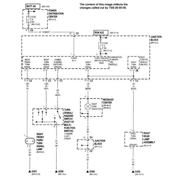
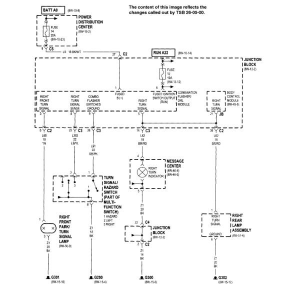
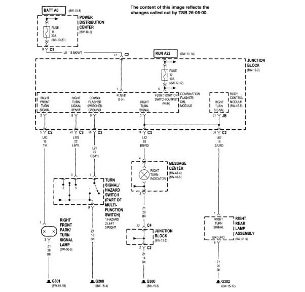
I bought this van and the blinkers were not working when I bought it. None of the blinkers work at all. I've checked all the bulbs and all the fuses. They are all good. I've changed the multi-function turn signal switch. And still nothing. No blinking lights, no solid lights, no nothing. No indicator lights up on the dash, blinking or solid. However, when i turn on the hazards the front two blinkers and the back passenger will light up and blink. Nothing on back driver side. On the inside when hazards are on the right side blinker arrow will light up and blink but once again nothing on the driver side. No solid or blinking arrow. I'm at my wits end on what to do. Anyone have any ideas?
Mar 9, 2019 at 3:17 AM
