☰
Login
Join
×
Home
Answered Questions
Repair Topics
Repair & Service Guides
Popular Questions
Warning Lights
Trouble Codes
How It Works
Testing / Diagnostics
Symptoms
Videos
Login
Become a Member
Home
Toyota
Other
Exterior Light
Hazard Light
Switch
Bypassing hazard light switch
2001 TOYOTA
200,000 MILES • 1.8L • 4 CYL • 2WD • AUTOMATIC
DANIEL FARRINGTON
MEMBER
1 POST
FOLLOW
Need to bypass hazard light switch so turn signal work on my Toyota Opa. please help
Apr 10, 2017 at 4:36 PM
Advertisement
STRAILER
CERTIFIED EXPERT
53,854 POSTS
Hello, Daniel,
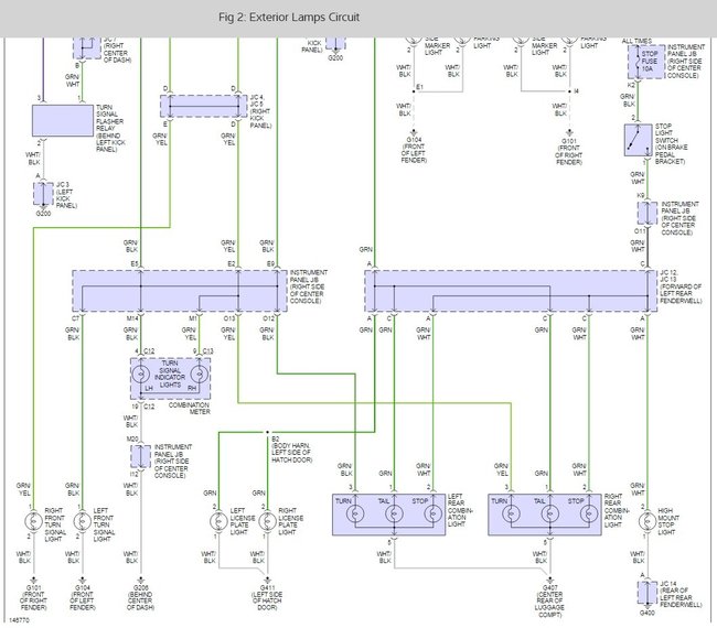
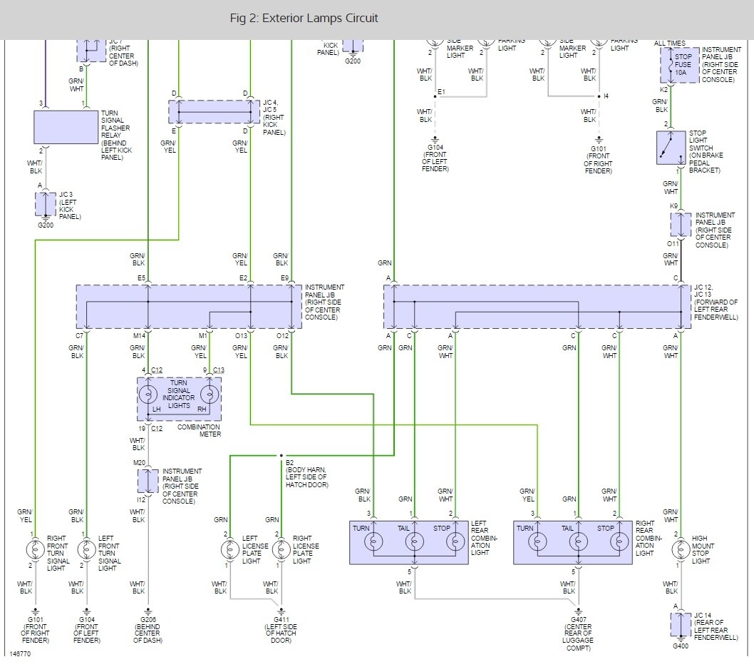
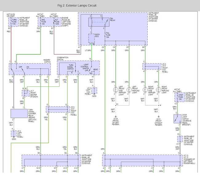
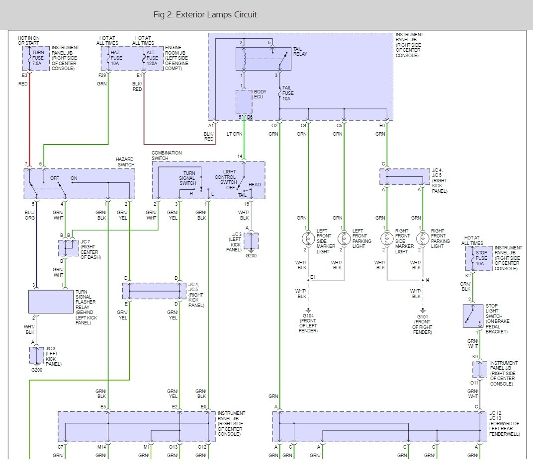
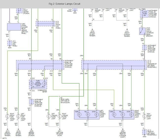
I founds these hazard and turn signal wiring diagrams for you.
Please let me know if you need anything else to get the problem fixed.
Best, Ken
Images (Click to enlarge)
Apr 12, 2017 at 7:09 PM