Hazard lights not working

1995 CHEVROLET TAHOE
159,627 MILES • 4WD • AUTOMATIC
Avatar
DRAMS626
  • MEMBER
  • 3 POSTS
Okay, so I have a problem about my hazard lights, they do not work. So I checked the fuse for it and if you look on the description for that fuse in that spot it is for the hazard lights, brakes, and turn signals. My brakes and turn signals work but not the hazard lights. Like I can press down the hazard light button and it will click like two times but really fast then it stops. But every once in a while only one blinker light comes on and I think it is only my left one that turns on but remember this is only happens every once in a while and I do not even press down the button in order for it to turn on, even though it should. Is there any answer I could possibly get from this? If you still need some more information please reply. Thanks.
Apr 29, 2018 at 5:39 PM
Advertisement
Avatar
STEVE W.
  • CERTIFIED EXPERT
  • 15,113 POSTS
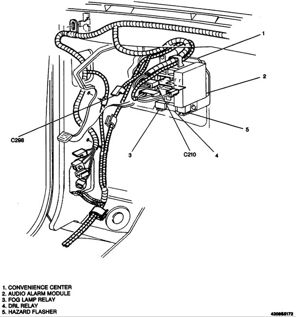
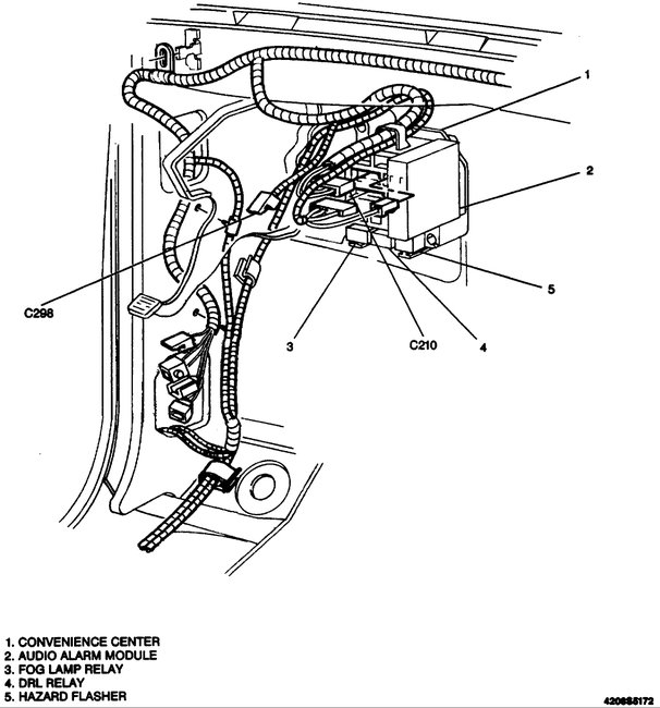
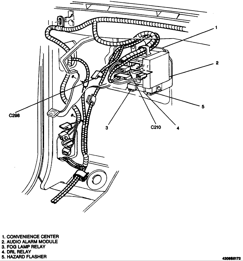
That description sounds like the actual switch or the flasher is bad. You say you can push the switch and the lights flash a couple times very fast then stop? Do the lights flash or you just hear clicks? The flasher is located in the convenience center, under the dash near the firewall. It sticks out the bottom. I would try it first. If that does not help you will likely need a new multi-function switch.
Oh, this has all stock type bulbs correct, not upgraded to LED? Those can cause problems like this because they don't provide the correct load to the vehicles electronics.
Apr 29, 2018 at 8:11 PM
Avatar
DRAMS626
  • MEMBER
  • 3 POSTS
So like earlier today I would press down on the switch for the hazard light and it would not turn on, no clicking sound, no turn signal light, none of that and like an hour ago I drove it into town and I just heard the clicking noise but I did not even press the switch. so it just did it on its own. And also yes my tail lights are all stock no LED’s.
Apr 29, 2018 at 8:19 PM
Advertisement
Avatar
STEVE W.
  • CERTIFIED EXPERT
  • 15,113 POSTS
That sounds like a bad switch.

To change it out you pull the negative battery cable then the airbag module. Remove the tilt lever. Next you need to remove the steering wheel and the knee bolster under the column. Now you remove the column covers upper and lower. Then the steering lockset and loosen the nuts that hold the column in place.
Release the straps that hold the wiring harness, then release the plugs from the wiring block. Remove the two screws and the switch.

Apr 30, 2018 at 12:00 AM
Avatar
DRAMS626
  • MEMBER
  • 3 POSTS
Thank you Steve W. I will have this problem checked out with my dad as soon as possible and see if that does the trick.
Apr 30, 2018 at 5:28 AM