Hazard lights

1995 CHEVROLET SUBURBAN
184,000 MILES • 5.7L • V8 • 4WD • AUTOMATIC
Avatar
BRIAN WILLESS
  • MEMBER
  • 5 POSTS
The hazard lights do not work unless the key is switched to on.
Jan 13, 2018 at 10:07 AM
Advertisement
Avatar
STRAILER
  • CERTIFIED EXPERT
  • 53,854 POSTS
Hello,

it sounds like you have a fuse #1 or 16 that is out. Can we start by checking these?

https://www.2carpros.com/articles/how-to-check-a-car-fuse

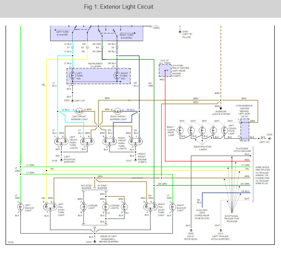
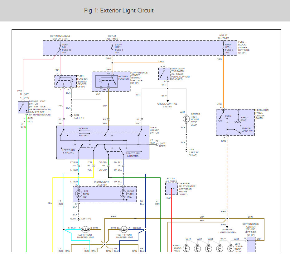
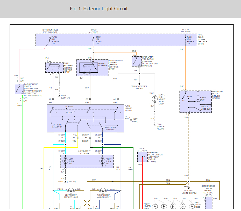
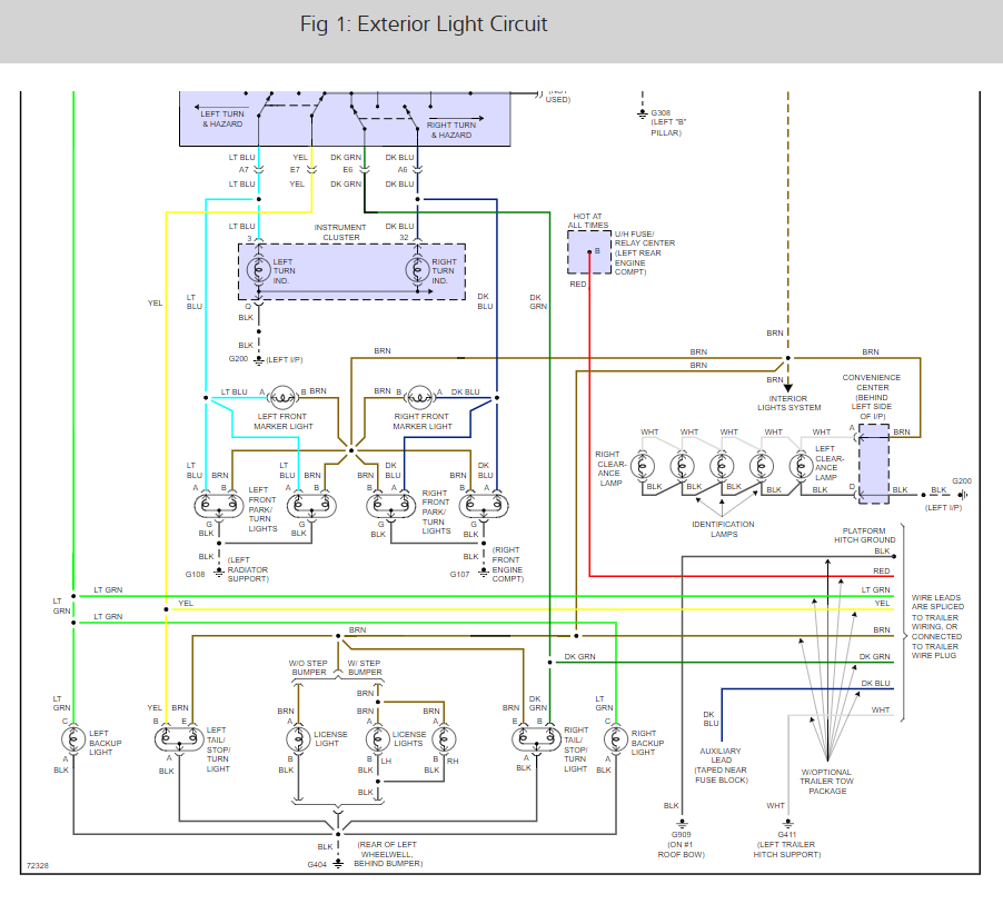
Below are diagrams to help us get the job done.

Check out the diagrams (below).

Please let us know what you find.

Cheers, Ken
Jan 15, 2018 at 12:22 PM
Avatar
BRIAN WILLESS
  • MEMBER
  • 5 POSTS
Thanks, the fuses are fine. But I did not mention the button will not stay down you gotta hold it down. So I ordered a new button.

https://www.amazon.com/gp/product/B003S15WQU/ref=ox_sc_act_title_2?smid=ATVPDKIKX0DER&psc=1

It should arrive tomorrow. I am wondering if this could be part of the problem and thus fix it?

Also, while driving when I turn on a turn signal the voltage gauge needle dances with the flash.
Jan 15, 2018 at 7:03 PM
Advertisement
Avatar
STRAILER
  • CERTIFIED EXPERT
  • 53,854 POSTS
That can be normal, please check the engine to frame ground to make sure it is tight and free of corrosion.
Jan 16, 2018 at 9:54 AM
Avatar
BRIAN WILLESS
  • MEMBER
  • 5 POSTS
I replaced the multifunction switch that has the Cruze control, wipers, and turn signals and it works fine now. What was weird in shopping for one the most expensive one had a 1 yr limited warranty and the cheap one had a lifetime warranty. If you purchase with your credit card if the seller does not honor the warranty the credit card will so long as you keep the original card you purchased it with. well you will get your money back, in the end, is all)
Jan 19, 2018 at 7:52 AM
Avatar
BRIAN WILLESS
  • MEMBER
  • 5 POSTS
Well, the voltage meter still dances so I will check the ground as you suggested. Thanks so much.
Jan 19, 2018 at 7:58 AM
Avatar
STRAILER
  • CERTIFIED EXPERT
  • 53,854 POSTS
The cheap stuff all has a lifetime warranty. We have a joke that we say which is they have a lifetime warranty because you will be changing them for a lifetime. I always use the 1 year warranty that are better parts they live by realistic business model.

A battery, cables or alternator can cause the voltage gauge to fluctuate can I ask if you can see the headlights do the same?

Best. Ken
Jan 19, 2018 at 11:25 AM
Avatar
BRIAN WILLESS
  • MEMBER
  • 5 POSTS
The headlights do not flash like the voltage meter when the turn signal is on.
Jan 29, 2018 at 10:53 AM