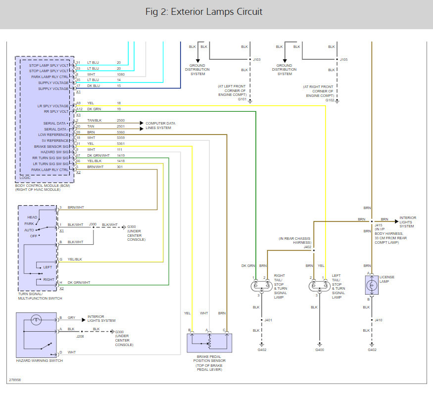
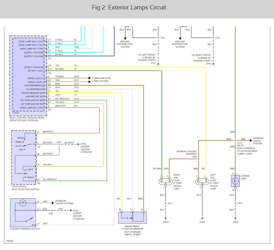
I unlocked my car this morning with the remote key and the hazard lights started flashing and would not turn off. Eventually they stopped after disconnecting the battery. However, now the key does not work remotely and have to unlock the door manually. Any ideas?
Dec 4, 2018 at 7:53 AM


