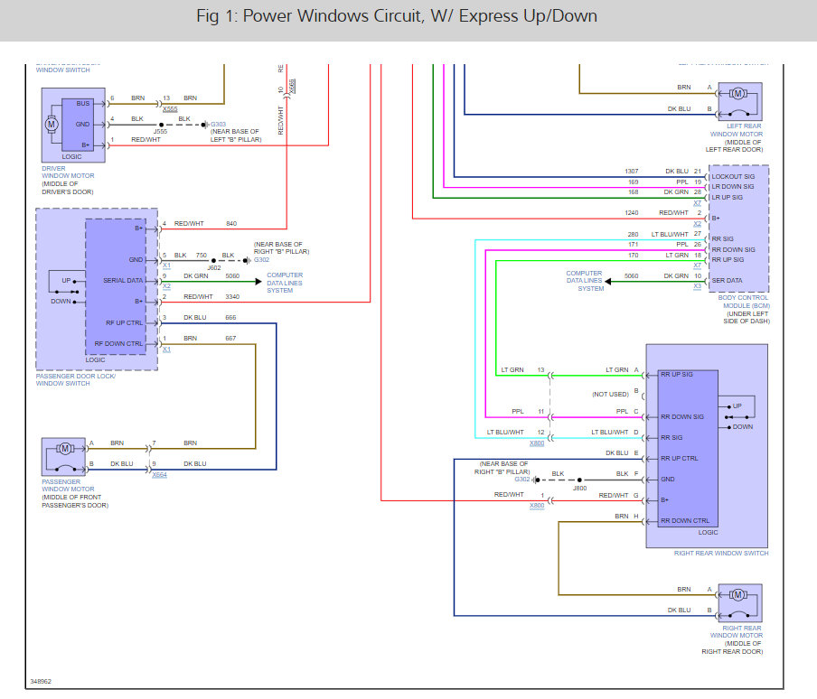
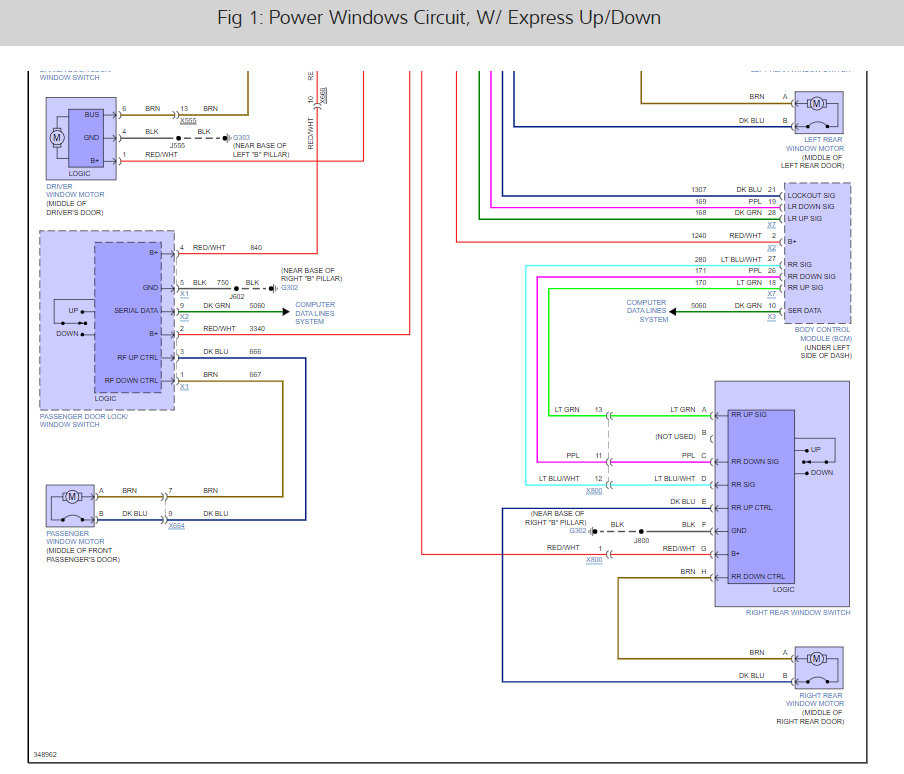
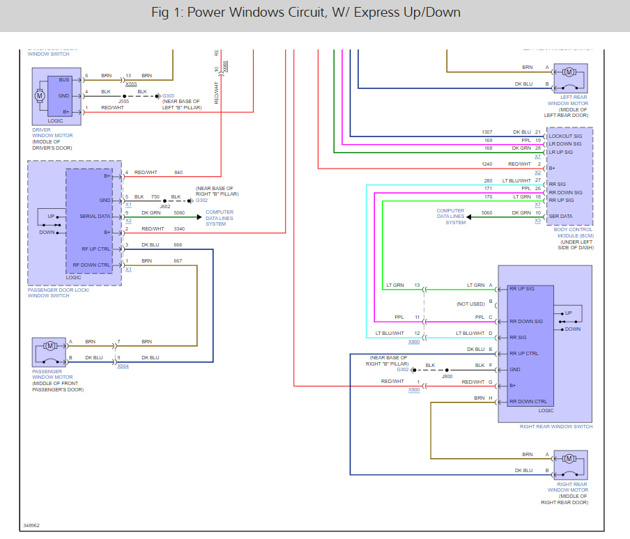
I have been having this issue where the power windows for the passengers do not roll down or up when the switches are pressed, but from the driver's switch they do just fine. However, the driver side window does not roll up or down and instead there is this click sound whenever the button is pressed. I replaced the main switch on the driver's side, thinking that it would solve the issue, but the matter remains the same.
Aug 21, 2022 at 10:35 AM





