Have you ever seen sway bar linkage like this

1992 DODGE RAM
149,900 MILES • 5.2L • V8 • RWD • AUTOMATIC
Avatar
SAWYER NELSON
  • MEMBER
  • 1 POST
my sway bar is not connected, and the links seem to be nothing I have ever seen, or can find on the web. I have pictures I will send, you will probably know more than me.

Also, front left is lower than rest of truck, do I need new springs? suspension?
Nov 5, 2016 at 1:43 PM
Advertisement
Avatar
JIS001
  • CERTIFIED EXPERT
  • 3,412 POSTS
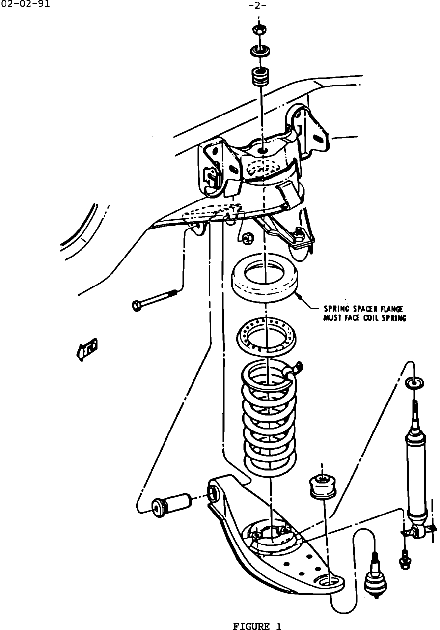
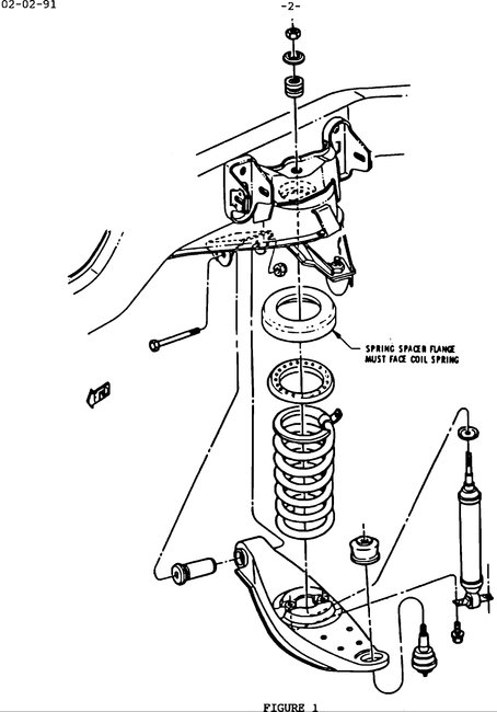
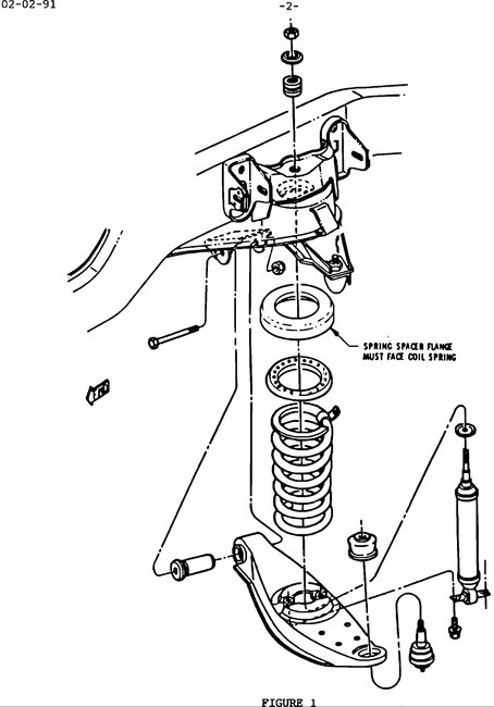
The rust ate away at the bracket causing it to snap off. As for it leaning on the left corner, there was a bulletin to add a spacer on the coil. Here is what the bulletin says.

Front Spring Spacer
Two (2) Wheel Drive AD Trucks

NOTE:
THIS BULLETIN APPLIES TO TWO (2) WHEEL DRIVE VEHICLES ONLY.

MODELS:

1992 (AD) RAM PICKUP/RAM CAB & CHASSIS/RAMCHARGER

SYMPTOM/CONDITION:

Vehicle leaning or low on the left front corner.

PARTS REQUIRED:

1 Spring Spacer 4322629

NOTE: ONLY ONE (1) SPACER IS TO BE USED. DO NOT STACK.

This repair involves installation of a spacer on the left coil spring. Spring spacer, PN 4322629, is available to raise the left front corner by approximately 25 mm (1 inch). The spacer is to be installed on the top of the coil spring, Figure 1. Refer to the 1992 Rear Wheel Drive Truck Service Manual, Publication # 81-370-2108, page 2-9, for spring removal and installation.
NOTE: THE VEHICLE MUST HAVE FRONT END ALIGNED AFTER RE-ASSEMBLY.
Nov 5, 2016 at 2:04 PM
Avatar
STRAILER
  • CERTIFIED EXPERT
  • 53,855 POSTS
How did this turn out?
Nov 7, 2016 at 10:07 AM
Advertisement