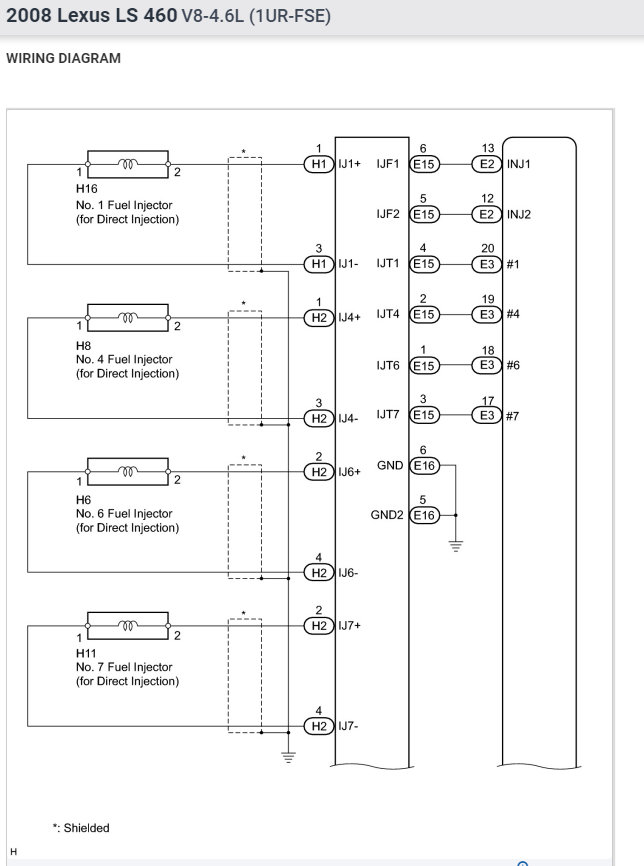
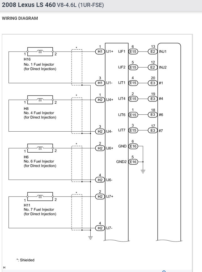
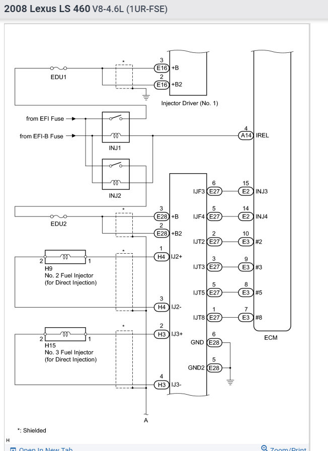
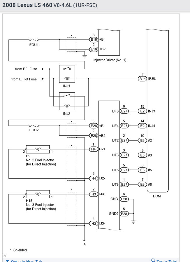
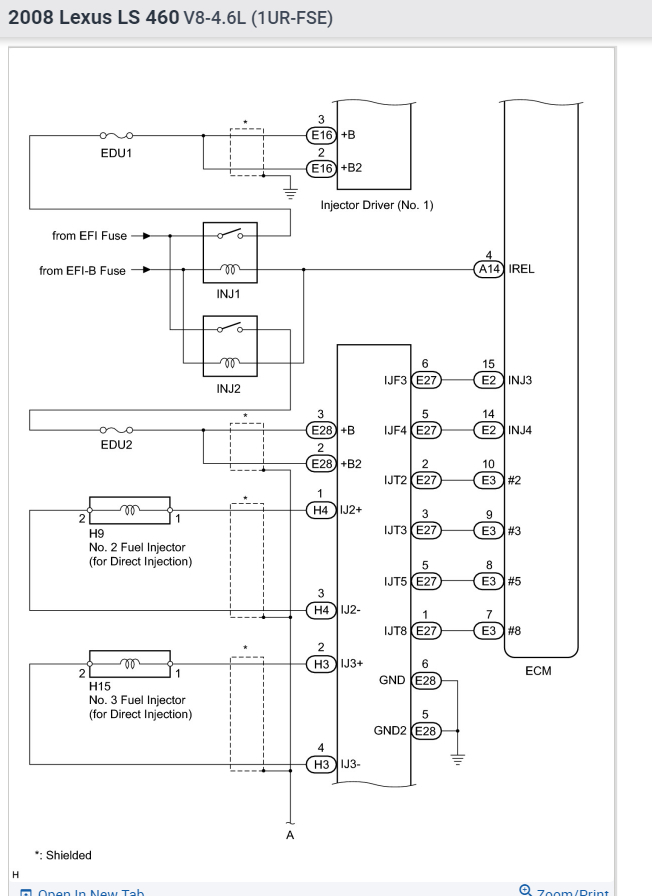
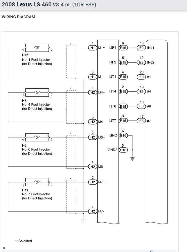
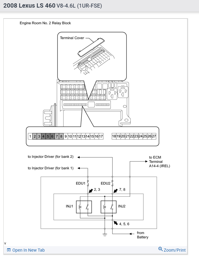
I had a po201 open injector circuit cylinder one replaced harness on driver side because I had no voltage at injector one. After the harness was replaced, I had voltage but still had cylinder one open circuit. I swap injectors around no change in codes. Swap injector drivers have no change. Checked wiring to ECU everything seems fine. All of a sudden code goes away but now it’s throwing random injector codes could this be an ECU problem?
Feb 8, 2022 at 3:37 PM



















