blinkers, power windows, radio, power outlet not working

2007 TOYOTA CAMRY
172,404 MILES • 2.4L • 4 CYL • 2WD • AUTOMATIC
Avatar
K.P.79
  • MEMBER
  • 1 POST
All of that stopped working at the same time. Battery is new, cables are clean, starter relay is new, no blown fuses. Can somebody please tell me what is wrong with this car before I go insane? I've followed wires and checked connections, inspected the underside of the fuse box making sure nothing was cut, pinched, or shorted out in any way.

Can somebody point me in the right direction please? Thanks in advance.
Apr 27, 2021 at 9:20 AM
Advertisement
Avatar
KASEKENNY
  • CERTIFIED EXPERT
  • 18,907 POSTS
The way to figure these out is to pick one of the systems that is not working and figure it out and then move onto the next one if that does not solve all of them.

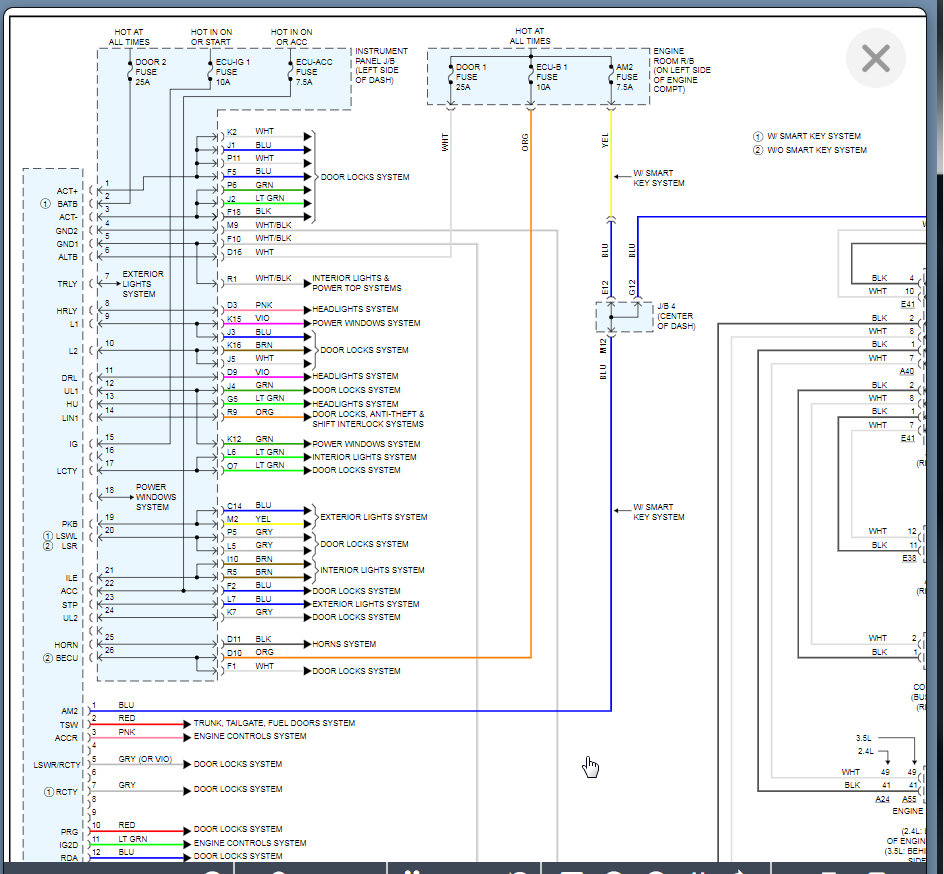
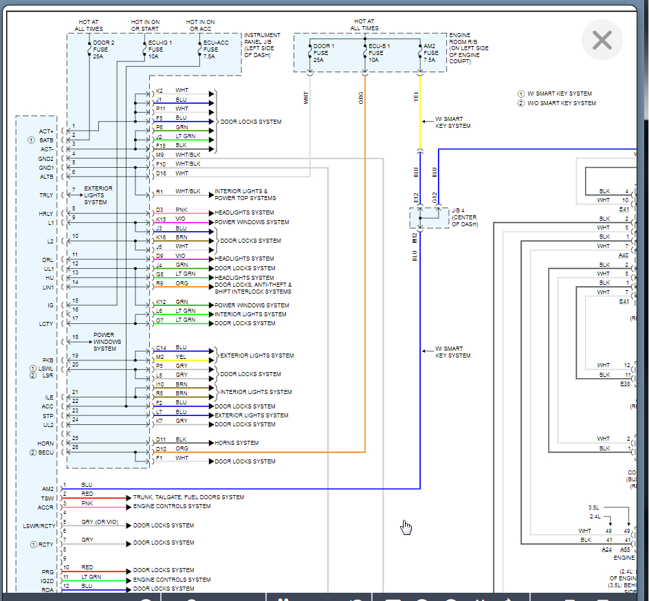
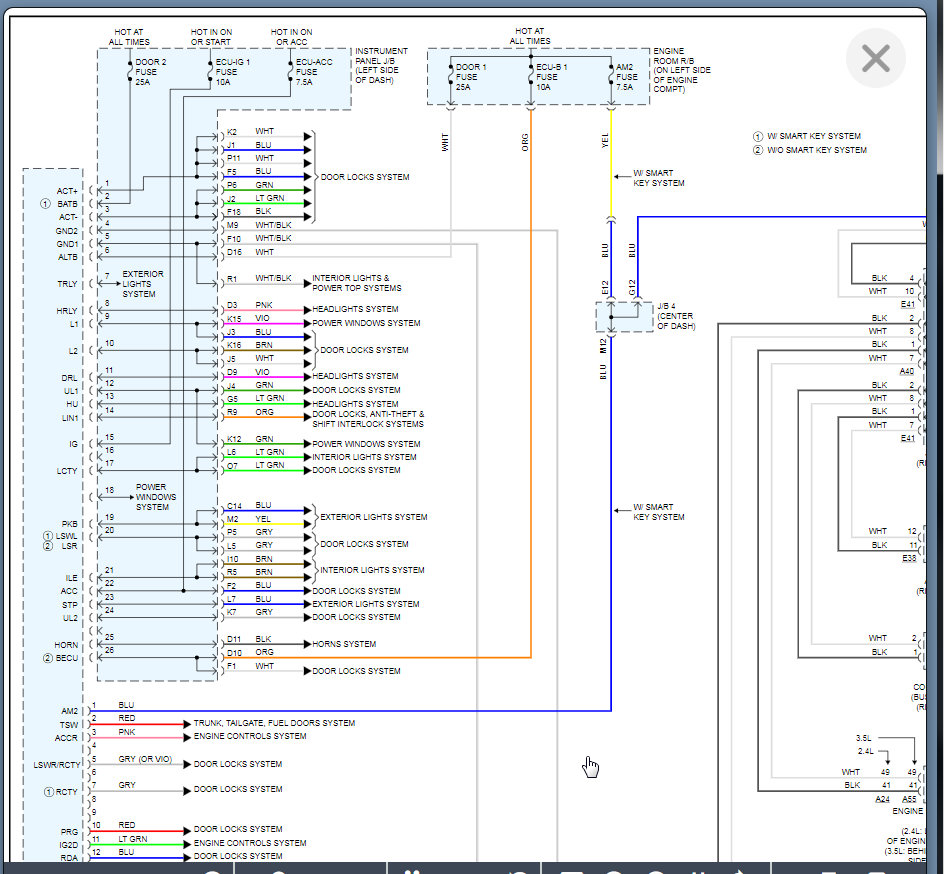
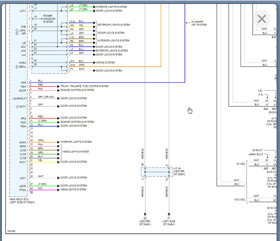
If the starter is not working then I would start with that. Assuming this vehicle has smart key and not a hybrid here is the diagram for the starting system.

Here is a guide that helps with this as well:

https://www.2carpros.com/articles/starter-not-working-repair

https://www.2carpros.com/articles/how-to-check-wiring

We need to test for voltage on the control wire and when it is not there when cranking we go back to the relay and find out if you have signal from the ECM to ground the relay to engage the starter.

Below is the wiring diagram. Let us know what you find with this. Thanks
Apr 28, 2021 at 10:33 AM
Avatar
K.P.79
  • MEMBER
  • 1 POST
Was not helpful because he suggested everything I've already done. I was hoping someone has crossed this problem before and had the answer.
May 4, 2021 at 1:40 PM
Advertisement
Avatar
KASEKENNY
  • CERTIFIED EXPERT
  • 18,907 POSTS
Unfortunately we don't always have the answer on these and can only offer the best way to try and work through the issue. I understand just having the answer would be convenient but we will actually need to test these systems to find the issue on one of them and go from there.

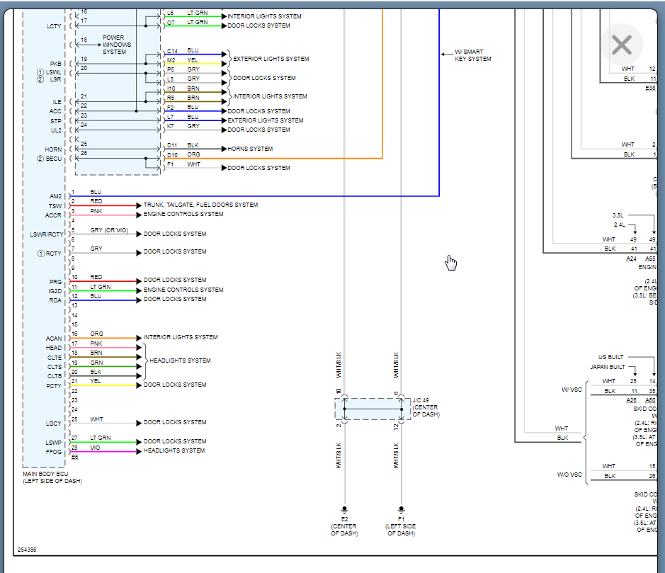
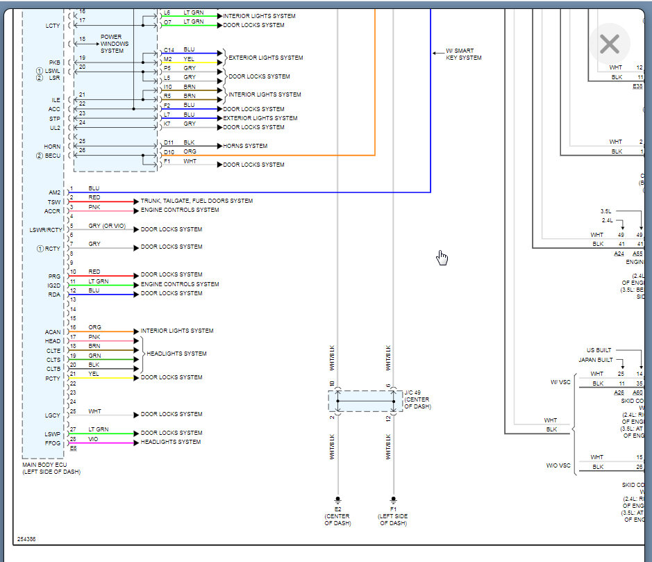
The only thing that these have in common is a main body ECU on the left side of the dash. So again, I would pick one of these systems and check for voltages coming from the ECU. If none, I would replace it and retest all the systems.

See the wiring diagrams below.
May 4, 2021 at 3:54 PM