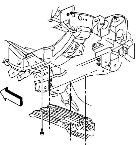
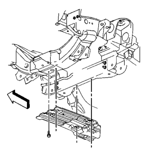
Hey, just recently it became hard to turn when idling. If I am driving and get the rpm's up a little bit it makes it easier. Just trying to figure out if the pump that is a year old is going out again or if its something like the rack and pinion or box. Fluid is good, it only has a small whine if i turn it completely and hold it besides that doesn't make a noise. thanks
Sep 17, 2020 at 8:27 PM




















