Hard to start

2000 CHEVROLET S-10
226,000 MILES • 2.2L • 4 CYL • 2WD • AUTOMATIC
Avatar
BLUEYZ02
  • MEMBER
  • 1 POST
Lately it does not not like to start. It will crank like it wants to but will not actually fire up. I can get it to start maybe once a day and when its running, it runs just fine. Does not act like it wants to shut off or anything. I have replaced the starter, battery and the camshaft sensor as well as the fuse to the secondary air pump. Still the same outcome. For some reason if someone wiggles the air pump up front while I am trying to start it, it fires up? It is throwing a code P0410 as well, but would the pump keep it from starting? (I do hear the fuel pump kick on right before I turn the key over as well).
Feb 1, 2018 at 9:34 AM
Advertisement
Avatar
STRAILER
  • CERTIFIED EXPERT
  • 53,854 POSTS
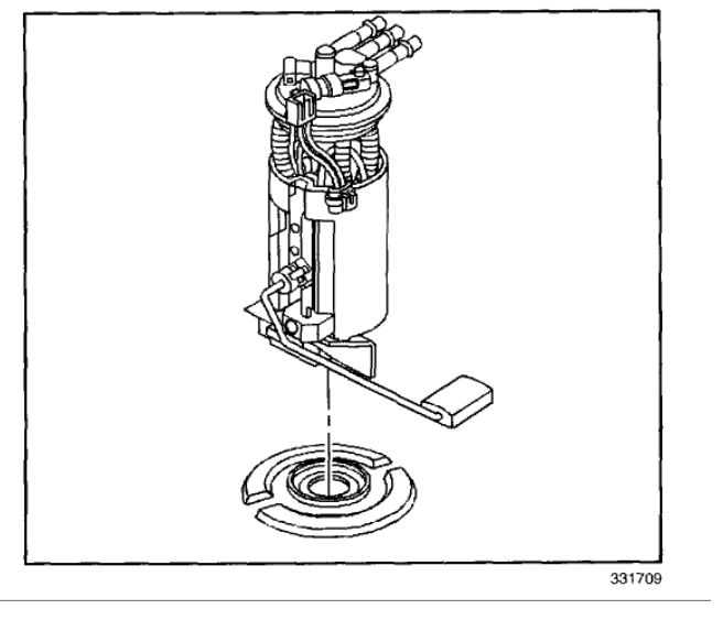
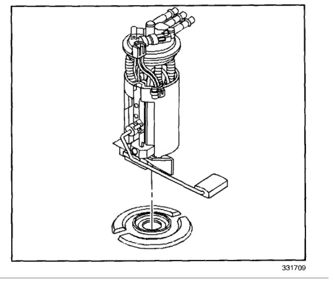
Yes, a weak fuel pump can definitely cause the problem you are describing. To confirm the issue here is a guide to help you check the fuel pressure:

https://www.2carpros.com/articles/how-to-check-fuel-system-pressure-and-regulator

If found bad here is a guide to help you see what you are in for when changing the pump out:

https://youtu.be/Q5MH2gnyFH0

and

https://www.2carpros.com/articles/how-to-replace-an-electric-fuel-pump

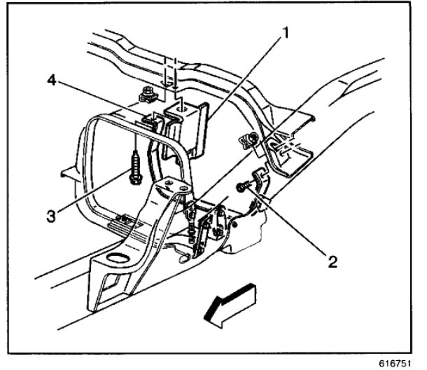
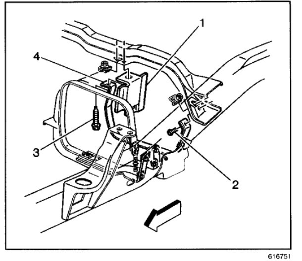
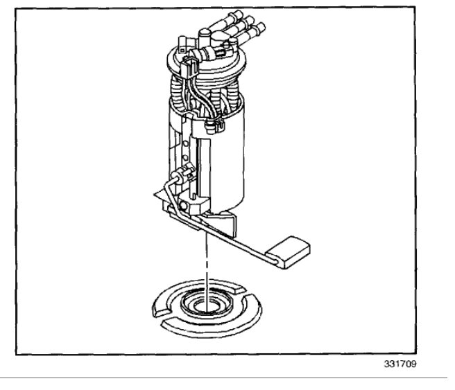
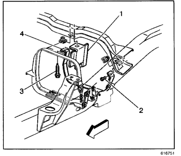
Below are diagrams of what it will be like for you in the your car.

Check out the diagrams (below).

Let us know what happens and please upload pictures or videos of the problem.

Cheers, Ken
Feb 2, 2018 at 1:37 PM