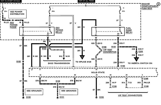
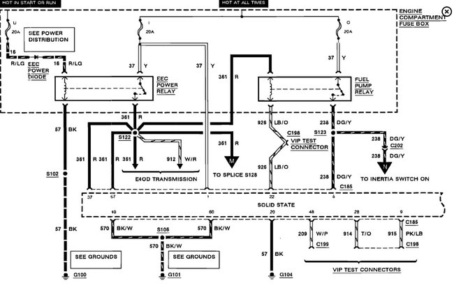
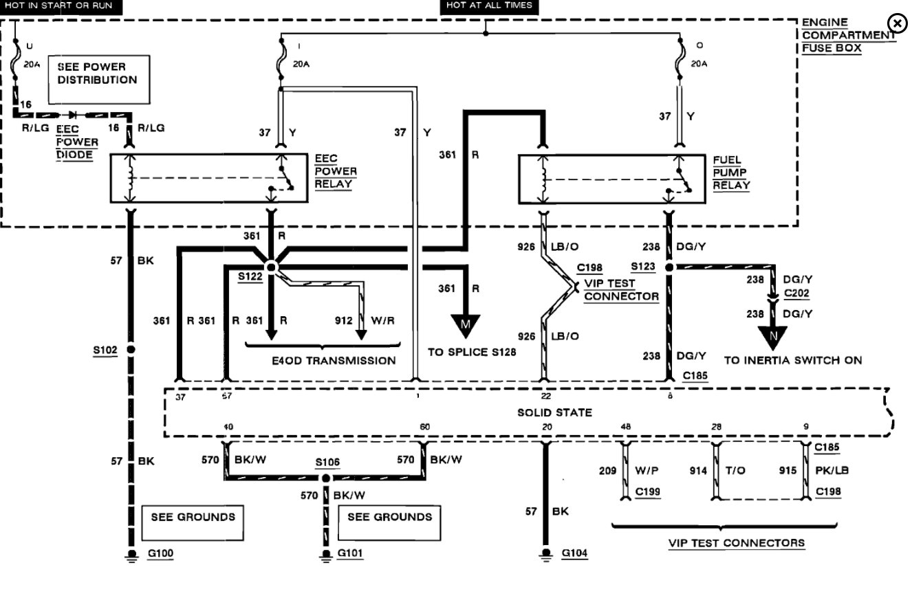
truck is hard to start and fuel pump runs all the time with key on and engine not running and missing bad in high gear like starving for gas clears up when you down shift, but sometimes real hard to start. has 50 lb pressure. New plugs, wires, distributor, relay for fuel pump, new box on side. When you turn key on with engine not running fuel pump runs all the time, it should kick off after about thirty seconds.
I have put ever thing I can think of the 1992 model do not plug into the new scans cannot find any one with the old type.
Please Help.
I have put ever thing I can think of the 1992 model do not plug into the new scans cannot find any one with the old type.
Please Help.
Jun 11, 2017 at 5:11 PM


