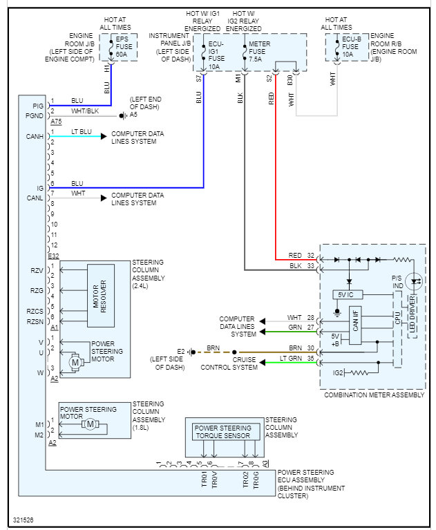
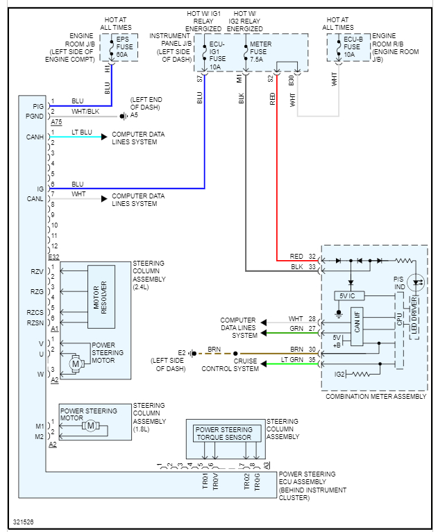
A mechanic complaint that is customer steering is very hard. I scanned the car and saw U0129, P0141, and P0135 codes. For the "U" code I checked and saw that the brake module was left unplugged and when the mechanic connected that wire back to the module there was lots of smoke coming out there. So, in a hurry he unplugged it again.
Apr 29, 2022 at 12:40 PM



