Hard steering after mechanic made an adjustment

2016 MAZDA 6
242,432 MILES • 2.5L • 4 CYL • 2WD • AUTOMATIC
Avatar
HUNAIN ABDUL REHMAN
  • MEMBER
  • 5 POSTS
There was a little sound when turning the steering wheel. I checked with the local mechanic. He opened the steering rod from below of the car and put the white thing rod inside the steering rod and peeled the white rod from inside and put it back to the car. After that my car steering is become stiffy and hard than before. I wanted to know what did he do? Why did my steering wheel get harder? Before it was totally soft. Argued with him and he explained it will be soft with time like in a month or so. Kindly answer my question. I am worried :/
Jun 19, 2022 at 1:24 AM
Advertisement
Avatar
STRAILER
  • CERTIFIED EXPERT
  • 53,854 POSTS
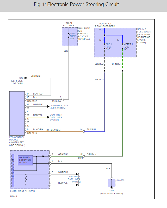
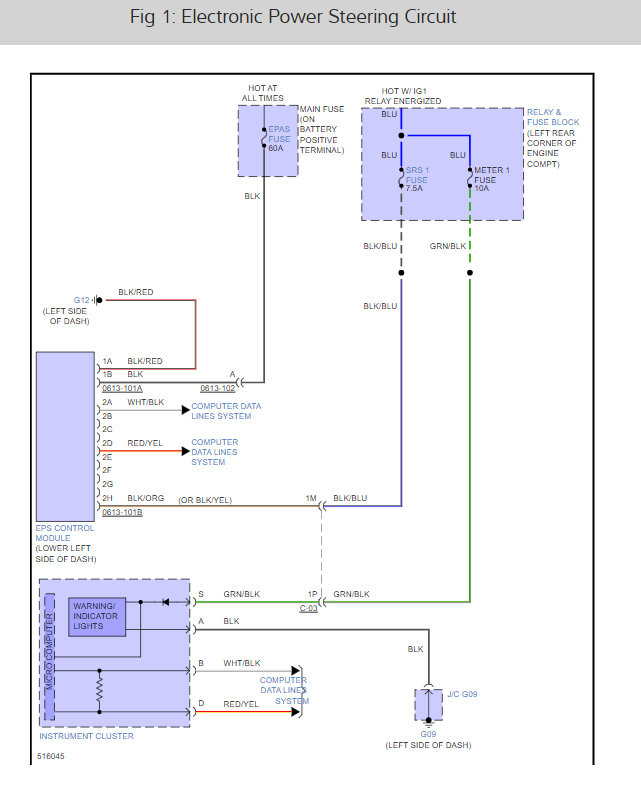
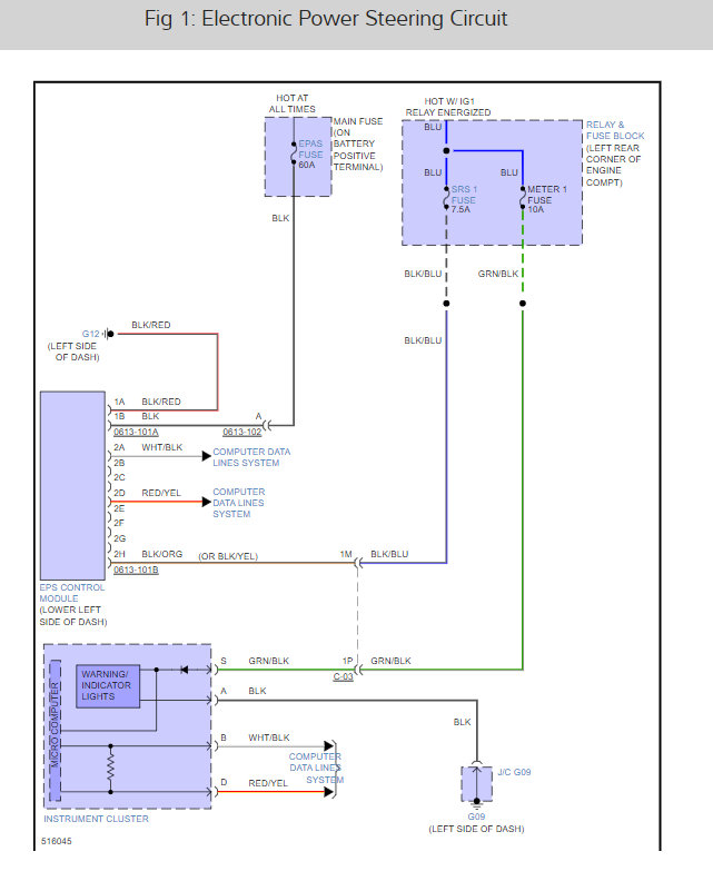
It is hard to say what he did, I would say start by checking the fuses for the steering system. This guide will help, and I have included diagrams of the steering system that show how the system works and which fuses (SRS, meter1) to check to get us started:

https://www.2carpros.com/articles/how-to-check-a-car-fuse

Maybe you can look at these images and give us more info on what the mechanic did. Here are the fuse locations as well. Check out the diagrams (below). Let us know what happens and please upload pictures or videos of the problem.
Jun 20, 2022 at 11:48 AM
Avatar
KASEKENNY
  • CERTIFIED EXPERT
  • 18,907 POSTS
This is interesting because I don't know what he would have done in order to cause this.

Do you think you could get him to write down exactly what he did and then I will be able to read in his words so that we can try and figure out what he did?

Unfortunately, based on what you are describing, I am not able to pinpoint what he may have done.

Otherwise, are you able to see anything in the image below what he may have been messing with?

https://www.2carpros.com/articles/how-to-check-and-fill-power-steering-fluid

The fact that the steering is tight means we have an issue with the pump, or he tightened the actual steering gear.

Let me know what you can find and if he gave anything in writing, please post a picture of it.

Thanks
Jun 20, 2022 at 12:14 PM
Advertisement
Avatar
HUNAIN ABDUL REHMAN
  • MEMBER
  • 5 POSTS
He said to me that he changed the bushes of the steering rack or repaired it.
Jun 20, 2022 at 12:46 PM
Avatar
HUNAIN ABDUL REHMAN
  • MEMBER
  • 5 POSTS
I will check with the fuse and guidance and get back to you guys. Much appreciated
Jun 20, 2022 at 12:48 PM
Avatar
KASEKENNY
  • CERTIFIED EXPERT
  • 18,907 POSTS
Okay. He could be correct then. Did you have noise prior to this repair when you were steering the vehicle?

If the bushings are worn or loose, then the steering is going to feel very loose as it will have what we consider excessive play.

The common test will be to sit still with the engine running in park, and can you turn from lock to lock with the steering wheel with one hand?

If you can then the power steering is working. It may feel tighter but that is due to it not having this excessive play.
Jun 20, 2022 at 1:22 PM
Avatar
HUNAIN ABDUL REHMAN
  • MEMBER
  • 5 POSTS
Yes, Kenny K, I can turn from left to right and right to left with one hand. He just claimed that I should not be worried this will be okay in few days, means stiffness or hardness will go away imperceptibly. But before maintenance the steering was ultra-smooth but due to hardness I got heartache, that something must be wrong and one of my friends said to me electrical steering racks should not be open. Once it’s open it damages apart, so you should buy a new one. This statement drove me mad and made me impatient to know the truth.
Jun 20, 2022 at 1:30 PM
Avatar
KASEKENNY
  • CERTIFIED EXPERT
  • 18,907 POSTS
Okay. So, this is why we are going to need a little more clarification as to what the exact part that he replaced is. The bushings are what mounts the rack to the vehicle. They are external and so we have conflicting info.

I am sure we can explain this, but we are just missing the exact details as to what he did. If he did something internal to the steering rack, then I am confused on what bushings that would be.

Thanks
Jun 21, 2022 at 8:56 AM
Avatar
HUNAIN ABDUL REHMAN
  • MEMBER
  • 5 POSTS
Thank you everyone for trying to sort out my problem. My steering is fine like before. Might be this was an issue for installing new bush and doesn’t have enough play.

Once again thanks everyone
Jun 28, 2022 at 4:56 AM
Avatar
STRAILER
  • CERTIFIED EXPERT
  • 53,854 POSTS
Use 2CarPros anytime, we are here to help. Please tell a friend.
Jun 28, 2022 at 11:42 AM