Not starting only clicks when i try to start

1997 CHEVROLET CAMARO
145,000 MILES • 5.7L • V8 • 2WD • AUTOMATIC
Avatar
DEREK PARHAM
  • MEMBER
  • 2 POSTS
Tested both fuse boxes and only a few light up with my fuse tester. I checked the wires and they look good and not burned.
Oct 31, 2020 at 4:07 PM
Advertisement
Avatar
KASEKENNY
  • CERTIFIED EXPERT
  • 18,907 POSTS
We need to get more detail on what you are seeing with the fuses but I am not sure it is related to the starter. So let's address that and get a new post started if after we get the starter working, those fuses are still not working.

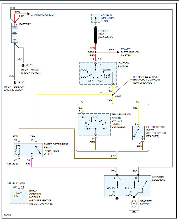
Here is a wiring diagram. We need to go to the starter and check power on both wires. You should have 12 volts on both when cranking the engine. Let me know what you have and we can go from there. Thanks

https://www.2carpros.com/articles/starter-not-working-repair
Nov 1, 2020 at 3:45 PM