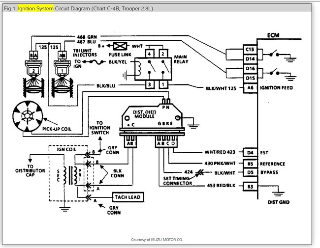
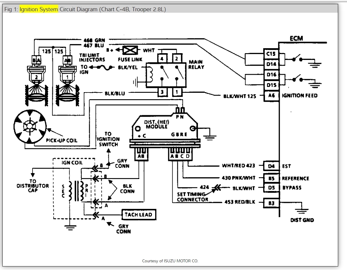
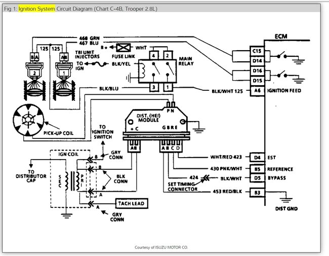
i have new injector connectors and i need to know how to wire the new connectors. it is throttle body six cylinder. i have three blue wires one green from harness.
Sep 30, 2016 at 7:12 PM
