Transmission removal and replace instructions needed

2007 CHEVROLET UPLANDER
200,000 MILES • 3.9L • V8 • 2WD
Avatar
ROBERT CHARLOCK
  • MEMBER
  • 1 POST
I am looking for a step by step instructions for the transmission removal and replacement.
Apr 26, 2018 at 1:54 PM
Advertisement
Avatar
STRAILER
  • CERTIFIED EXPERT
  • 53,854 POSTS
Hello,

You will need to have the battery disconnected to start and put the can up on jack stands.

Here is a guide to help see what you are in for when doing the job:

https://www.2carpros.com/articles/transmission-replacement-removal-manual

This video will help you as well.

https://youtu.be/3vJAojsrfuU

Is rear wheel drive but you get the idea.

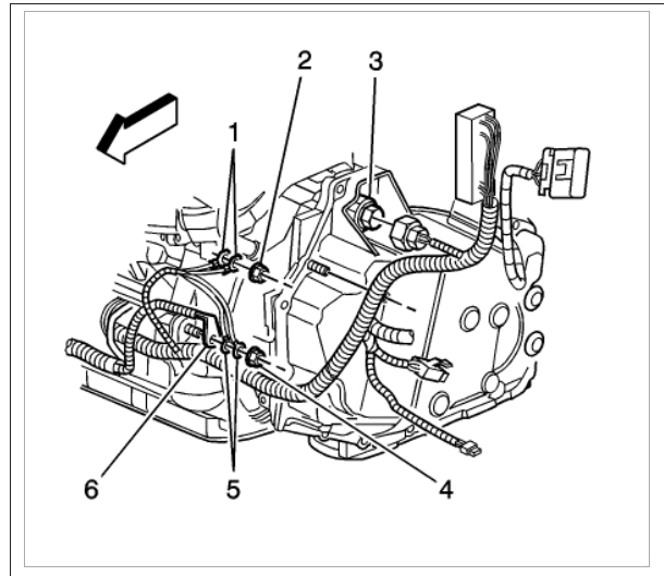
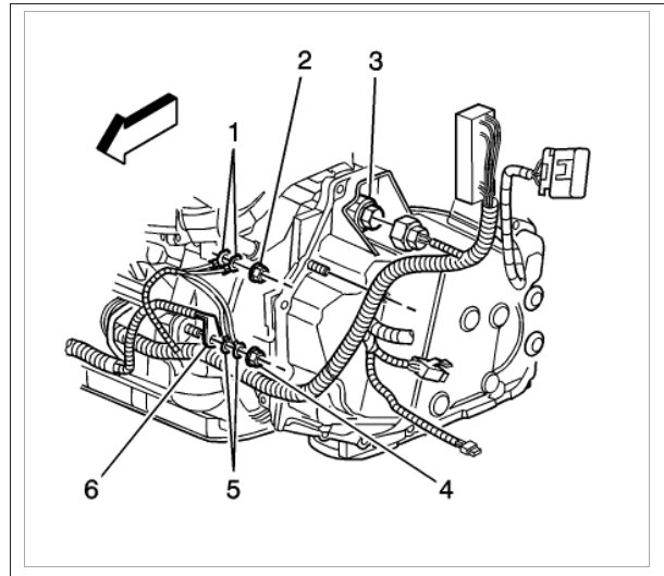
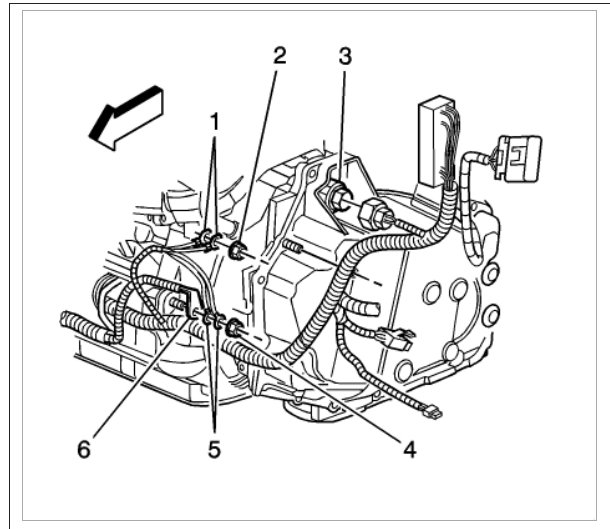
Here are diagrams of how to do the job on your car.

Check out the diagrams (below).

Let us know what happens and please upload pictures or videos of the problem.

Cheers, Ken
Apr 28, 2018 at 10:02 AM