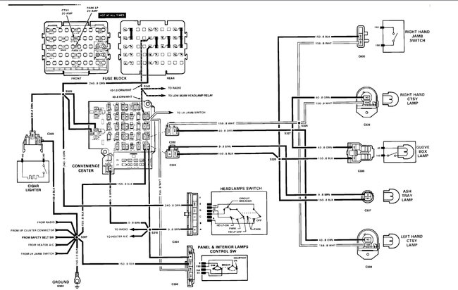
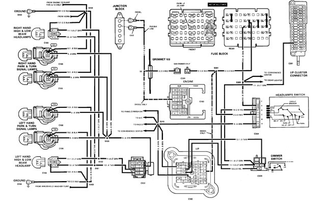
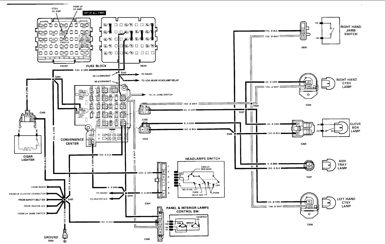
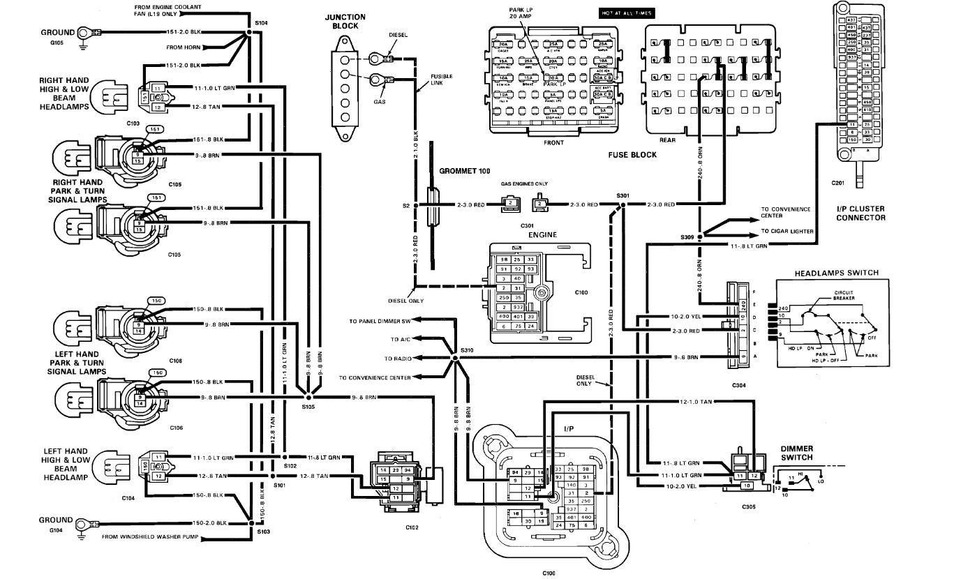
On my truck the gauge lights do not work. I have looked at the fuse and it is not that. I have put a new radio in and I had to rewire the radio so. The radio works but not the gauge lights.
Nov 9, 2018 at 6:41 AM

