Hi,
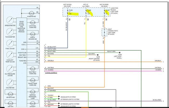
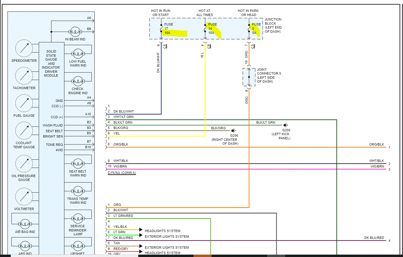
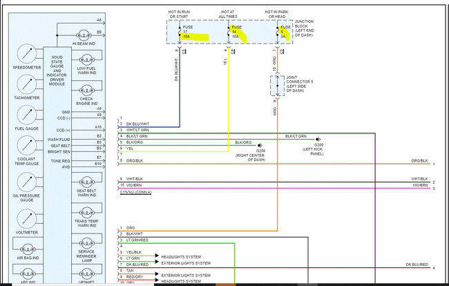
Okay, if they won't turn off with the fuses removed, either there is a short to power or a connection issue at the cluster. Note that I asked you to remove fuse 5 first. The reasoning was to determine if there was a short to power. Fuse 5 is the dimmer switch signal. (See pic 1) Since it stays on, power is coming from something after the fuse.
Inspect the connector at the headlamp switch connector as well as the connector at the rear of the instrument cluster for damage, bent pins, or shorted wires. If there is nothing evidently damaged, I need you to remove fuse 5 and check for power at the orange wire at the cluster connector. (See schematic above) With fuse 5 removed, there shouldn't be power to it. If there is, the short is between the fuse and the cluster. If it doesn't have power, the short is likely within the cluster.
Here is a link you may find helpful when testing:
https://www.2carpros.com/articles/how-to-check-wiring
Let me know what you find.
Joe
See pic below.
Jan 13, 2022 at 7:29 PM