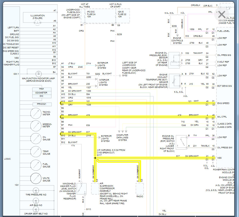
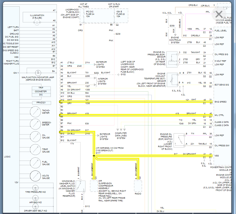
So my guages stopped working. The check engine light and turn signals still light up and guage needles still light up, but not of the guages register anything. So far I've checked all the fuses with my test light, I replaced the ignition switch and relay, and checked all the grounds. So I ordered a remanufactured cluster from cardone installed it and same issue guages don't register anything. I'm losing my mind over this. Any suggestions are greatly appreciated.
Apr 29, 2021 at 3:23 PM

