Headlights not working

2008 VOLKSWAGEN GTI
185,000 MILES • 4 CYL • TURBO • 2WD • MANUAL
Avatar
ETHAN GALAN
  • MEMBER
  • 2 POSTS
TL;Dr gti owned by dad for years has had deteriorating electrical issues and have claimed the lights which can turn on while car is off.

The car has had an issue with the electrical since I've been driving it around 2018 my dad has had it since 2014 I believe I'm not sure when he experienced the first issues though. While there is an issue shifting the bulbs into the bright position or however that works it will not be the focus for now I just want to get my lights to work at all.

Currently my headlights give off no lights and only the driver's side light beneath the headlight works, i have been driving with both fog lights which is manageable but I'd like my lights. The car has a wide variety of electrical issues from internal overhead lights turning on randomly or not turning on or turning on when pressing the roof, the A/C doesn't work though it's hard to tell if it's electrical it definitely doesn't just need an A/C recharge or whatever you'd call it with those bottles you buy. I believe it doesn't do a great job at feeding the right amount of electricity to each speaker as some sound different than others. There are also misfires according to O'Riley's which could be attributed to a purge valve needing to be replaced also according to O'Riley's.

On to the headlights, they slowly started going out over two years, first it was the right one then the left sometimes turned off and is now completely off. The underheadlight lights used to both work but now just the left one. The bulbs are fine as they had been recently switched out before they started going out to my understanding and you can turn them on by activating the brights with the electrical turned on but the engine off and they seem fine though they are and have always been dimmer than they should be. The fog lights have been troopers for quite some time now but I'd like headlights again any ideas?
Jun 3, 2021 at 12:40 PM
Advertisement
Avatar
KASEKENNY
  • CERTIFIED EXPERT
  • 18,907 POSTS
I would suggest we just pick one issue and then solve that and if it fixes others then that is great. if not, we move onto the next one.

So the head lights not coming on would be where to start. I suspect if you can push on the headliner and it works then you have water corrosion on in a wiring harness.

However, we need to start with finding where we have voltage in the system starting with the lamps themselves.

Clearly we can assume it is not there but we need to go back to the vehicle electrical system control module and check to see what the voltage is on each wire coming from the switch when you are moving the switch through each position.

https://www.2carpros.com/articles/how-to-check-wiring

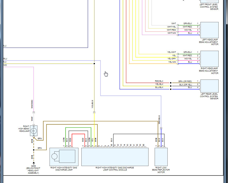
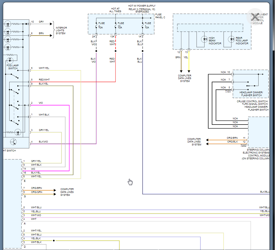
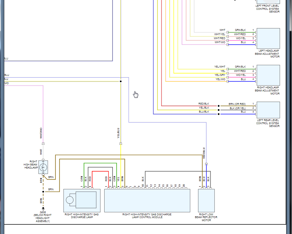
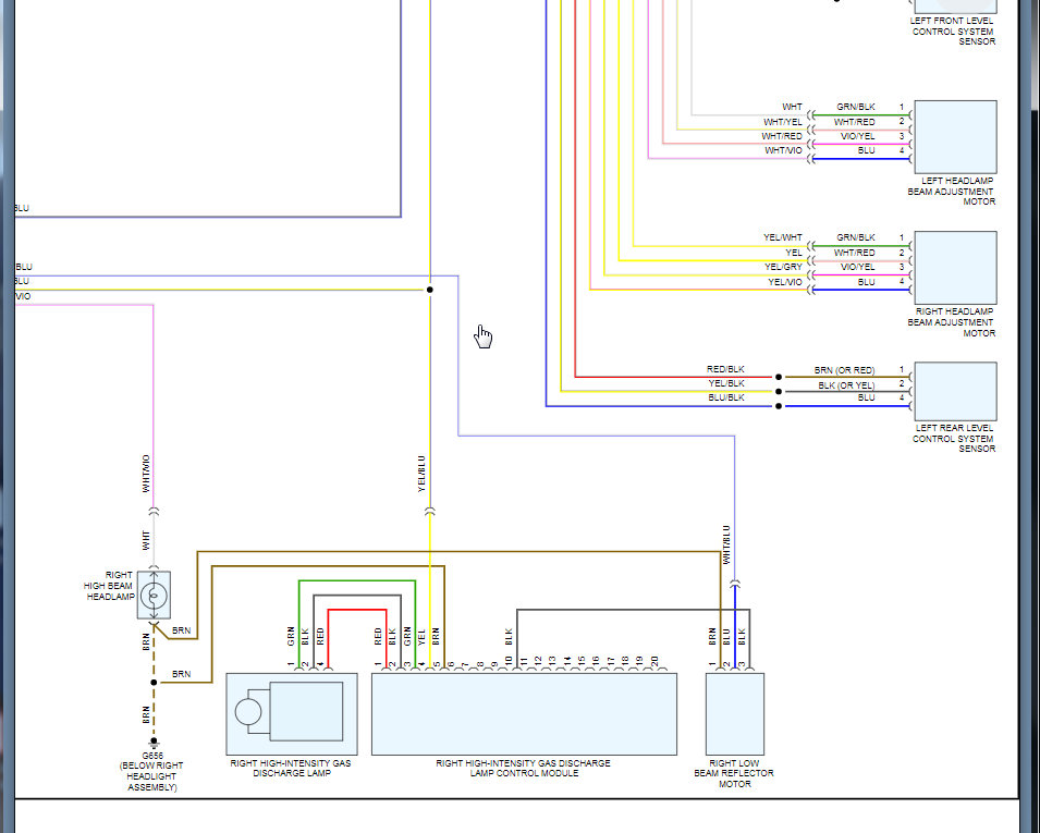
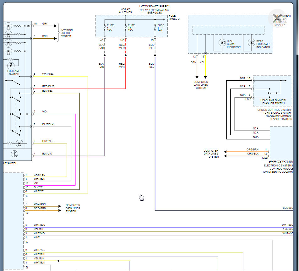
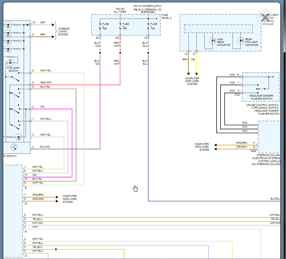
Please see the wiring diagram below for the specifics. Basically the issue is going to be a switch, wiring, or the module.

Do you have HID headlights?

Please let us know what questions you have.
Jun 3, 2021 at 5:03 PM
Avatar
ETHAN GALAN
  • MEMBER
  • 2 POSTS
Thank you for your reply! Pushing on the headliner turns on the overhead lights sorry not the headlights the headlights only turn on when the engine is off but the key is in and turned halfway. Thank you for the information I will do over it with my dad and yes I believe they are HID. I will get back to you when I have gained progress in the situation.
Jun 3, 2021 at 7:27 PM
Advertisement
Avatar
KASEKENNY
  • CERTIFIED EXPERT
  • 18,907 POSTS
Okay. That makes more sense. If they are HID then you need to use the wiring diagram attached below.

Thanks for the update and keeping us posted. Thanks
Jun 3, 2021 at 7:43 PM